Россия, Алтайский край, Новоалтайск, Октябрьская улица
Телефон:
+7 (385) 324-67- Показать номер
Пн-чт: 08:00—18:00; пт: 08:00—17:00
whatsapp telegram vk email

Регулировка сцепления газ 53 своими руками

Сцепление на ГАЗ 53 — Регулировка диска сцепления и размеры центровки

Регулировка сцепления газ 53 своими руками

Маховик является крайней деталью, насаженной на вал двигателя. К нему на шести призонных болтах прикручена «корзина». Корзина состоит из кожуха, нажимного диска и ведомого диска. Ведомый диск иначе называется «Диском сцепления ГАЗ-53». Если к корзине не прикасаться, то нажимной диск давит упругой силой двенадцати пружин на ведомый круг, прижимая его к маховику. За счет сил трения ведомый круг вращается вместе с маховиком. Нажимной круг получает крутящий момент за счет трех выступов, которые находятся в окнах корзины сцепления.

Надо отметить, что и корзина вращается вместе с маховиком постоянно, так как жестко связана с ним. А диск сцепления периодически отходит от маховика и останавливается. Это происходит, когда водитель выжимает педаль сцепления для переключения скорости. Оттяжная пружина 15 держит педаль в верхнем положении. Водитель давит на педаль, она идет вниз. Толкает систему рычагов, соединенных с тягой 14. Через нее усилие переходит на вилку отжатия. Которая в свою очередь приводит в движение муфту отжатия сцепления.

Для отжатия сцепления сделаны рычаги 5, которые находятся в окнах выступов прижимающего диска. В муфте отжатия находится подшипник, который в свою очередь давит на рычаги 5. Те отжимают нажимной круг от диска сцепления, разъединяя двигатель от коробки скоростей.

Маховик, коленвал и корзину балансируют вместе. Ставят метки на маховике и на кожухе. Их надо совмещать при сборке.

При покупке комплекта сцепления нужно быть хорошо подготовленным, ведь от правильного выбора зависит долгосрочность работы, и то, насколько просто будет нажимать педаль сцепления.

Регулировка сцепления ГАЗ-53

От начальных промежутков между элементами сцепления зависит его эффективная работа. Когда двигатель работает, нужно чтобы педаль легко перемещалась в пределах 32-40 мм. Когда двигатель остановлен оптимальное свободное перемещение равно 6-7 мм. Такие люфты обеспечат нужный промежуток между упорным подшипником и рычагами нажимного круга.

Если не будет этих зазоров подшипник будет постоянно давить на рычажки и значит будет постоянно вращаться. В итоге выйдет со строя. Кроме того, будут гореть фрикционные накладки диска сцепления. Регулировка указанных зазоров производится уменьшением или увеличением длины тяги 14. Для этого сначала надо ослабить гайку 13. Если ее отвернуть тяга удлинится. Если завернуть тяга уменьшится.

Очень важна своевременная смазка трущихся частей сцепления. Наиглавнейший деталью для смазки является нажимной подшипник муфты 8. Он работает в тяжелых условиях: большие обороты и большая прижимная сила. Чтобы смазка была качественной, нужно два раза выжать масленку 6.

Никакая регулировка не поможет, если водитель неправильно переключает скорости. Делать это надо медленно отпуская сцепление, и последовательно переключая скорости. Случайно перескочив через скорость, можно поломать ступицу ведомого круга. Если машина движется назад, нельзя включать скорость вперед. Такое действие тоже приведет к нежелательным эффектам: поломке или преждевременному выходу из строя фрикционных частей.

Размеры центровки для диска сцепления ГАЗ-53

У водителей и слесарей ремонтников большие затруднения вызывает установка диска сцепления. Так как диск этот свободно ерзает на маховике. Если устанавливать на глаз, то после установки корзины, часто ведущий вал коробки скоростей не заходит в отверстие ведомого вала.

Чтобы облегчить этот процесс находчивые слесаря придумали оправку – центровку.

Толстый конец диаметром 28,6 мм вставляется внутрь диска сцепления. Тонкий диаметром 17 мм внутрь маховика. Минимальный зазор между оправкой и внутренними диаметрами сопрягаемых деталей обеспечивает свободное скольжение друг относительно друга. Поэтому можно прижать ведомый круг к маховику. Получаем идеальное, соосное сопряжение маховика и круга сцепления. После надеваем корзину на маховик.

Справа на оправке указана насечка. Это делается для удобства держания центровки рукой. Диаметр 24 мм свободный. То есть его можно делать и меньше, например, 23 мм.

Диск сцепления ГАЗ-53

Если диск сцепления изношен до заклепок, то накладки надо менять. Меняют обе сразу, потому что они ставятся одинаковой толщины. Также не допустимы сколы и другие видимые дефекты. Для снятия накладок, нужно удалить заклепки. Обычно их высверливают.

Свежие накладки клепают с расчетом, чтобы промежуток между поверхностью накладки и шапочки заклепки был не менее 2 мм. С обоих сторон. После этой операции нужно замерить круг биение. Допуск 0,7 мм на расстоянии 130 мм от оси вращения.

После восстановления ведомого круга его монтируют на маховик при помощи оправки нарисованной выше. Но до этого закладывают солидол или литол в шариковый подшипник, который находится в маховике.

Главный цилиндр сцепления ГАЗ-53

Изначально, у автомобиля ГАЗ-53 не было гидравлического усилителя сцепления. Поэтому водителям было тяжело выжимать сцепление. Многие умельцы стали делать переделки сцепления. Для большего давления педали на сцепление, через несколько рычагов, применяется гидравлическое усиление. Его основные узлы: главный и рабочий цилиндр, соединенные между собой трубками. Без этого усиления управлять сцеплением можно, но тяжело. Когда не выжимается, то неисправен рабочий цилиндр. Он или течет, или нет тормозной жидкости в системе.

Если неисправен главный цилиндр сцепления газ 53, то педаль легко нажимается. Сцепление то работает, то нет. Первым делом надо проверить наличие тормозной жидкости в системе. Она может исчезнуть из-за разрыва тормозных шлангов.

Перед каждым выездом водитель должен осматривать гидравлический усилитель сцепления. Нужно контролировать количество автотормозной жидкости в бочке 2. Снаружи него есть метка минимального объема. Уровень делают выше этой метки.

При заполнении гидроусилителя тормозным агентом, туда попадают воздух, который мешает нормальной работе механизма. Педаль проваливается. Поэтому систему прокачивают. Надевают шланг на стравливающий клапан 9, который ввернут в рабочий цилиндр сцепления ГАЗ-53 — 8. Другой конец гибкой трубки опускают в сосуд с тормозной жидкостью. Стравливающий клапан вращают против часовой стрелки на пол оборота.

Затем нажимают на педаль сцепления. Тем самым создается давление в системе гидропривода. Воздух выталкивается по шлангу в банку с тормозной жидкостью. Когда педаль находится внизу, упершись в пол, надо завернуть стравливающий клапан на место. Педаль отпускается. Вся операция делается много раз, пока пузырьки воздуха появляются в сосуде (для этой работы желательно брать прозрачную баночку, чтобы лучше видеть всплывание воздуха из гибкой трубки в банку).

Одному человеку неудобно делать эту операцию. Так как придется часто переходить из кабины к перепускному клапану и обратно к педали сцепления. Поэтому прокачку гидропривода сцепления делают вдвоем.

После окончания этой процедуры свободный ход педали уменьшается. Он должен быть в пределах 32 – 38 мм. Это расстояние позволяет обеспечить два зазора. Первый, равный 2,0 мм – зазор между нажимным подшипником 15 и кончиками рычагов 14. Если он больше или меньше 2,0 мм, то его изменяют, вворачивая или выворачивая толкатель 18 вилки 17 из наконечника 20. Предварительно надо ослабить контргайку 19. Затем ее надо затянуть.

Второй зазор делают 0,7 – 1,4 мм — расстояние между штоком 6 и поршнем 4 главного цилиндра. Сначала грубо, на глаз этот промежуток выставляют тягой привода 7. Затем точно при помощи ассиметричного болта 5.

Движение поршня 21 должно быть 23 мм. Если оно меньше, сцепление будет выжиматься не полностью. Это расстояние не изменяется механическим способом. Если оно меньше указанного, то надо прокачивать гидропривод.

В гидроусилитель заливают тормозную жидкость Она сильно окисляет внутреннюю поверхность деталей. Поэтому ее надо менять каждые полгода.

Регулировка корзины сцепления ГАЗ-53

При монтировании отремонтированной корзины важно совместить отметины на маховике и на кожухе. Если нажимной круг после ремонта стал тоньше, то необходимо компенсировать это уменьшение толщины. Для этого под теплоизоляционные прокладки подкладывают металлические шайбы. Их высота равна убыли толщины круга. Это позволяет сохранить сила прижатия пружин.

Важнейший момент при монтировании корзины сцепления – это точное выставление головок рычагов отключения сцепления. От этого зависит равномерность износа ведомого круга и соответственно маховика. Иначе маховик получит односторонний износ и потеряет рабочую геометрию, что будет приводить к частым поломкам сцепления.

Крайние точки верхушек рычагов должны находиться в плоскости параллельной поверхности маховика. Для регулировки используют запасной маховик. Корзину с нажимным кругом кладут на поверхность маховика. Под нажимной круг подставляют три шайбы высотой 10,2 мм. Присоединяют болтами корзину к маховику. Поворачивая гайки на 24 рычагов выжимания сцепления делают промежуток между кончиками и рабочей плоскостью маховика 53 ± 0,75 мм.

Ремонт сцепления

Регулировка сцепления газ 53 своими руками

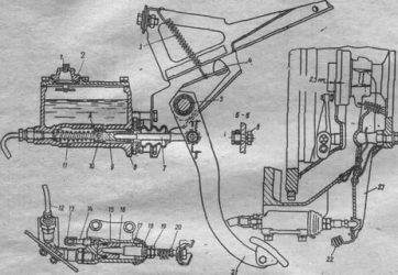
   Здравствуйте Уважаемые друзья! Давно я не писал, а то что не писал, причина проста, не знал чем бы с Вами поделится. Сегодня встретил знакомого. Как он мне рассказал не давно он отремонтировал сцепление на своем газоне, то есть Газ 3307. Но это не так важно сцепление что на Газ 3307, что на Газ 53 одинаковое. Только вот привод выключения сцепление на Газ 3307 гидравлическое (см.рис.1.), а вот на Газ 53 механическое (см.рис.2.), это я написал на случай вдруг кто не знает. А в остальном все тоже самое, как нам с Вами известно двигатель тот же самый, в основном, значит и сцепление одинаковые.

 Привод сцепление Газ 3307 гидравлический.

Рис.1. 1 — питающий бачок; 2 — питающий шланг; 3 — главный цилиндр; 4 защитный колпак; 5 — толкатель главного цилиндра; 6 — муфта выключения сцепления; 7 — вилка; 8 педаль; 9 — регулировочная гайка; 10 — контргайка; 11 — толкатель; 12 — оттяжная пружина; 13 цилиндр; 14 — поршень; 15 — клапан прокачки; 16 — поршень главного цилиндра; 17 — манжета; А компенсационное отверстие; В — перепускное отверстие.  

Привод сцепление Газ 53 механический.

Рис. 2. 1 — маховик, 2 — картер, 3 — ведомый диск, 4 — нажимной диск, 5 — оттяжной рычаг, 6 — масленка, 7 — регулировочная гайка, 8 — муфта выключения сцепления, 9 — ведущий вал коробки передач, 10 — вилка, 11 — кожух, 12 — нажимная пружина, 13 — регулировочная гайка, 14 — тяга, 15 — оттяжная пружина, 16 — педаль сцепления.

Как выяснилось в разговоре, с моим знакомым, он не может отрегулировать, после ремонта, сцепление. Я в первую очередь попросил перечислить весь перечень проделанных работ от начала и до конца, во время ремонта сцепление. Выяснилось что и маховик и ведущий диск в ремонте не нуждались, то есть выработки на них не было. Шлифовать, у токаря, нужды не было.

Сцепление Газ 3307 и Газ 53.

Рис.3. А — 2,5-3 мм; 1 — маховик; 2 — картер; 3 — ведомый диск; 4 — нажимной диск; 5 — рычаг нажимного диска; 6 — масленка; 7 — регулировочная гайка; 8 — муфта выключения сцепление; 9 — первичный вал коробки передач; 10 — вилка; 11 — кожух; 12 — нажимная пружина.

Если вдруг кто не знает как нажимной диск сцепление-4, так же и маховик-1 (см.рис.3.) ремонтируются. Пугаться не чего не нужно это не так сложно. Положите нажимной диск на подставку и установите на стол пресса. На кожух положите подкладку таким образом, чтобы было удобно отвинчивать регулировочные гайки-7. Нажимая прессом на подкладку, разгрузите рычаги-5 от усилия нажимных пружин-12, отверните регулировочные гайки-7, плавно отпустите пресс и снимите кожух.

Примечание: Перед тем как начать разборку сцепления нужно, обязательно, отметить расположение всех деталей относительно нажимного диска и самого диска относительно кожуха и сцепление в сборе относительно маховика для того, чтобы после сборки сохранить заводскую балансировку всего узла. Запомните это важно.

И так, как разберете, сцепление, не забудьте про маховик если есть выработка, его тоже лучше снять. На этом, пока, Ваша работа, по ремонту нажимного диска сцепление и маховика завершена, остальное предоставьте хорошему токарю. Он должен выточить и выровнять поверхность маховика и диска. После того, как токарь сделает свое дело, соберите все в обратной последовательности. И не забудьте про метки которые Вы сделали перед тем как приступить к разборке сцепление.

Вышеперечисленную работу, то есть шлифовку, мой знакомый не делал, не было нужды. Получается толщина как маховика, так же и нажимного диска сцепление не менялась, то есть не уменьшалась. Он просто поменял ведомый диск-3 и обратно все собрал, отрегулировал как положено.

«Завел двигатель выжал педаль сцепление и давай включать передачу, но не тут то было не в какую, не включается не какая передача» (Это я пишу как он мне сам рассказывал). «Заглушил двигатель выжал сцепление включил 1 передачу и завел двигатель, с включенной передачей, все нормально. Как обычно тронулся поехал все нормально.

Как останавливаюсь хочу включить передачу, при работающем двигателе, не в какую. Глушу двигатель, включаю передачу, завожу двигатель и еду. Так и мучаюсь» (с его слов).

Вот он попросил помощь, в чем может быть проблема. А проблема в одной маленькой хитрости про которую он к сожалению не знал, как выяснилось. Да не только он многие про эту хитрость не знают, вот я и решил поделится, опытом так сказать, с Вами.

И так что же произошло, что изменилось после ремонта, связанного с заменой ведомого диска сцепление Газ 3307 и Газ 53. Почему сцепление не выключается, по идее все должно быть в норме, тем более после ремонта и положенной регулировки. Данная проблема, в моей практике, встречалась с бензиновым двигатель ЗмЗ 511 и с бензиновым двигателем ЗиЛ.

А виной всему, всего лишь толщина накладок ведомого диска сцепление. Как правила, диски сцепление, именно накладка ведомого диска, которые продаются в автозапчастях, толще. Они идут ну как бы, получается ремонтные. И это рассчитано, на случай, если вдруг подверглись ремонту маховик и нажимной диск сцепление. То есть вытащивались у токаря.

И как же нам с Вами поступить, как нам выйти из положения нам же нужно как то компенсировать эту лишнюю толщину, если допустить что мы не трогали маховик и нажимной диск сцепление. А поможет нам в данной ситуации загнутая проволока толщиной 4мм (см.рис. 4.). Да да не удивляйтесь именно так. 

 Рис. 4. Загнутая проволока.

За фото прошу прощения сам не стал фотографировать, то что нашел в просторах нашего бескрайнего интернета. Это просто что бы Вам показать какой, примерно, должна быть  проволока. Может кто то сейчас засмеялся, а кто то удивился: «А чем тут может помощь это проволока, не понятно». Согласен с Вами первый раз когда я узнал про эту хитрость тоже удивился. А когда поставил эти проволоки куда нужно был в восторге, после того как сцепление нормально заработало и передачи начали включатся как по маслу, так сказать. 

 Рис. 5. Место установки проволоки.

 Я на картинке указал место куда нужно подкладывать проволоку толщиной 4мм. Нужно просто ослабить болты кожуха. Как нам известно, кожух сцепления-11 закреплен на маховике-1 коленчатого вала шестью центрирующими (специальными) болтами. И так, после того как ослабили болты, между кожухом-11 и маховиком-1 (см.рис.3.) прямо на сами болты засовываете проволоку, ну как бы, получается вроде регулировочной шайбы.

Кто то может подумал: «а почему нельзя шайбу толщиной 4мм использовать», можно и шайбу. Только есть одно ,но. Рано или поздно нам придется убирать эти самые регулировочные проволоки. Это будет завесить от пробега Вашего авто. По мере износа накладки, ведомого диска, сцепление начнет пробуксовывать, мы еще это явление называем «ведет сцепление».

Это «ведет сцепление», то есть пробуксовка сцепление, и будет сигналом, что пора избавляться от наших регулировочных проволок. Для этого нам будет достаточно всего лишь немного ослабить болт крепления кожуха и достать проволоку. А если была бы шайба нам бы пришлось целиком болт откручивать. Зачем это нам нужно, лишний раз откручивать и закручивать болт, еще можно резьбу попортить. Вот по этой причине и придумали «умные люди» такую хитрость с проволокой.

После того как я рассказал, своему знакомому, про эту хитрость он сел в свое л/а и быстренько помчался домой. Через пол часика примерно, позвонил и поблагодарил. Причина оказалась именно в этом. Говорит что теперь передачи все как по маслу включаются.

Сцепление ГАЗ-53 и ГАЗ-3307. Как установить и отрегулировать сцепление читайте в этой статье

Регулировка сцепления газ 53 своими руками

Ремонт, установка и регулировка сцепления Газ-53 и Газ-3307

        Сцепление автомобиля ГАЗ-53—сухое, однодисковое, оснащенное демпферным устройством на ведомом диске и устанавливаемое в литом картере, изготовленный из алюминия. Корзина сцепления крепится к маховику коленвала при помощи шести центрирующих болтов, внутри которой находится нажимной диск. Вращение от маховика к нажимному диску передается через три выступа, предусмотренных в диске и входящих в окна корзины сцепления.

От двигателя к коробке передач крутящий момент передается при помощи ведомого диска, зафиксированный между торцами нажимного диска и маховика усилием двенадцати пружин.Рычаги выключения сцепления размещены в прорезях выступов нажимного диска и при помощи игольчатых подшипников и осей соединены с опорными вилками и нажимным диском. Опорные вилки шарнирно зафиксированы на кожухе сцепления при помощи сферических регулировочных гаек и конических пружин. По окончанию регулировки гайки закернивают и в по ходу эксплуатации рычаги не регулируются.

Нажимной диск сбалансирован в сборе с маховиком и коленчатым валом, поэтому при замене ведомого диска, при сборке сцепления необходимо совместить метки «0» на маховике и корзине нажимного диска.

Сцепление автомобиля ГАЗ-53 имеет механический привод управления и состоит из педали сцепления, тяги, валика с рычагом и регулировочной гайки. Для смазывания втулки педали сцепления на торцевой части валика педали предусмотрена пресс-масленка.

При помощи стяжной пружины педаль сцепления удерживается в крайнем заднем положении. Ход педали в заднем положении ограничивается при помощи упора педали в пол кабины посредством резиновой муфты.

Свободный ход педали сцепления должен составлять 35-45 мм, а свободный ход педали при неработающем двигателе 6-7 мм, что соответствует зазору 4 мм между подшипником выключения сцепления и концами рычагов нажимного диска.

При отсутствии данного зазора возможен быстрый износ рычагов, сгорание фрикционных накладок или выходу из строя подшипника.

Уход за сцеплением и его приводом подразумевает периодическую смазку упорного подшипника муфты выключения сцепления и в осуществлении регулировки привода.

Смазка подшипника выключения сцепления происходит при помощи колпачковой масленки, находящейся в верхней части корзины сцепления. Дважды выжмите в него полностью заправленную колпачковую масленку.

Регулировка сцепления ГАЗ-53

Сцепление регулируется в том случае, если свободный ход педали составляет более или менее 35-45 мм и регулируется путем изменения длины тяги. Для того, чтобы увеличить свободный ход педали необходимо отвернуть регулировочную гайку.

Поломка ступицы ведомого диска, преждевременный износ накладок и их разрушение могут быть вызваны движением автомобиля с неполным выключением сцепления, не плавным включением сцепления при переключении на прямую или третью передачу, включением на высокой скорости 1 или 2 передачу.

Разборка, ремонт и сборка сцепления автомобиля ГАЗ-53

Для того, чтобы провести ремонт сцепления, его демонтируют с автомобиля без снятия двигателя.

Для этого достаточно установить автомобиль на эстакаду, смотровую яму или подъемник, для обеспечивания полного доступа к сцеплению снизу.

Как снять сцепление

Снимите коробку передач вместе с подшипником выключения сцепления и муфтой. Отсоедините оттяжную пружину от муфты и демонтируйте с муфты подшипник.

Открутите болты крепления и снимите штампованную нижнюю часть корзины сцепления. Проверьте наличие на кожухе нажимного диска и на маховике двигателя совмещение меток «0» — если они отсутствуют, то нанесите их.

Постепенно открутите болты крепления корзины сцепления к маховику, прокручивая при этом коленвал двигателя.

Снимите нажимной и ведомый диски сцепления из картера через нижний люк. Диски снимаются по очереди, так как вторая поперечина рамы мешает одновременному демонтажу нажимного и ведомого диска.

Через посадочное отверстие для коробки переменных передач поднимите нажимной диск до упора в картер, оставляя при этом внизу приемлемый зазор для демонтажа ведомого диска.

Далее, поверните нажимной диск вниз одной из регулировочных гаек, снимите его, прокручивая так, чтобы остальные гайки проходили, не задев поперечину.

  Снятие кожуха сцепленияРазборка нажимного диска

Перед разборкой нанесите метки на нажимном диске, рычагах и кожухе для того, чтобы сохранить балансировку во время сборки. Разместите нажимной диск на подставке и установите на столе пресса усилием от 30 кгс.

Кожух не должен касаться подставки и стола пресса. Сверху на кожухе разместите подкладку таким образом, чтобы она не закрывала три гайки крепления опорных вилок рычагов выключения сцепления. Нажмите прессом на подкладку, сжимая пружины и освободите от усилий рычаги выключения сцепления.

Открутите регулировочные гайки опорных вилок и медленно отпустите пресс. Снимите кожух сцепления, теплоизолирующие шайбы и нажимные пружины. Расшплинтуйте и снимите оси рычагов выключения из ушков нажимного диска. Демонтируйте иглы подшипников.

Осмотр и проведение контроля деталей сцепления

После того, как сцепление разобрано — тщательно промойте его детали для проведения дальнейшего осмотра.

Стоит обратить внимание на качество заклепочных соединений, отсутствие трещин, износа, деформаций, заломов и забоин на ведомом и нажимном дисках, опорных вилках, рычагах, ступице, пружинах, вилки выключения сцепления, кожухе и на остальных деталях.

Если на поверхностях фрикционнных накладок ведомого диска имеются трещины, следы перегрева или чрезмерное замасливание, а также если расстояние от поверхности накладок сцепления до заклепок меньше 0,2 мм, то их необходимо заменить.

Обе накладки меняются одновременно, так как разная толщина накладок нарушит стабильную работу сцепления.

Для того, чтобы снять изношенные или поврежденные накладки, необходимо высверлить и осторожно выбить заклепки крепления накладок к диску и пластинчатым пружинам.

При наличии кольцевых рисок и задиров на поверхностях маховика и нажимного диска их следует удалить путем шлифования или проточкой.

Величина снятого металла во время обработки должна быть такой, чтобы толщина нажимного диска после обработки уменьшилась не более чем на 1 мм.

При этом, во время сборки сцепления для сохранения нажимного усилия под теплоизолирующие шайбы устанавливаются дополнительные стальные шайбы, толщина которых должны быть равной величине снятого металла с поверхности нажимного диска.

Сборка сцепления автомобиля ГАЗ-53

Во время сборки ведомого диска необходимо приклепать фрикционные накладки. На головках заклепок после развальцовки недопустимы трещины и надрывы.

Торцы всех головок заклепок крепления накладок должны быть утоплены не менее чем на 2 мм от рабочей поверхности.

Высота расклепанной головки на диске должна составлять 0,6-0,9 мм, на пружинных пластинах — 0,9-1,2 мм. Пластины к диску приклепываются стальными заклепками диаметром 4×5 мм.

Ведомый диск с новыми накладками необходимо проверить на биение плоскости трения. Биение накладок диска измеренное на радиусе 125 мм, должно составлять не более 0,7 мм.

При увеличенной величине биения, диск необходимо править при помощи специальной оправки. Далее его подвергают статической балансировке при помощи балансировочных грузиков.

Сборка нажимного диска

Во время сборки нажимного диска сцепления необходимо убедиться в совпадении меток на рычагах, кожухе и нажимном диске, а нажимные пружины отцентрированы по отбортовках кожуха.

Для того, чтобы предотвратить выпадания игл из отверстий, следует установить в рычагах резиновые шарики диаметром 8-8,5 мм, либо хорошо смазать иглы смазочным материалом.

По окончанию сборки необходимо отрегулировать положение головок рычагов выключения сцепления. При отсутствии специального устройства, можно использовать свободный маховик.

В данном случае, нажимной диск в сборе с кожухом размещают на поверхности трения маховика.

Между маховиком и нажимным диском в трех точках размещают шайбы толщиной 12,2±0,02 мм и прикручивают кожух к маховику.

Закручивая или откручивая регулировочные гайки добейтесь того, чтобы размер от торца маховика до конца всех рычагов составлял 51±0,25 мм.

Разница в размерах каждого рычага не должны быть более 0,3 мм. По окончанию регулировки необходимо зачеканить металл хвостовика каждой сферической гайки в прорезь опорной вилки.

Регулировка положения рычагов выключения осуществляется только на снятом с автомобиля сцеплении.

В том случае, если во время сборки была замена рычагов выключения, нажимного диска или кожуха, то необходимо провести статическую балансировку нажимного диска в сборе, путем высверливания металла из бобышек нажимного диска, применяемых для установки нажимных пружин. Глубина сверления от края бобышки должна составлять не более 25 мм.

Установка сцепления на автомобиль ГАЗ-53 осуществляется в обратном порядке. Перед монтажом сцепления следует заложить смазочный материал в отверстие шарикоподшипника первичного вала, протереть поверхность трения нажимного диска и маховика.

Необходимо также отцентрировать ведомый диск по отношению оси коленвала; в шлицевое отверстие ведомого диска нужно вставить специальную оправку так, чтобы ее конец зашел в шарикоподшипник маховика. Болты крепления кожуха затягиваются равномерно.

Регулировка сцепления на газ 53

Регулировка сцепления газ 53 своими руками

Сцепление на грузовике ГАЗ 53 является проблемным местом в плане поломок, нередко его приходится ремонтировать. Здесь есть ряд факторов, по которым возникают различные неисправности:

  • Машину периодически нагружают свыше допустимой нормы и эксплуатируют в тяжелых дорожных условиях;
  • Конструкция ведущего диска сцепления сама по себе далека от совершенства;
  • Качество деталей оставляет желать лучшего.

Пример установленного сцепления на автомобиль ГАЗ 53

Устройство

Сцепление модели ГАЗ 53 сухое, с одним ведомым и одним ведущим диском сцепления. Вся система сцепления включает в себя следующие элементы:

  • Корзину сцепления (ведущий диск);
  • Диск сцепления (ведомый);
  • Выжимной подшипник в сборе (сам подшипник и муфту);
  • Вилку;
  • Шток;
  • Трубки и шланги;
  • Рабочий цилиндр сцепления;
  • Главный цилиндр сцепления.

Неисправности

Если перестает работать сцепление, понять это можно по следующим признакам:

  • Невозможно включить ни одну скорость;
  • Передача включается с хрустом и скрежетом;
  • Педаль нажимается очень легко и проваливается;
  • Педаль сцепления не нажимается до конца хода (не нажимается до пола);
  • Педаль находится ниже необходимого уровня, ближе к полу в салоне;
  • Не каждый раз можно нормально включить скорость – сцепление то появляется, то пропадает;
  • При переключении передач ничего не происходит, и автомобиль не трогается с места;
  • При трогании с места происходят рывки, движение начинается с дрожью и биением;
  • Скорости включаются нормально, выжим педали тоже в норме, но машина не развивает оборотов, нет мощности;
  • Свист, шум во время нажатия на педаль сцепления.

Причиной может быть любая из деталей, но по признакам характерны поломки:

  • Неисправен главный цилиндр – педаль проваливается, слишком легко нажимается, периодически пропадает сцепление;
  • Неисправен рабочий цилиндр – педаль встает колом, не нажимается до конца. Если цилиндр течет и ушла жидкость, то включить какую-либо скорость будет трудно;
  • Не отрегулированы лапки корзины сцепления – автомобиль будет трогаться с дрожью, с рывками. Если регулировка сильно нарушена, то может быть и скрежет при трогании, а некоторых случаях тронуться будет невозможно. С «дрожанием» трогаться машина может еще из-за погнутого диска сцепления;
  • Лапки сцепления сломаны – скорее всего, двигаться будет невозможно;
  • Оборван диск сцепления – скорости включаются, а машина стоит на месте и не едет;
  • Сломана вилка сцепления – педаль опустилась вниз, нет нормального выжима;
  • Сносились накладки диска сцепления – машина пробуксовывает, не едет нормально, обороты «ревут», а мощности нет. Также могут замаслиться накладки, стоит обратить внимание на течь масла из заднего коренного подшипника коленчатого вала – на «газончиках» это болезнь;
  • Заклинил или начинает шуметь выжимной подшипник – шум возникает при нажатой педали. Заклинавший подшипник приводит к быстрому износу лапок сцепления. Еще одним признаком является дым и гарь в районе «колокола» двигателя (картера сцепления).

Вообще, вариантов можно назвать здесь всяких много, но основные уже перечислены.

ГАЗ-53 оснащен однодисковым сухим сцеплением, на ведомом диске которого установлено демпферное устройство.

https://www.youtube.com/watch?v=aKfokdGzwiI

В последние годы в продаже на «газоны» появились лепестковые корзины, они удобнее лапковых в том, что не требуют регулировки. Но вот надежнее ли они, это другой вопрос. И лапковые корзины лучше тем, что их всегда можно отремонтировать – ремкомплекты рычагов для корзины есть в продаже в каждом специализированном магазине и стоят недорого.

Установленная лапковая корзина

Неполное включение сцепления

Если любая из передач тяжело включается, да еще и с шумом, то скорей всего происходит неполное выключение сцепления, которое может возникнуть из-за большого свободного хода вилки сцепления.

В этом случае просто нужно отрегулировать свободный ход. Такое может происходить из-за коробления ведомого диска. Лучше поменять на новый. Также можно попробовать отрегулировать взаимное расположение концов рычагов выключения сцепления, или зачистить шлицы.

Замена пружин и накладок

ГАЗ-53 стал разгоняться медленнее, чем обычно, не набирает нужную скорость, и тяжело преодолевает подъемы, то это свидетельствует о неполном включении сцепления.

Это может произойти, если нажимные пружины перестали давить с нужной силой, тогда потребуется их замена.

Обратите внимание на фрикционные накладки, возможно, они замаслены, либо стали изношенными. Если они замаслены не сильно, то достаточно просто промыть их керосином и потереть мелкой шкуркой.

При сильном замасливании рекомендуется заменить либо фрикционный диск, либо накладки. Отсутствие свободного хода вилки выключения сцепления также приводит к таким последствиям. Сцепление включается резко, то это может быть по причине износа фрикционных накладок, которые необходимо заменить вместе с ведомым диском или без.

Другие неполадки

Остальные симптомы и лечение их такие же, как и в случае неполного включения сцепления. При появлении писка в сцеплении рекомендуется смазать подшипник муфты выключения сцепления или заменить его. Также можно проверить исправность демпферного устройства.

Регулировка

Если лапковое сцепление «дергается», то можно попробовать его отрегулировать. Регулировку лапок на рабочем автомобиле можно проводить двумя способами, первый способ является как бы «книжным», вторым чаще пользуются в автосервисах.

  1. Ставим машину на яму.
  2. Снимаем поддон картера сцепления.
  3. Снимаем вилку сцепления, чтобы можно было добраться до лапок.
  4. Берем пруток проволоки (немногим длиннее спички) и пользуемся им, как измерительным инструментом. Прокручивая маховик, выбираем наименее болтающуюся лапку, и замеряем прутком ее высоту от маховика.

    Остальные две лапки необходимо выставить на такую же высоту. Для регулировки проворачиваем гайки в нужную сторону, гайки находятся с наружной стороны рядом с лапками.

  5. Выставив все рычаги (лапки) на одинаковом расстоянии, проверяем работу сцепления на ходу. Если все отрегулировано нормально, не забываем законтрить регулировочные гайки на корзине.
  6. Устанавливаем поддон картера сцепления. Работа закончена.

Первым методом не всегда удается отрегулировать сцепление. Дело в том, что лапки ходят в игольчатых подшипниках, и в этом соединении может быть износ. Тогда второй способ регулировки будет несколько эффективнее. Операции проводятся все те же, только вот суть самой регулировки несколько другая.

Производить работы здесь необходимо вдвоем:

  • Подготавливаем набор автомобильных щупов для регулировки клапанов;
  • Также снимаем поддон картера сцепления;
  • Складываем несколько щупов и набираем приблизительно 1,5 мм;
  • Один из участников нажимает и держит педаль сцепления, второй между диском и маховиком устанавливает щуп под каждую лапку;
  • Под каждой лапкой щупы должны входить плотно, с одинаковым усилием. Установив таким образом зазоры, проверяем работу не ходу;
  • И не забываем закернить регулировочные гайки.

Если диск не кривой и лапки не сильно выработаны, второй метод помогает нормально отрегулировать сцепление с первого раза.

Замена корзины или диска сцепления

Убедившись в неисправности корзины или диска, меняем сцепление:

  • Ставим автомобиль на яму;
  • Снимает в салоне рычаг КПП;
  • Откручиваем карданный вал целиком и убираем его в сторону. На задней крестовине кардана и на фланце заднего моста предварительно устанавливаем метки. Установка вала в том же положении позволит избежать вибрации после сборки;
  • Снимаем вилку выжимного подшипника;
  • Отворачиваем от КПП тяги ручного тормоза;
  • Откручиваем гайки крепления коробки передач и демонтируем ее;
  • Снимаем поддон картера сцепления;
  • Отворачиваем шесть болтов крепления корзины сцепления. Чтобы отвернуть все, нужно будет прокручивать маховик двигателя.

Источник: avtomobilgaz.ru

Сцепление ГАЗ 43

Газ 53 – легендарный советский грузовик выпускался с 1961 года. Последняя модель с конвейера сошла в 1992 году. Всего за это время выпущено почти 4 миллиона образцов. Удивительно, но факт – самому новому автомобилю этой модели сейчас почти 25 лет, а их по-прежнему активно используют.

Чаще всего по причине преклонного возраста ГАЗ-53 можно встретить в сельской местности на фермах или иных предприятиях аграрного сектора. Техника за годы эксплуатации зарекомендовала себя как по-настоящему рабочая лошадка и владельцы не торопятся расставаться с ней. В общем-то, это и не удивительно, ведь автомобиль оснащен мощным двигателем, а на шасси можно устанавливать фургон или холодильник. Поэтому применений для ГАЗ 53 нашли великое множество, а автомобили испытывали колоссальные нагрузки.

Учитывая естественный износ узлов и агрегатов автомобиля, ни для кого не секрет, что технику частенько приходится ремонтировать. Проблемы, как правило, возникают с двигателем и трансмиссией, причем особое внимание специалисты советуют уделять сцеплению ГАЗ-53. Периодическая регулировка механизма гарантия того, что вам долгое время не придется устранять неисправности как самого сцепления, так и иных узлов трансмиссии.

Сцепление ГАЗ 43

Конструктивные особенности сцепления

  • Сцепление ГАЗ-53, является стандартным для советского автопрома. На машине установлено механическое сухое однодисковое устройство.
  • Располагается механизм в чугунном картере в задней части двигателя.
  • Состоит сцепление из двух основных частей: ведомого и нажимного дисков.

Когда нужна регулировка сцепления

Основные признаки, по которым можно определить, что пришло время технического обслуживания и регулировки сцепления ГАЗ-53, знает любой, кто в течение нескольких лет эксплуатировал этот автомобиль. Если же вы начинающий водитель, следует обратить внимание:

  • На подозрительный шум или треск в момент переключения передач.
  • Ведения сцепление – это когда механизм невозможно включить полностью. (как правило, эта неисправность сопровождается невозможностью включить определенную передачу на работающем двигателе, шумом, треском и увеличением свободного хода педали).
  • Запах гари в салоне.
  • Пробуксовку сцепления на больших оборотах (обычно водитель замечает тот же запах гари в салоне, недостаточную динамику, перегрев двигателя и повышенный расход топлива).
  • Также регулировка необходима, если вы заметили, что изменился свободный ход педали сцепления.

Схема сцепления ГАЗ 43

И еще следует знать, что все эти признаки могут говорить о совершенно различных неисправностях в работе сцепления ГАЗ 53. Разобраться, что барахлит конкретно, поможет регулировка механизма.

Регулировка сцепления

Итак, прежде чем приступить к регулировке сцепления, дабы убедится в том, что она необходима нужно, произвести следующие измерения:

  1. С помощью рулетки или линейке измеряем полный ход педали (в норме 145-160 мм).
  2. Далее, таким же образов выясняем величину свободного хода педали (в норме для сцепления ГАЗ 53 12–28 мм).

Какой Стороной Ставить Диск Сцепления Газ 53

Регулировка сцепления газ 53 своими руками

Тележка с диском и сцеплением ГАЗ-53

сцепление GAZ Truck 53 — проблемное место с точки зрения поломок, часто требующее ремонта. Существует ряд факторов, которые вызывают различные неисправности:

  • Машина периодически загружается сверх нормальных пределов и эксплуатируется в сложных дорожных условиях;
  • Дизайн диска сцепления далек от совершенства;
  • Качество деталей оставляет желать лучшего.

Пример сцепления, установленного на автомобиле ГАЗ 53

устройство

Сцепление ГАЗ 53 сухое, с одним приводом и одной главной пластиной сцепления. Вся система сцепления включает в себя следующие элементы:

  • Корзина сцепления (диск привода);
  • диск сцепление (ведомое);
  • Отпустите подшипник сборка (сам подшипник и муфта);
  • Вилка;
  • Склад;
  • Трубки и шланги;
  • Рабочий цилиндр сцепления;
  • Главный цилиндр сцепления.

Вернуться

Сбои

Если сцепление перестает работать, вы можете понять следующие симптомы:

  • Невозможно включить любую скорость;
  • На передачу влияют хруст и хрипы;
  • Педаль нажимается очень легко и выходит из строя;

Причиной может быть любая деталь, но признаки отказа характерны:

  • Главный цилиндр неисправен — педаль выходит из строя, нажимается слишком легко, сцепление периодически исчезает;
  • Рабочий цилиндр неисправен — педаль поднимается со штангой, нажимается не полностью. Если цилиндр течет, а жидкость исчезает, будет трудно включить любую скорость;
  • Лапы корзины сцепления не отрегулированы — машина начнет дрожать, дергаться. Если регулировка серьезно нарушена, при запуске может возникнуть трещотка, и в некоторых случаях ее невозможно будет сдвинуть. При «дрожании» автомобиль может заводиться даже через сложенный диск сцепления;
  • Лапки сцепления сломаны — скорее всего, они не смогут двигаться;
  • отдельный диск сцепления — скорости включены, машина на месте и не едет;
  • Вилка сцепления сломана — педаль нажата, нормального нажатия нет;
  • Прокладки пластин сцепления взорвались — машина скользит, не едет нормально, обороты «ревут», но мощности нет. Прокладки также можно смазать, стоит обратить внимание на утечку масла из заднего главного подшипника коленвала — на «газонах» это болезнь;
  • Выжимной подшипник заклинило или начинает издавать шум — шум возникает при нажатии педали. Застрявший подшипник вызывает быстрый износ лапок сцепления. Еще один признак — дым и испарение в области «колокола» двигателя (корпуса сцепления).

В общем, вариантов много, но основные из них уже перечислены.

ГАЗ-53 оснащен однодисковой сухой муфтой, на ведомом диске которой установлено демпфирующее устройство.

https://www.youtube.com/watch?v=aKfokdGzwiI

В последние годы на рынке газонов появились корзинки для газонов; они удобнее корзин для ног, так как не требуют регулировки. Но являются ли они более надежными, это другой вопрос. И корзины с лапами лучше, потому что их всегда можно починить — наборы для ремонта рычажных корзин продаются в каждом специализированном магазине и стоят недорого.

  • Замена Мотор Редуктора Печки Ваз 2110
  • Opel Astra J Перегрев Двигателя
  • Как Промыть Систему Охлаждения От Ржавчины
  • Замена Прокладки Гбц Опель 1.8
  • Настройка Бортового Компьютера На Volkswagen Поло

Ножная корзина установлена

неполная занятость

Если какое-либо из зубчатых колес трудно заблокировать и даже с шумом, вполне вероятно, что сцепление отключено не полностью, что может произойти из-за большого свободного хода вилки сцепления.

В этом случае вам просто нужно настроить свободную игру. Это может быть связано с искажением ведомого диска. Лучше поменять на новый. Вы также можете попробовать отрегулировать относительное положение концов рычагов сцепления или очистить пазы.

Замена пружин и колодок

ГАЗ-53 начал ускоряться медленнее, чем обычно, он не набирал необходимой скорости и трудно преодолевал подъем, что свидетельствует о неполном включении сцепления.

Какую сторону установить диск сцепления на? Каждый найдет ответ на свой вопрос

Это видео рассказывает и показывает, как устанавливать диск сцепления прямо на любой машине.

Установить диск сцепления

Набор неметаллической механики (кретины) диск сцепления наоборот и вместо положил обычный.

Это может произойти, если пружины перестали нажимать с достаточным усилием, то их необходимо будет заменить.

Обратите внимание, что фрикционные накладки могут быть жирными или изношенными. Если они не жирные, просто промойте их керосином и протрите тонкой кожей.

При сильной смазке рекомендуется заменить либо фрикционный диск, либо прокладки. Отсутствие свободного хода вилки сцепления сцепления также приводит к этим последствиям. Муфта резко закрывается, это может быть связано с износом фрикционных колодок, которые необходимо заменить с ведомым диском или без него.

Другие вопросы

Другие симптомы и их лечение такие же, как и в случае неполного вовлечения. Если в сцеплении есть скрип, рекомендуется смазать или заменить выжимной подшипник сцепления. Вы также можете проверить состояние устройства демпфера.

регулирование

Если ваша лапа сжимается, вы можете попробовать ее отрегулировать. Есть два способа отрегулировать ваши ноги на рабочей машине, первый — как «книга», второй часто используется в автосервисе.

  1. Мы поставили машину в яму.
  2. Снимите поддон корпуса сцепления.
  3. Снимите заглушку сцепления, чтобы она могла дотянуться до лап.
  4. Мы берем катанку (немного длиннее спички) и используем ее как измерительный инструмент. Прокрутите маховик, выберите наименее висящую ногу и измерьте с помощью стержня его высоту от маховика.

    Две другие ноги должны быть установлены на одной высоте. Поверните гайки в нужном направлении для регулировки, гайки находятся снаружи возле выступов.

  5. Установив все рычаги (лапы) на одинаковом расстоянии, мы проверяем работу сцепления на ходу. Если все настроено правильно, обязательно закрепите регулировочные гайки на корзине.
  6. Установите корпус картера сцепления. Работа сделана.

Первый способ не всегда способен регулировать сцепление. Дело в том, что ножки уходят в игольчатые подшипники, и в связи с этим может возникнуть износ. Тогда второй метод корректировки будет несколько более эффективным. Все операции выполняются одинаково, только суть самой корректировки немного отличается.

  • Белый Дым Из Выхлопной Трубы Дизельного Двигателя
  • Порядок Подключения Высоковольтных Проводов Ваз 2106
  • Пассат Б6 Какой Двигатель Лучше
  • Сколько Катализаторов На Форд Фокус 3
  • Как Настроить Часы В Ниссан Кашкай
  • Как Проверить Задние Стойки Ваз 2110

Работа здесь должна быть сделана вместе:

  • Мы готовим набор автомобильных датчиков для регулирующих клапанов;
  • Также снимите поддон сцепления;
  • Сложить в несколько зондов и калибровать примерно 1,5 мм;
  • Один участник нажимает и удерживает педаль сцепления, второй между диском и маховиком помещает зонд под каждую ногу;
  • Под каждой ногой зонды должны входить плотно, с равным усилием. Устанавливая промежутки таким образом, мы проверяем, что операция не выполняется;
  • И не забудьте затянуть регулировочные гайки.

Если диск не изогнут и лапы не изношены, второй метод помогает правильно отрегулировать захват с первого раза.

Замена корзины сцепления или диска

Узнав, что корзина или диск неисправны, мы меняем сцепление:

  • Мы поставили машину в яму;
  • Снимает рычаг переключения передач в салоне;
  • Выкрутите приводной вал целиком и снимите его сбоку. Маркировка предварительно установлена ​​на задней поперечине кардана и на фланце задней оси. Установка вала в одном положении позволит избежать вибрации после сборки;
  • Снять заглушку выходного подшипника.
  • Отсоединяем ручник от коробки передач;
  • Снимите гайки крепления коробки передач и снимите ее;
  • Удалить кастрюлю корпус сцепления;
  • Открутите шесть крепежных болтов корзины сцепления. Чтобы все открутить, вам нужно будет провернуть маховик двигателя.

Сцепление снято. Все перевернуто, но для центровки диска сцепления требуется оправка. Можно использовать старый входной вал от редуктора 53, 3307, газ 66. При установке корзины болты должны вращать маховик равномерно, по кругу. И вам не нужно затягивать болты сразу от одного края до конца, сначала вам нужно купить все шесть крепежных элементов.

Цены на запчасти

С запчастями для грузовика проблем нет, запчасти можно приобрести в любом магазине, специализирующемся на продаже запчастей ГАЗ. Но цены разные, и кроме фабричной продукции сейчас много неоригинальных товаров. Неоригинальные детали часто имеют низкое качество. Если вы считаете, что замена диска сцепления или корзины сцепления отнимает много времени, то лучше сразу покупать качественную продукцию.

Как купить качественные запчасти?

  • Не поддавайтесь соблазну подозрительно низкой ценой, вряд ли качество «дешевого» будет нормальным;
  • Лучше делать покупки в специализированном магазине, который продает специализированные продукты;
  • Товар должен иметь собственную упаковку, в случае сомнений вы можете попросить продавца показать сертификат качества на товар;
  • Вы должны хранить товарный чек в течение гарантийного периода на товар.

Новая корзина сцепления для ГАЗ 53

  • Ведущий диск (корзина) — 1850-4000 рублей;
  • Ведущий диск (корзина) лепестка –2500-2500 руб .;
  • Ведомый диск — 700-1500 рублей;
  • Ножки сцепления (3 шт., В комплекте с игольчатыми подшипниками) — 350-500 руб .;
  • Рабочий цилиндр — 370-480 руб .;
  • Главный цилиндр — 350-500 руб .;
  • Выходной подшипник вилки — 150-250 рублей;
  • Выпуск подшипникового узла с муфтой — 200-270 руб.

При замене диска сцепления и корзины сцепления обратите внимание на состояние рабочей поверхности маховика. Когда диск сильно изношен, он «съедает» этот самолет и устанавливает новый диск сцепления иногда не решает проблему.

Процесс установки сцепления на ГАЗ 53

  • Отшлифуйте поверхность на фрезерном станке (передайте в компанию);
  • Купить новый маховик.

Новый маховик стоит дорого (3000-4000 руб.), Можно попробовать поискать б / у запчасти. Но в замене есть одно предупреждение — может быть вибрация. Поэтому, резьба самолета будет более разумным решением.

Регулировка сцепления на ГАЗ 53, регулировка и замена

Регулировка сцепления газ 53 своими руками

Регулировка сцепления газ 53. инструкция по ремонту и замене. Технические характеристики механизма и ситуации когда следует обратиться к специалистам.

Газ 53 – легендарный советский грузовик выпускался с 1961 года. Последняя модель с конвейера сошла в 1992 году. Всего за это время выпущено почти 4 миллиона образцов. Удивительно, но факт – самому новому автомобилю этой модели сейчас почти 25 лет, а их по-прежнему активно используют.

Чаще всего по причине преклонного возраста ГАЗ-53 можно встретить в сельской местности на фермах или иных предприятиях аграрного сектора. Техника за годы эксплуатации зарекомендовала себя как по-настоящему рабочая лошадка и владельцы не торопятся расставаться с ней. В общем-то, это и не удивительно, ведь автомобиль оснащен мощным двигателем, а на шасси можно устанавливать фургон или холодильник. Поэтому применений для ГАЗ 53 нашли великое множество, а автомобили испытывали колоссальные нагрузки.

Учитывая естественный износ узлов и агрегатов автомобиля, ни для кого не секрет, что технику частенько приходится ремонтировать. Проблемы, как правило, возникают с двигателем и трансмиссией, причем особое внимание специалисты советуют уделять сцеплению ГАЗ-53. Периодическая регулировка механизма гарантия того, что вам долгое время не придется устранять неисправности как самого сцепления, так и иных узлов трансмиссии.

Сцепление ГАЗ 43

Дополнительный уход за сцеплением

Впрочем, основными мероприятиями ограничиваться все-таки не стоит для больше сохранности механизма и гарантии его долговечности следует выполнять еще несколько процедур:

  • Обязательно при проведении каждого техобслуживания необходимо смазывать упорный подшипник муфты сцепления.
  • При помощи колпачковой масленки смазывайте и подшипник выключения сцепления, который расположен сверху картера. Туда необходимо выжимать не менее 3 масленок, иначе смазка просто не попадет на подшипник.
  • Как можно реже пользуйтесь пробуксовкой сцепления для снижения скорости или во время стоянки на светофоре или перекрестке. Чем дольше держать педаль отжатой, тем быстрее изнашивается механизм.

Когда лучше обратиться к специалистам

Если вы только начинающий водитель и не владеете необходимыми слесарными навыками, лучше всего в первый раз не браться за регулировку сцепления самостоятельно. В случае даже незначительной ошибки при сборе механизма после обслуживания, возможны механические повреждения дорогостоящих элементов трансмиссии. Для начала лучше обратиться в техцентр и посмотреть, как работу выполняют квалифицированные механики. После получив, практические знания регулировку сцепления можно будет выполнять и собственными силами.

Вам также может понравиться

Регулировка сцепления на газ 53, регулировка и замена — Автомеханик

Регулировка сцепления газ 53 своими руками

ГазКак отрегулировать сцепление на газ 53

Если нарушается регулировка свободного хода педали сцепления, авто перестает нормально передвигаться, возникают различные проблемы – становится невозможным тронуться с места, передачи переключаются с хрустом, также машина может буксовать и плохо разгоняться. В этой статье мы рассмотрим:

  • какие бывают неисправности сцепления;
  • как правильно производить его регулировку;
  • основные причины поломок;
  • как регулируется сцепление на различных моделях автомобилей.

Основные признаки неисправного привода сцепления

Сцепление в автомобиле служит для соединения и разъединения двигателя с трансмиссией, это необходимо для включения передачи, понижающей или повышающей. Соединяющий узел коробки передач с мотором может быть с механическим и гидравлическим приводом:

  • механика управляется с помощью тросика;
  • в гидравлическом приводе присутствует главный и рабочий цилиндры.

Любой привод имеет возможность регулировки, и с помощью штока или троса педаль сцепления (ПС) можно поднять выше или опустить.

У каждого сцепления обязательно должен быть небольшой свободный ход, если он слишком большой, то:

  • ПС берет в самом конце хода педали, и выжима не хватает, чтобы нормально переключать передачи;
  • автомобиль начинает ехать, даже если педаль находится у самого пола;
  • при низком положении ПС может выйти из строя коробка переключения передач.

Если ПС поднята слишком высоко, и свободный ход педали практически отсутствует, возникают другие проблемы:

  • автомашина буксует, при этом плохо разгоняется;
  • начинает гореть диск сцепления (ДС), и он не обеспечивает надежного соединения ДВС с КПП.

Основные признаки неисправного механического привода (тросового):

  • выжим очень тугой, или при нажатии педаль не прожимается вовсе;
  • ПС полностью опущена, она лежит на полу;
  • педаль нажимается очень легко.

В тросиком приводе могут быть следующие причины неисправности:

  • трос сцепления (ТС) закис в обойме, поэтому с трудом в ней «ходит»;
  • ТС расплелся, и обрывки проволоки не дает тросу передвигаться в оплетке;
  • трос попросту оборвался.

В гидравлическом приводе также есть свои неисправности, есть и признаки неисправного состояния:

  • педаль проваливается с первого раза, и начинается брать лишь со второго или третьего качка;
  • ПС становится «ватной», пропадает эффективность выжима;
  • где-то в середине хода педаль встает колом.

Так же как и в тросиковом приводе, ПС может очень легко нажиматься или не прожиматься вовсе.Основные неисправности в гидравлическом приводе:

  • потек рабочий цилиндр;
  • перепускают клапана в главном цилиндре;
  • полностью вытекла вся тормозная жидкость;
  • разрегулировался шток (ослабла контргайка, регулировка нарушилась).

Проверка и регулировка сцепления авто марки Газель

Коммерческие автомобили Газель оснащаются гидравлическим приводом сцепления, На этой машине свободный ход педали можно отрегулировать только двумя способами:

  • удлинить или укоротить шток, находящийся у самой ПС в салоне авто;
  • поставить удлиненный или регулирующийся шток между рабочим цилиндром и вилка сцепления (ВС).

По мере износа диска сцепления начинает увеличиваться свободный ход педали, и в таком случае требуется регулировка. Если этот свободный ход слишком большой (более одной трети всего хода),

его регулирование производится штоком в салоне:

  • ослабляется контргайка;
  • шток выкручиваются в сторону увеличения хода;
  • при поднятии педали на нужную высоту шток фиксируется затягиванием контргайки.

Проверить состояние деталей Газель можно внешним осмотром, для этого нужно поставить машину на яму или подъемник, произвести осмотр снизу:

  • рабочий цилиндр сцепления (РЦС) не должен иметь подтеков;
  • ВС не должна иметь трещин, а также изогнутости.

На автомобилях Lada Priora и Kalina устанавливается механический привод сцепления, выжим осуществляется за счет троса. По мере износа ДС свободный ход педали увеличивается, и тогда требуется регулировка.

Регулирование троса на моделях Лада производится под капотом, она осуществляется двумя гайками, которые крепятся на кронштейне коробки передач. Регулируем сцепление следующим образом:

  • демонтируем корпус воздушного фильтра, он мешает добраться до тросика;
  • ослабляем гайки и подтягиваем трос ту гайку, что на рисунке внизу со стрелкой, раскручиваем, а другую гайку подтягиваем. Таким образом, мы убираем увеличенный ход, приводим его в норму;
  • убедившись, что педаль нажимается нормально (свободный ход отрегулирован), с усилием затягивают гайки.

Регулирование ТС ВАЗ 2110 выполняется точно так же, как и на Лада Приора или Калина, также регулируется сцепление на «девятках» и «восьмерках».

Регулировка сцепления на внедорожниках УАЗ

На старых моделях, таких как УАЗ 452 «Буханка» или УАЗ 469 «Козлик», регулирование производится с помощью штока, который находится между вилкой и рабочим цилиндром. На многих моторах УМЗ этих машин устанавливается лапковое сцепление, и регулировка также может производится рычагами лапкового типа, которые имеются на корзине (ведущем диске) сцепления.

Отрегулировать лапки можно как на снятой корзине, так и в составе автомобиля. На снятых деталях операцию производим в следующем порядке:

  • устанавливаем корзину с ДС на маховик, затягиваем корзину болтами;
  • расконтриваем регулировочные гайки;
  • штангенциркулем измеряем расстояние от конца рычагов до маховика, с помощью регулировочных гаек выставляем одинаковое расстояние;
  • согласно книжной инструкции расстояние между маховиком и лапкой должно быть 51,5 мм при условии, что толщина диска составляет 9,5 мм;
  • контрим гайки, на это процедуру регулировки можно считать законченной.

Также лапки отрегулировать можно прямо на машине, не снимая сцепления. Поступаем следующим образом:

  • ставим автомобиль на яму, снимаем нижний поддон картера сцепления;
  • берем деревянный прутик длиной 70-80 мм, по линейке или штангенциркулю отмечаем на пруте расстояние 51,5 мм, можно немного неточно, все равно окончательную регулировку делаем с помощью штока;
  • проворачиваем маховик так, можно было добраться до лапки;
  • расконтриваем и поворачиваем регулировочную гайку, по прутику выставляем 51,5 мм;
  • проворачиваем дальше маховик, проделываем такую же процедуру с двумя другими лапками;
  • прежде чем все собирать назад, садимся за руль, запускаем мотор и проверяем, трогаясь с места, как себя ведет машина;
  • если все нормально, не забываем законтрить гайки и установить на место поддончик.

Когда лапки ведущего диска УАЗ изношены, некоторые автовладельцы, чтобы не ремонтировать корзину и еще немного поездить, подставляют под все ее крепежные болты шайбы одинаковой толщины.

Есть еще один способ регулировки лапок, но его нужно проводить вдвоем. Работа выполняется следующим образом:

  • один из участников операции садиться на руль и до конца выжимает сцепление;
  • второй из участников проворачивает маховик, расконтривает лапки, проводит регулировку, устанавливая зазор между маховиком и диском сцепления 1,5 мм, для этого понадобится набор щупов, которыми регулируют клапана в двигателе;
  • зазор может несколько отличаться от 1,5 мм, здесь важно, чтобы все лапки были отрегулированы на одинаковом расстоянии;
  • закончив регулировку, проверяем сцепление, пробуя стронуться с места. Если автомобиль трогается плавно, контрим гайки, ставим нижний поддончик картера на место.

Нужно отметить, что хотя последний способ и считается народным, тем не менее, такая регулировка получается наиболее точной.

Проверка и регулировка сцепления на авто ВАЗ 2107

Так же как и на многих автотранспортных средствах, регулировка свободного хода педали сцепления ВАЗ 2107 выполняется из салона автомобиля.

Регулируется он регулировочным винтом, который находится рядом с ПС, по инструкции свободный ход должен составлять от 30 до 35 мм.

Но не всем водителям нравится делать так, как написано в инструкции, и многие настраивают педаль, исходя из своих предпочтений.

Особенности регулировки сцепления Рено Логан

Регулируется трос гайкой, которая находится на самом тросу, она расположена рядом с вилкой сцепления. По заводским условиям для неизношенного ДС трос должен иметь длину между кронштейном КПП и вилкой 86 плюс-минус 5 мм, какие должны быть расстояния, показано на рисунке снизу.

Со временем диск сцепления изнашивается, становится тоньше. Из-за этого ПС поднимается, и требуется отрегулировать свободный ход.

Установив необходимое положение ПС Логан, фиксируем контргайкой натяжку троса. Проверяем автомобиль на ходу, если свободный ход не устраивает, повторяем операцию.

Регулировка сцепления на автомобилях Хендай

Привод сцепления на автомашинах Hyundai  – гидравлический, переключение передач на КПП – тросовое. Гидравлическим приводом оснащены автомобили Хендай Getz, Elantra, Accent, Tucson, Solaris и др.

Практически на всех моделях Hyundai регулировка педали сцепления производится из салона. Например, на авто Hyundai Акцент ПС соединяется с главным цилиндром, между этими деталями устанавливается шток, который может регулироваться.

Свободный ход ПС регулируем этим штоком:

  • ключом на 12 мм ослабляем контргайку;
  • ключиком на 6 мм поворачиваем шток, установив нужное положение педали;
  • затягиваем контргайку.

Как регулируется свободный ход педали на автомобилях Ниссан

По мере износа деталей сцепления (диска и корзины) у ПС меняется величина свободного хода, и поэтому требуется его регулировка.

На авто Ниссан привод сцепления может быть разным – механическим и гидравлическим, поэтому регулировка ПС производится неодинаково.

Например, на автомашинах Nissan Sunny в кузовах N13 и N14, Almera, Primera устанавливается трос, авто Qashqai, Tiida, Альмера Классик, Note, Maxima оснащаются гидравлическим приводом.

Впрочем, гидропривод может устанавливаться и на Sunny или Primera, многое зависит от типа двигателя, поколения модели. «Гидравликой» на Ниссан обычно оснащаются авто с более мощными ДВС (2.0/ 2.5/ 3.0 л), с тросом сцепления идут автомобили с моторам 1.4/ 1.5/ 1.6 л.

  • На авто Ниссан N14 трос регулируется в районе вилки сцепления, регулировочный механизм находится в самом конце троса.
  • Такой же тросик устанавливается и на Альмеру, а чтобы его укоротить при изношенных накладках ДС, хозяева машин подкладывают шайбы, и в таком случае он уже не фиксируется контргайкой.
  • Как и на авто марки Хендай, ГЦС на «Ниссанах» располагается рядом с педалью, между собой эти детали соединяются штоком, на котором имеется регулировка.

Чтобы отрегулировать свободный ход ПС на Nissan Almera N16 (Classic), потребуются ключи на 12 и 6. Для выполнения операции ослабляем контргайку на 12, затем ключом 6 мм поворачиваем шток в нужном направлении. Выставив удобное положение ПС, туго затягиваем контргайку – если она раскрутится, вся настройка собьется.

Что нужно знать о неисправностях сцепления

  1. Если в процессе эксплуатации авто ПС стала постепенно уходить вверх, скорее всего, изношены накладки ведомого диска.
  2. Когда сцепление буксует, в салоне пахнет горелыми накладками (феродо). Проверить изношенность накладок достаточно просто: ставим машину на «ручник», запускаем мотор, выжимаем сцепление, прибавляем газ, плавно отпускаем ПС. Если двигатель почти не сбавляет обороты, накладеи диска изношены. Если ДВС глохнет, сцепление в порядке.
  3. Пробуксовка может происходить не только из-за изношенных фрикционных накладок диска, на корзину и диск может попадать масло.

    Чтобы проверить догадку, необходимо установить автомобиль на подъемник или яму, произвести внешний осмотр двигателя и КПП снизу. Попадает в сцепление масло через сальник первичного вала КПП, через задний сальник ДВС.

  4. Если ПС встала колом, то это может быть: закисла вилка, заклинил поршень в рабочем цилиндре, вилка слетела со ступицы выжимного подшипника (на двигателях ЗМЗ-402, УМЗ различных моделей).
  5. Если ПС стала «ватной», а чтобы нормально переключить передачу, необходимо два раза выжимать педаль сцепления, значит, стали перепускать клапана главного цилиндра.

    В этом случае необходим ремонт ГЦС или его замена.

Источник:

Сцепление ГАЗ-53 львовских погрузчиков

Сцепление ГАЗ-53 автопогрузчиков АП-40810, 40816, 40811, 41015 однодисковое (рис. 4.1), сухое, рычажное, с периферийными нажимными пружинами и гасителем крутильных колебаний. Сцепление выключается от нажатия подшипника муфты 7 на три рычага 5.

Одновременность нажатия подшипника муфты 7 выключения сцепления на все рычаги регулируется гайками 6, которые после регулировки кернятся.

Рис. 1. Сцепление погрузчиков АП-40810, 40816, 40811, 41015

1- маховик; 2- картер; 3- диск ведомый; 4-диск нажимной; 5- рычаг; 6- гайка регулировочная; 7- муфта; 8- масленка; 9- вилка; 10- пружина нажимная; 11-кожух; 12- вал коробки передач; 13- вал коленчатый. А – зазор (2,5…3,0) мм Между концами рычагов 5 нажимного диска (корзины) и подшипником выключения сцепления должен быть зазор А, равный (2,5…3) мм.

Этот зазор обеспечивается свободным ходом наружного конца вилки 9 в пределах (4…5) мм и соответствует свободному ходу педали (29…35) мм.

Ссылка на основную публикацию
Похожее