Россия, Алтайский край, Новоалтайск, Октябрьская улица
Телефон:
+7 (385) 324-67- Показать номер
Пн-чт: 08:00—18:00; пт: 08:00—17:00
whatsapp telegram vk email

Регулировка сцепления дз 98 своими руками

Как правильно отрегулировать сцепление в автомобиле?

Регулировка сцепления дз 98 своими руками

После ремонта или замены сцепления, а иногда при эксплуатации автомобиля передачи перестают переключаться четко и плавно, машина дергается, при трогании с места пробуксовывает. Это происходит из-за неотрегулированного сцепления, об этом и расскажем в нашей статье.

Регулировку сцепления можно проводить самостоятельно

Основные признаки, по которым можно понять, что пора регулировать сцепление

Примерный интервал пробега, через который рекомендуют проводить проверку и настройку работы сцепления – 10 000 километров. Стоит свериться с графиком обслуживания авто, установленным заводом-изготовителем, – здесь могут быть указаны другие цифры.

Регулировка сцепления обязательна после замены/ремонта сцепления или его элементов, например, приводящего троса. Процедура требуется даже при подозрениях на отклонение амплитуды педали от нормальных показателей:

  • авто трогается с места рывками;
  • педаль сцепления западает или “ходит”с трудом;
  • уровень жидкости в гидравлическом приводе снижается;
  • при переключении передач вы замечаете удары, шум и вибрацию.

Убедиться, что сцепление нуждается в регулировке, поможет простой тест. Заводим двигатель, плавно отпускаем педаль сцепления и медленно трогаемся. Если машина осталась на месте, когда сцепление полностью отпущено, значит, ход педали увеличен. Если машина начала движение еще до того, как вы сняли ногу с педали, её ход чересчур мал.

Что будет, если вовремя не отрегулировать сцепление?

Сцепление, которое вовремя не отрегулировали, быстро выйдет из строя, так что скоро его придется ремонтировать или полностью менять. При повышенном ходе педали сцепление выключается не до конца, его диск постоянно прижат к маховику двигателя. При малом ходе у сцепления нет возможности включить ведомый диск до конца, что ведет к пробуксовке и отсутствию крутящего момента.

Управлять автомобилем с неотрегулированным или неисправным сцеплением опасно и чревато аварией!

Отсутствие регулировки – причина быстрого выхода сцепления из строя

Можно ли самостоятельно отрегулировать сцепление?

С регулировкой сцепления можно справиться без обращения в техцентр. Но если вы не уверены в причинах проблемы, у вас нет нужных инструментов и раньше с ремонтом авто не сталкивались, доверьте работу профессионалам.

Для регулировки сцепления вам потребуются линейка, жидкая смазка, плоскогубцы и рожковые ключи двух размеров – 17х14 и 13х14.

Этапы регулировки сцепления

Чаще всего на современных автомобилях установлены сцепления двух видов:

  1. с приводом механического типа – вилка сцепления соединяется с педалью в салоне с помощью троса;
  2. с приводом гидравлического типа – педаль газа с рабочим цилиндром сцепления соединяет трубопровод, заполненный рабочей жидкостью.

Процедура регулировки зависит от типа узла.

Регулируем механическое сцепление

Для начала выясняем, ход педали уменьшается или увеличивается. Жмём на педаль до упора и замеряем, на каком расстоянии от пола она остановилась. Отпускаем педаль и снова проводим замеры. Из второго показателя вычитаем первый. У большинства моделей нормальная амплитуда хода — в диапазоне 12 — 14 см, ее можно уточнить в технических документах. Если цифра меньше, ход педали нужно увеличить, если больше – уменьшить.

После замеров переходим к самой процедуре регулировки:

Этап 1 – открываем капот, находим около рычага трансмиссии шток, который крепит идущий от педали сцепления трос.

Этап 2 – смазываем и ослабляем гайки, которыми закреплен шток, жидкой смазкой.

Этап 3 – с помощью гаечных ключей крутим гайку, которая находился ближе к педали. Если крутить гайку по направлению к педали сцепления, свободный ход педали станет больше, если в противоположном направлении – меньше.

Этап 4 – снова замеряем амплитуду хода педали. Если он в границах нормы, закручиваем до упора вторую гайку – контрольную. Это необходимо для фиксации выполненных регулировок. Если ход все еще слишком большой или маленький, подкручиваем гайку, которая находится ближе к педали.

Проверяем работу сцепления. Педаль должна нажиматься легко, без шума и трения. Автомобиль при старте не должен буксовать или двигаться рывками. Скорости должны переключаться плавно и точно.

Регулируем гидравлическое сцепление

Сцепления с гидравлическим приводом в большинстве своем саморегулирующиеся. Но настроить их вручную тоже можно, если у толкателя на рабочем цилиндре есть резьба и контрольная гайка. Вот как это сделать:

Этап 1 – проверяем уровень рабочей жидкости в сцеплении. Он должен быть на нормальном уровне.

Этап 2 – создаем условия для работы под машиной. Можно поставить автомобиль на рампу или стояки, воспользоваться подъемником или смотровой ямой.

Этап 3 – отыскиваем толкатель рабочего цилиндра.

Этап 4 – отцепляем пружину от вилки плоскогубцами. Отжимаем вилку вперед, насколько это возможно, замеряем расстояние между ней и штоком толкателя. Отпускаем вилку, проводим такие же замеры. Получаем размер зазора сцепления, который сверяем с нормативным. Если он не вписывается в диапазон, указанный в технической документации (обычно около 5 мм), проводим регулировку.

Этап 5 – снимаем пружину, установленную на кронштейн рабочего цилиндра и вилки.

Этап 6 – ослабляем фиксирующую гайку на резьбовом соединении толкателя, крутим регулировочную гайку в направлении рабочего цилиндра для увеличения размеров зазора. Либо в обратную сторону — для их уменьшения.

Этап 7 – затягиваем контрольную гайку, когда размеры зазора станут нормальными.

В конце проводим контрольную проверку работы сцепления.

Гидравлическое сцепление, как и механическое, можно регулировать вручную

На разных марках авто регулировка производится по-разному?

Приведенные выше процедуры универсальны, они могут выполняться на машинах любых производителей. Суть процедуры всегда одна – уменьшить или увеличить ход педали путем натяжения или ослабления троса, либо регулировки гидравлического толкателя.

Но при регулировке сцепления в машинах разных марок могут быть некоторые отличия. Например:

  • нормальные показателям амплитуды хода педали или зазора сцепления;
  • порядок доступа к регулировочной и контрольной гайкам сцепления. Так, в ВАЗ-2114, 2115 придется перед началом работ снять аккумулятор, а в Лада Калина – открутить воздушный фильтр.

Перед началом работ по регулировке сцепления ознакомьтесь с технической информацией о своем автомобиле, инструкцией по эксплуатации и руководством по ремонту. Это позволит выполнить процедуру правильно.

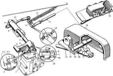
Ремонт сервомеханизма муфты сцепления

Регулировка сцепления дз 98 своими руками

Снимите панели пола в кабине трактора, крышку люка на верхнем кожухе муфты сцепления. Отсоедините от сервомеханизма три гидравлических трубопровода.

Рис. 196. Сервомеханизм муфты сцепления

Вверните до упора в отверстие К ( рис. 196 ) сервомеханизма полый болт 20 крепления сливной трубы после ее отсоединения.

Расстопорите и отверните штуцер рукава подачи смазки от пальца на рычаге муфты сцепления. Отсоедините тягу от рычага муфты сцепления, расшплинтовав и отвернув контргайку и шаровую гайку. Снимите с вала сервомеханизма рычаг в сборе с тягой, ослабив стяжной болт крепления рычага. Отсоедините от рычагов на верхней половине кожуха муфты сцепления тягу блокировки КП, тягу включения шестерни бендикса и тягу тормоза. Отверните болты крепления верхней половины кожуха муфты сцепления ( см. «Механизм управления муфтой сцепления и горным тормозом» ).

Приподнимите верхнюю половину кожуха муфты сцепления так, чтобы корпус сервомеханизма вышел над лонжероном трактора. Ослабьте гайки на четырех шпильках крепления сервомеханизма и выверните шпильки и один (нижний) болт из кожуха муфты сцепления. Шпильки из кожуха выверните при помощи двух гаек, навернутых на их конец и затянутых навстречу друг другу.Снимите сервомеханизм с установочных штифтов, поверните его и выбейте шпонку с конца вала внутри кожуха муфты сцепления. Снимите с трактора сервомеханизм в сборе с валом вместе со шпильками и болтом крепления.

Разборка сервомеханизма муфты сцепления

Расконтрите и выверните пробку 8. Снимите регулировочные прокладки 9. Выверните стопорный винт 7. Отверните четыре болта 10 и выньте крышку 5. в сборе из отверстия корпуса 4 сервомеханизма. Выньте клапан 6 в сборе. Выньте из корпуса пружину 2 и поршень 3 в сборе. Выверните две пробки 13 и выньте золотник 12 из корпуса. Выверните пробку 11.

Выпрессуйте пяту 1 из поршня 3 и втулку 16 с заглушкой 14 из корпуса 4 только при ослаблении посадок или предельном износе внутренних поверхностей. Не снимайте без необходимости крышку 23, так как она вместе с прокладкой 21 установлена на лаке «Герметик». Снимите ролик 19 вала, расшплинтовав и вынув палец 18. Снимите, при необходимости, три уплотнительных кольца 15.

Сверните шток 4 ( рис. 197 ) клапана со стержня 3. Выньте из клапана 1 стержень, шток и пружину 2.

Отверните четыре болта 1 ( рис. 198 ) и снимите крышку 2, воротник 3 и пластину 4. Выньте из отверстия крышки 7 манжету 5 и манжетодержатель 6. Снимите, при необходимости, уплотнительное кольцо 8.

Технические требования сервомеханизма муфты сцепления

  1. Наружный диаметр посадочных поверхностей вала во втулках корпуса сервомеханизма и кожуха муфты сцепления 35±0,87 мм- Диаметр отверстий во втулках — 35±0,16 мм. Посадка вала во втулках должна быть с зазором 0,025…0,247 мм. Допустимый зазор 0,4 мм. Предельный зазор 0,55 мм.
  2. Диаметр отверстий в проушине вала под ось ролика 12±0,120 мм.Диаметр оси ролика 12мм-Посадка оси ролика в отверстиях проушины вала должна быть с зазором 0,020…0,340 мм. Допустимый зазор 0,44 мм. Предельный зазор 0,8 мм.
  3. Наружный диаметр ролика (28±0,52) мм. Диаметр отверстия ролика 12±0,270 мм.

    . Посадка ролика на ось должна быть с зазором 0,020…0,490 мм. Допустимый зазор 0,56 мм.

  4. Диаметр отверстия крышки под клапан 36±0,0б2 мм Наружный посадочный диаметр клапана в отверстии крышки 36мм. Посадка клапана в отверстии крышки должна быть с зазором 0,025…0,149 мм. Допустимый зазор 0,23 мм.
  5. Наружный посадочный диаметр клапана в отверстии поршня 34 мм — Посадка клапана в отверстии поршня должна быть с зазором 0,340…0,532 мм. Допустимый зазор 0,75 мм.
  6. Диаметр отверстия клапана под шток 28 мм Наружный диаметр штока мм — Посадка штока в отверстии клапана должна быть с зазором 0,020…0,124 мм. Допустимый зазор — 0,21 мм.
  7. Наружный диаметр поршня б5 мм. Диаметр отверстия в корпусе сервомеханизма под поршень 65±0,046 мм. Посадка поршня в отверстии корпуса должна быть с зазором 0,030…0,106 мм. Допустимый зазор 0,15 мм.
  8. Кромка Т поршня должна быть обжата шариком Б 50-200 усилием 53,5…66,5 кН (5,35…6,65 тс).
  9. Наружный диаметр золотника 320 мм.

    Диаметр отверстия в корпусе под золотник 32±0,025 мм Посадка золотника в отверстии корпуса сервомеханизма должна быть с зазором 0,025…0,075 мм. Допустимый зазор 0,11 мм.

Сборка сервомеханизма муфты сцепления

Смажьте трущиеся поверхности сопрягаемых деталей чистым моторным маслом. Наденьте на стержень 3 клапана ( см. рис. 197 ) последовательно: клапан 1, пружину 2 и шток 4. Наверните шток на стержень, выдержав размер А, равный (75±2,5) мм.

Установите уплотнительное кольцо 8 ( см. рис. 198 ) в кольцевую канавку крышки 7. Кольцо должно быть упругим, без повреждений, не перекручено и выступать над цилиндрической посадочной поверхностью крышки на 0,75 мм. Установите в крышку 7 последовательно: манжету 6, кольцо 5, пластину 4, воротник 3 и крышку 2. Совместите отверстия крышки 2 и пластины 4 с резьбовыми отверстиями крышки 7 и заверните, не затягивая, четыре болта 1 с пружинными шайбами.

Установите ролик 19 ( см. рис. 196 ) в проушину вала, вставьте и зашплинтуйте палец 18. Установите два уплотнительных кольца 15 в канавки вала. Кольца должны быть упругими, без повреждений, не перекручены и выступать над цилиндрической посадочной поверхностью вала на 0,5 мм.

Обезжирьте уайт-спиритом и протрите привалочные поверхности крышки 23 и корпуса сервомеханизма. Установите крышку с прокладкой 21 на корпус и закрепите четырьмя болтами 22 с гладкими медными шайбами. Прокладку крышки смажьте с обеих сторон лаком «Герметик», а резьбовую часть болтов лаком «Анатерм-8К» Заверните пробку 11. Установите золотник 12 и заверните две пробки 13 с уплотнительными кольцами

Установите вал 17 в сборе в отверстие втулки 16, запрессованной в корпусе сервомеханизма. Вверните полый болт 20 (болт крепления сливной, трубы) р резьбовое отверстие К до упора.

Установите в корпус поршень 3 в сборе с пятой 1, пружину 2, клапан 6 в сборе и крышку 5 в сборе. Закрепите крышку на корпусе четырьмя болтами 10 с пружинными шайбами. Затяните четыре болта 1 ( см. рис. 198 ).

Стопорный винт 7 ( см. рис. 196 ) и пробку 8 устанавливайте после регулирования и испытания сервомеханизма.

Установка сервомеханизма муфты сцепления

Установите на штифты верхнего кожуха муфты сцепления фланцевую прокладку сервомеханизма, смазав ее с двух сторон лаком «Герметик». Вставьте в отверстия корпуса сервомеханизма четыре шпильки с надетыми шайбами и навинченными гайками и один болт с пружинной шайбой (болт ставится в нижнее отверстие). Установите конец вала сервомеханизма с уплотнительным кольцом в отверстие втулки кожуха и, развернув корпус сервомеханизма, забейте шпонку в паз вала.

Установите сервомеханизм на штифты и фланцевую прокладку. Заверните в кожух четыре шпильки и закрепите сервомеханизм четырьмя гайками и болтом. Наденьте и закрепите на валу сервомеханизма рычаг в сборе с тягой, установив конец тяги в проушины рычага муфты сцепления. Установите и закрепите верхнюю половину кожуха муфты сцепления, наверните на тягу шаровую гайку, подсоедините штуцер рукава подачи смазки к рычагу муфты сцепления (см.

«Механизм управления муфтой сцепления и горным тормозом»).

Выверните полый болт 20 ( см. рис. 196 ) и подсоедините к сервомеханизму три гидравлических трубопровода: к отверстию Ё — трубу подвода масла от гидронасоса; к отверстию Е — трубу отвода масла к сервомеханизму бортовых фрикционов; к отверстию К — сливную трубу. Отрегулируйте свободный ход штока клапана сервомеханизма и зазор между штоком и роликом нажимного рычага (см. «Регулирование муфты сцепления, сервомеханизма муфты сцепления и блокировочного механизма»).

Как отрегулировать сцепление

Регулировка сцепления дз 98 своими руками

Сцепление является одной из важнейших частей трансмиссии автомобиля. Благодаря ему удается на некоторое время рассоединить связь коленчатого вала двигателя от первичного вала КПП для регулировки передачи крутящего момента. Педаль сцепления – основное связующее звено между водителем и трансмиссией.

Строение и механизм сцепления

Сегодня на большинстве ТС установлен однодисковый фрикционный тип сцепления, который имеет две основных составляющих: привод и механизм. Первый располагается на статичных частях кузова или рамы. Чтобы кратковременно отсоединить коленчатый вал двигателя от вала КПП, необходимо выжать до упора педаль сцепления, «отключив его». В момент нажатия, шток направляет давление от поршня главного цилиндра к рабочему. Последний перемещает усилие к механизму через вилку выключения и нажимной подшипник. В момент уменьшения давления – пружины возврата привода вернут элементы на исходные места.

Чаще всего на автомобилях можно встретить несколько типов привода:

  1. Гидравлический. В конструкции предусмотрена трубка с высоким давлением рабочей жидкости, которая приводит в действие все механизмы.
  2. Механический. Усилие, с которым выжата педаль, передается тросом на выжимную вилку.
  3. Электрический. Электромотор запускает в действие трос, который действует аналогично механическому приводу.
  4. Пневматический. Чаще всего используется на грузовом транспорте, с целью уменьшить требуемое усилие для выключения педали. В конструкции предусмотрен пневмоусилиель, который оказывает воздействие на клапаны поршней.

Конструкция сцепления в картере состоит из нескольких дисков: ведомый и нажимной. Первый находится на шлицах вала КПП, а второй на кожухе маховика. Отдельно на шаровых опорах есть отжимные рычаги, а ведомый диск соединяется с конструкцией шарнирно.

Ведомый диск статично закреплен между коленчатым валом и нажимным диском при полностью выключенном сцеплении. Сцепленная конструкция передает крутящий момент от коленчатого вала на вал КПП. Когда педаль выжимают, тяга переносится и вилка двигает муфту. Последняя с помощью рычагов отодвигает нажимной диск.

Особенности сцепления в АКПП и МКПП

Сцепление бывает одно- или двухдисковое. В зависимости от принципа работы делится на «влажное» (при наличии масла или смазывающего вещества) и «сухое». Так вот в АКПП чаще всего предусмотрено многодисковое влажное сцепление.

Ввиду отсутствия педали, усилие в АКПП передается сервоприводом, или актуатором. Контролируется вся установка при помощи блока управления и гидравлического распределителя. В МКПП переменно работают два вида сцепления. Актуаторы отличаются принципом действия:

  1. Электрический (иначе – шаговый двигатель). К блоку управления постоянно приходят данные об оборотах двигателя, и при определенном показателе сервопривод получает соответствующий сигнал. Передаточный механизм отсоединяет коленчатый и первичный вал.
  2. Гидравлический – гидроцилиндр. В механизме привода масляный насос передает давление в распределитель, при определенных условиях на сервопривод. После смены передачи усилие насоса снижается.

Причины для регулировки педали сцепления

Важно понимать, что неправильная работа сцепления может практически не создавать проблем при движении, но, тем не менее она значительно сократит срок службы сцепного механизма и коробки передач. Со временем, диски изнашиваются, что увеличивает зазор хода подшипника и дисков.

Можно выделить две основных причины, при которых обязательно необходима регулировка педали:

  1. Замена троса сцепления в механическом приводе или замена рабочего цилиндра. После подобного вмешательства в структуру работы конструкции привода регулировка является обязательной процедурой.
  2. Изменение хода педали. Слишком большой ход может возникнуть со временем износа фрикционных накладок. Во избежание негативных последствий лучше регулярно проводить замеры рабочего хода.

В большинстве иномарок проводить регулировку не требуется, так как в них установлен саморегулирующийся механизм. Отличие конструкции зарубежного производства от отечественного, заключается в некоторых деталях храпового механизма.

Отдельной причиной для регулировки являются перебои в работе КПП. Если нужная передача не включается, или включается проблемно – сцепление недожато. В ином случае, автомобиль может не трогаться при включенном сцеплении. Тогда можно говорить о сильно натянутом тросе механического привода.

Как проверить свободный ход педали

Свободный ход сцепления – промежуток движения педали с момента нажатия до момента срабатывания. Можно заметить, что при нажатии на сцепление, сначала не происходит должного сопротивления, и где-то на середине хода появляется усиление жесткости.

Если транспортное средство трогается сразу при касании на педаль, то лучше произвести регулировку в срочном порядке, поскольку свободный ход полностью отсутствует. В обратном случае – педаль может быть выжата в пол, а автомобиль не трогается с места.

Свободный ход обязателен для всех ручных КПП, поскольку он обозначает зазор меду вилкой, подшипником и рычагами дисков и исключает постоянный контакт подшипника с другими элементами механизма. Важно следить за размером свободного хода, поскольку если он будет излишне большим – полного нажатия не хватит, чтобы передать достаточное усилие для выжима ведущего диска.

Отдельной причиной для проверки свободного хода является шум и рывки при взаимодействии со сцеплением. Произвести замер подобного показателя можно самостоятельно линейкой.

Необходимо замерить перпендикулярное расстояние от пола до нажимной накладки. Далее при аккуратном нажатии на педаль стоит отмерить ход до первого появления сопротивления. Результат необходимо сверить с данными в руководстве по эксплуатации автомобиля.

Общая средняя норма хода сцепления для автомобиля – 160 мм. Профилактику и регулировку рекомендовано проводить каждые 20 тысяч км пробега.

Проверка зазора и регулировка работы вилки сцепления

Чтобы проверить работу вилки сцепления, необходимо найти резьбовые втулки на конце троса сцепления и замерить разницу зазора между ними в состоянии покоя и в утопленном положении. Линейку необходимо расположить около троса и краем корпуса. После того как рычаг выжат до упора измеряется расстояние.

Вторым этапом необходимо вытянуть рычаг и повторить измерение. Показатели сравнивают относительно данных производителя и, в случае необходимости, регулируют. Для этого ослабляют контргайку (у VW – крыльчатая гайка) и выворачивают по мере необходимости, уменьшая или увеличивая зазор. После всех действий плотно фиксируют и несколько раз выжимают педаль сцепления. Чтобы проверить эффективность проведенных действий замеры необходимо повторить и сравнить результаты.

Технология регулировки механического сцепления

Исправная работа сцепления с механическим приводом зависит от болта регулировки. Он находится под капотом рядом с окончанием троса. Ход педали будет меняться относительно поворота гайки в ту или иную сторону.

В идеале, рабочий ход составляет 12–13 см. После окончания работ над гайкой, педаль необходимо трижды выжать и заново произвести замер хода. Если результат не оправдал ожиданий, регулировку повторяют.

Как проверить и отрегулировать сцепление с гидравлическим приводом

Работа механического и гидравлического привода имеют свои конструкторские отличия. В связи с этим, чтобы отрегулировать гидравлическое сцепление необходимо проконтролировать общую длину от штока толкателя до вилки. Согласно нормам, она должна составлять около 5 мм.

Затем отсоединяют пружину от кронштейна рабочего цилиндра. На штоке находится гайка регулировки, отворачивая которую можно изменить ход вилки до необходимого результата. Общие понятия об изменении рабочего и свободного хода могут отличаться в зависимости от производителя транспортного средства. Прежде чем приступать в самостоятельной регулировке, необходимо ознакомиться с мануалом к своему ТС или просмотреть обучающие ролики:

Как видите, особых трудностей в регулировке и настройке сцепления нет. Тем не менее новичку следует внимательно следовать всем инструкциям и советам специалистов. Чтобы получить максимально эффективный результат, лучше предварительно ознакомиться с принципом работы механизма сцепления.

Грейдер дз 98 — Тракторист

Регулировка сцепления дз 98 своими руками

Автогрейдер ДЗ 98 – это специальная строительная техника, предназначенная для выполнения целого ряда землеройных работ. Она эффективно справляется с профилированием территорий, операциями в строительстве и дорожными работами на грунтах любой категории.

Благодаря отменным техническим характеристикам машина многократно занимала первые места в различных соревнованиях. Она обладает высокой массой, что позволяет использовать ее для выполнения тяжелых работ, не зависимо от условий эксплуатации. Для повышения производительности автогрейдера ДЗ 98, он оснащается вспомогательными органами и агрегатами.

Выпускается техника заводом «Челябинские строительно-дорожные машины» (ЧСДМ) с 1978 года. На протяжении длительного времени спецмашины улучшались и модифицировались, что делало их более эффективными и универсальными. Производителем автогрейдера ДЗ 98 является концерн «РМ-Терекс», в состав которого входит ЧСДМ.

Вернуться к навигации

Сферы применения

Техника справляется с различными задачами в строительном, дорожном и коммунальном хозяйстве, прокладке систем ирригации и мелиорации. Работает автомобиль с грунтами любой категории, на аэродромах и в других местах при устройстве дорог, трасс и полос.

Эффективность обеспечивается при использовании тяжелого грейдера ДЗ 98 для:

  • разрыхления всех типов грунтов;
  • разрушения дорожного полотна;
  • создания асфальтобетонной смеси при укладке;
  • выравнивания территорий;
  • уборки снега;
  • транспортировки земли в отвал;
  • производства выемок для возведения магистралей;
  • строительства и ремонта дорог с покрытием из грунта или гравия.

Вернуться к навигации

Особенности и преимущества

Отвал автогрейдера ДЗ 98 можно устанавливать под разным углом и выносить за габариты машины, это обеспечивает простоту управления и маневренность.

Для повышения продуктивности и улучшения качества работы предусматривается установка датчиков, навесного оборудования и системы автоматического контроля его положения, балансиры, рама, вспомогательный датчик.

Улучшенная рама автогрейдера ДЗ 98 дает возможность осуществлять монтаж дополнительного рыхлителя сзади.

Трансмиссия 6х6 с карданным приводом передней оси является одной из особенностей машины. Гидромеханический агрегат гарантирует повышение силы тяги и плавности хода. Благодаря большому количеству преимуществ обеспечивается высокая популярность авто среди российских потребителей:

  • сохранение высоких показателей при температуре -50/+50 градусов;
  • установка дополнительного оборудования;
  • долговечность;
  • простота эксплуатации и ухода;
  • надежность;
  • возможность настройки положения отвала;
  • простота управления;
  • проходимость и маневренность;
  • возможность оперировать грунтами всех категорий.

Вернуться к навигации

Технические характеристики и габариты

К техническим характеристикам автогрейдера ДЗ 98 принадлежат:

АКБ 2х6СТ-190А
КПП полный механический привод с отключаемой передней осью
количество скоростей по 6 вперед и назад
промежуточные скорости карданные
стартер 8,2 кВт и 24 В
скорость передвижения 47 км/ч
гидронасосы 1-рядный привод, упругая муфта соединения
нагрузка на основание 103 кН (отвал) и 45,4 кН (кирковщик)
радиус разворота 18 м
масса автогрейдера ДЗ 98 19,5 т
нагрузка на переднюю/заднюю ось 5,66/13,85 т
подъем 15 градусов
сцепление сухое, замкнутое, с тормозным управляемым валом
редуктор 1-рядный с «ручником» для двух задних мостов

Габаритные размеры автогрейдера ДЗ 98 составляют 10,8 м х 3,22 м х 4 м. Длина колесной базы равна 6 м, а ширина колеи впереди/сзади – 2,62-2,7 м / 2,5-2,58 м.

Размеры

Отдельные размеры автогрейдера ДЗ 98 могут отличаться в зависимости от положения отвала и места замера. Это касается и клиренса:

  • 0,35 м – транспортное положение;
  • 0,395 м – под подвеской задней и передней оси;
  • 0,44 м – под задней осью;
  • 0,615 м – под передней осью.

Вернуться к навигации

Двигатель

В зависимости от модификации могут устанавливаться несколько видов дизельных агрегатов:

  • двигатель автогрейдера ДЗ 98 ЯМЗ-238НДЗ (173 кВт или 240 л.с. на 1700 об/мин). Он соответствует нормам Евро-1 и характеризуется долговечностью;
  • мотор ЯМЗ-236НЕ2 (169 кВт или 230 л.с. на 2100 об/мин);
  • установка Cummins М-11С265 (202 кВт или 275 л.с. на 1700 об/мин). Он соответствует стандарту Евро-1.
  • Средний расход топлива грейдера ДЗ 98 равен 220 г/кВтч.
  • Вернуться к навигации

Ходовая часть

Стандартно устанавливается КПП автогрейдера ДЗ 98 с 6 ступенями в обоих направлениях, что позволяет быстро и эффективно справляться с поставленными задачами.

При работе в сложных условиях изготовитель рекомендует применять механическую трансмиссию, что позволяет создать запас мощности и повысить работоспособность. Вперед машина может двигаться со скоростью 41 км/ч, назад – 47 км/ч.

КПП оборудуется полным приводом или только на заднюю ось.

В состав трансмиссии входят:

  • промежуточные карданные скорости на осях;
  • «ручник» ленточный;
  • раздаточная КПП для привода двух осей с «ручником»;
  • сухое 2-дисковое сцепление замкнутого типа с гидравлическим сервоприводом и тормозным механизмом;
  • 1-рядный редуктор привода гидравлических насосов с упругой муфтой.

Ходовая часть автогрейдера ДЗ 98 с приводом 1х3х3 устанавливается на три ведущих моста. Передняя ось управляется рулевым колесом. передача представлена коническим 1-ступенчатым агрегатом.

В состав «ходовки» не входят дифференциалы, а полуоси монтируются ненагруженного типа. Тормозные агрегаты многодисковые, функционируют они в масле, производятся из металла и керамики.

Для повышения эффективности и тяговых характеристик предусматривается использование цилиндрических 1-ступенчатых боковых редукторов.

Подвески пары осей произведены с балансирами в виде штанг, а противовесом служит шарнир на передней оси. Они предназначены для прокачки в разных направлениях. «Ручник» способен удерживать машину на уклоне основания до 15 градусов.

Коробка передач автогрейдера ДЗ 98 позволяет развивать довольно большую скорость, а для полной остановки потребуется 15 м при условии движения на 30 км/ч.

Вернуться к навигации

Кабина оператора

Дизайн кабины напоминает шестигранник, что гарантирует большой угол обзора и безопасность. Верхнюю часть агрегата можно поставить и снять в любое время, что обеспечивает удобство транспортировки на низкорамном трейлере или в фургоне.

Внутреннее пространство характеризуется комфортом и эргономичностью. Сидение имеет возможность регулировки в нескольких направлениях. Опционально устанавливают кондиционер, который создает требуемый микроклимат в жаркое время года.

Отменные технические характеристики грейдера ДЗ 98 сохраняются при работе в любом климате. Для оптимизации работы грейдера предусмотрен монтаж вспомогательных агрегатов и функций. Для южных районов потребуется кондиционер, а для северных – предпусковые нагреватели, дополнительная изоляция салона и отопительная система высокой мощности.

Вернуться к навигации

Удобство эксплуатации и обслуживания

Устройство автогрейдера ДЗ 98 предполагает простой доступ к основным точкам обслуживания. Под капотом расположен моторный отсек, глушитель и фильтр для очистки топлива. Цельнооткидной капот исключает появление большого количества шума и вибрации при работе.

  1. Передняя ось может подключаться и отключаться, что гарантирует экономичность в различных условиях эксплуатации.
  2. К основным показателям авто относятся:
уровень вредных веществ в выхлопе соответствие стандарту Евро-1
экологический стандарт ГОСТ 12.1.012-90
эргономика 14-31 град. в зависимости от климатических условий
трудоемкость 0,95 чел-ч
КТУ 0,85
долговечность минимум 8400 часов
объем гидравлики 120 л
бак для топлива 485 л
расход дизеля 0,15 кг/м3

Техническое обслуживание автогрейдера ДЗ 98 производится в соответствии с установленными в паспорте интервалами.

Вернуться к навигации

Рабочее оборудование

Помимо стандартного оборудования может устанавливаться дополнительное. Производитель предусмотрел различные варианты для использования во многих сферах деятельности, что расширяет область применения машины и ее эффективность.

Для рыхления грунта в задней части техники монтируют рыхлитель-кирковщик.

На грейдерный отвал навешивается вспомогательное крыло, необходимое при очистке дороги от снега, а уборка за ограждениями осуществляется с помощью вспомогательного бокового отвала.

Дополнительными рабочими органами являются:

  • рыхлитель;
  • бульдозерный отвал;
  • оснастка для устройства путей;
  • снеговой отвал;
  • кирку.

Технические характеристики грейдера ДЗ 98 при работе с путепрокладчным органом представлены:

шириной прохода 3,4 м
высотой органа 0,95 м
углом среза 48 градусов
объемом 3 м3
глубиной рытья 0,2 м

Бульдозерный отвал позволяет очищать полосу шириной 3,2 м, захватывая 2,57 м3 материала. Высота органа равна 0,97 м, угол реза – 55 градусов, а глубина рытья – 0,11 м.

Рыхлительное оборудование оснащено пятью зубьями, он осуществляет рыхление на глубину 0,23 м и захват поверхности 1,8 м.

Управление автогрейдером ДЗ 98 с грейдерным отвалом является стандартным. Отвал оборудуется ножом, установленным на несущей конструкции спецтехники, его можно поворачивать во всех плоскостях. Основное предназначение – выравнивание искусственно созданной поверхности при укладке асфальтового покрытия. В холодное время рабочий орган справляется с очисткой поверхности от снега и льда.

Основные характеристики грейдера при установке стандартного рабочего органа:

глубина захвата 0,5 м
сдвиг в сторону 1,05 м
угол откоса 90 градусов
угол захватки 30-70 градусов
высота 0,7 м
длина 4,2 м
производительность 3275 м2/ч
КТИ 85%

Вернуться к навигации

Модификации

ЧСДМ ДЗ 98 имеет множество модификаций, предназначенных для определенных областей использования. Основными отличительными чертами являются рабочие органы, также могут устанавливаться разные агрегаты и оборудование (более совершенные и эффективные).

В зависимости от климата, в котором будет работать техника, отличаются исполнения машины:

  • обычное – для температурного диапазона -45/+45 градусов;
  • тропическое – для влажного и сухого климата;
  • карьерное – ориентировано на сложные условия работы, опционально оборудуется парой гидравлических цилиндров, упрощающих управление машиной, и шинами 20,5-25.

Модель 98В может оснащаться любым мотором мощностью до 220 кВт, передней ведущей осью, настраиваемым рулем и возможностью управления отвалом под нагрузкой. В зависимости от сферы применения устанавливаются различные рабочие органы.

По маркировке Терекс ДЗ 98 определяют его особенности:

  • В.00002 – с полноповоротным грейдерным отвалом;
  • В.00012 – с бульдозерным отвалом;
  • В.00022 – с рыхлителем;
  • В.00072 – со всеми возможными дополнительными органами.

Регулировка сцепления ЯЗМ 238

Регулировка сцепления дз 98 своими руками

Регулировка сцепления ямз 238. Возможные неисправности и пути рушения проблемы. Подробное руководство к действию.

Сцепление, механизм, который постоянно испытывает нагрузку. Максимальных значений она достигает в моменты начала движения или переключения передач. Именно очень важно, чтобы сцепление было правильно отрегулировано – это гарантия длительно работоспособности, как самого механизма, так и сохранности других деталей трансмиссии. Особенно это правило касается сцепления ЯМЗ 238, давайте разберемся почему.

Сцепление ЯМЗ 238

Конструктивные особенности

Сцепление этой модели обычно устанавливается на тяжелую мощную технику.

ЯМЗ 238 – это сухое двухдисковое сцепление фрикционного типа цилиндрические пружины у механизма имеют периферическое расположение.

Мощность двигателя и собственно конструктивные особенности механизма очень часто приводят к тому, что неправильно настроенное сцепление запросто может выйти из строя. Дабы избежать поломки, необходимо с периодичностью как минимум раз в полгода проводить диагностику и регулировку сцепления ЯМЗ 238.

Необходимое техобслуживание сцепления

Каждый раз, приступая к ТО сцепления необходимо придерживаться строгой последовательности, дабы не упустить ничего важного и вовремя заметить неполадку:

  1. Первым делом следует проверить и в случае необходимости отрегулировать свободный ход муфты, отвечающей за включение сцепления (зазор должен составлять 3,2–4 мм).
  2. Далее, необходимо проверить механизм на отсутствие ведения. (проверка производится при заведенном двигателе на первой передаче и с выключенным сцеплением).

В случае если выяснить, что значение далеки от предельной нормы – выход один, регулировка трансмиссии ЯМЗ 238.

Регулировка сцепления

  • Начинать регулировку следует с измерения свободного хода педали сцепления. Для ЯМЗ 238 он должен составлять от 34 до 43 мм. Проверять значение следует с помощью линейки, спустив загодя воздух из пневмосистемы. Итак, если, что-то не в порядке приступаем к регулировке. Однако прежде все-таки убедитесь, зазор между торцом задней крышки корпуса клапана и стопорным кольцом в пределах нормы — 3,5+0,2 мм. При необходимости отрегулируйте и его.
  • Далее, необходимо обязательно отрегулировать зазор от второго ведомого диска до упорного кольца оттяжных рычагов. (он должен быть в пределах 64 мм).
  • Далее, регулируем и зазор упорным кольцом и подшипником муфты включение механизма ЯМЗ 238. Здесь значения колеблются в рамках 3,6 мм. Обратите внимание, что полное отсутствие этого зазора может привести к поломке нажимного подшипника и неисправности в работе ведомого диска.

Если принятые меры не помогают, а неисправность в работе сцепления сохраняется, скорее всего, регулировка не панацея и потребуется замена механизма.

Схема сцепления ЯМЗ 238

Замена сцепления

В первую очередь для того чтобы самостоятельно заменить сцепление ЯМЗ 238 на новое, необходимы специфические навыки и как минимум один помощник. Если все это имеется, то серьезных проблем, скорее всего, не возникнет. Приступаем к работе:

  • Сначала придется снять коробку передач, это необходимо, чтобы подобраться к маховику и кожуху сцепления.
  • Далее, отворачиваем крепления кожуха к маховику и снимаем выжимной диск.
  • Отворачиваем планки автоматической регулировки хода среднего диска и снимаем разрезные кольца со штока.
  • Снимаем ведомый, средний, первый ведомый и ведущий диски сцепления.

Готово, теперь можно приступать к установке нового сцепления:

  • Начинаем с установки первого ведомого диска. Он ставится удлиненным концом ступицы в сторону маховика.
  • Далее, очередь 1 и 2 дисков.
  • После ставим средний ведущий диск со штоками.
  • Устанавливаем нажимной диск и при помощи 8 болтов центрируем ведомые диски по отношению к оси коленвала. Найдя нужное положение, окончательно затягиваем боты.
  • После следует надеть разрезные кольца и установить на место упорные планки автоматической регулировки отхода для среднего нажимного диска.
  • Еще раз убедитесь, что все собранно правильно и все – можно ставить на место коробку передач.

В целом процесс получается весьма длительным и трудоемким. Проведение работ может занять в зависимости от ситуации до нескольких дней. И, главное, следует понимать, что ошибки в сборе недопустимы. Неправильно установленные детали могут привести к разрушению механизма ЯМЗ 238 и повреждению коробки передач. Поэтому в случае если вы неуверены в себе лучше обратиться к специалистам. Квалифицированные работники выполнят замену с необходимыми гарантиями.

Уход за сцеплением

Чтобы сцепление проработало как можно дольше и не вышло неожиданно из строя необходимо соблюдать несколько простых правил:

  • Периодически проверяйте свободный ход педали, а также смазывайте привод и подшипник муфты включения.
  • Дабы уменьшить износ элементов сцепления не следует долго держать ногу на педали и использовать пробуксовку сцепления, для того, чтобы снизить скорость движения.

Вам также может понравиться

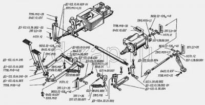
Соединительные муфты и муфты сцепления автогрейдера

Соединительные муфты. Соединительные муфты служат для передачи крутящего момента от двигателя к трансмиссии. Соединительная муфта обеспечивает упругое соединение ведущего и ведомого элементов, допуская незначительные погрешности в соосности и перекосы, возможные при установке агрегатов.

Соединительная муфта автотрейдера ДЗ-98 (рис. 9) крепится к маховику двигателя. Она состоит из наружной полумуфты, двенадцати резиновых пальцев и внутренней полумуфты. Резиновые пальцы вставлены в цилиндрические расточки, образованные обеими полу муфтами в собранном виде. Фиксируются пальцы в продольном направлении с по- P7tonh мощью двух пружинных колец. Основной неисправностью соединительной муфты является срез пальцев, который происходит главным образом при работе двигателя на холостом ходу с низкой частотой вращения до 500 об/мин.

Для удаления срезанных и установки новых пальцев необходимо через люк вынуть кольцо из паза.

Рекламные предложения на основе ваших интересов:

Рис. 9. Соединительная муфта автогрейдера ДЗ-98:
1 — маховик двигателя, 2 — наружная полумуфта, 3 —резиновый палец, 4 — пружинное кольцо, 5 — люк в картере, б — внутренняя полумуфта

Муфты сцепления. Муфта сцепления предназначена для соединения и отсоединения коленчатого вала двигателя от трансмиссии при переключении передач и торможении автогрейдера. Кроме того, муфта сцепления предохраняет трансмиссию при значительных перегрузках, что обеспечивается возможным пробуксовыванием элементов муфты.

Муфта сцепления автогрейдера ДЗ-98 (рис. 10) установлена в блоке трансмиссии. Это двухдисковая муфта, которая в нормальном состоянии включена (постоянно замкнутая). При переключении передач муфту сцепления выключают, т. е. принудительно разводят диски. Эта мУфта называется сухой, так как крутящий момент передается сжатым пакетом дисков за счет сухого трения между ними.

При сжатом пакете дисков крутящий момент от двигателя через пакет и шлицевые соединения ведомых дисков и зубчатый барабан передается первичному валу коробки передач. Разжимается пакет дисков с помощью трех рычагов, шарнирно закрепленных на фланце. Нижние концы рычагов упираются в ползун муфты выключения.

Рис. 10. Муфта сцепления автогрейдера ДЗ-98:
1, 3, й, 5 —диски, 2~ зубчатый барабан, 6 — рычаг, 7— гайка, в —вилка, 9 — муфта выключения, 10 — тормозок, 11 — вал коробки передач, 12 — ползун, 13, 14 — пружины, 15 — фланец

При выключении муфты сцепления муфта перемещается в сторону тормозка, который предназначен для остановки свободно вращающихся после отжатия дисков ведомых деталей. Это необходимо для обеспечения легкого включения коробки передач.

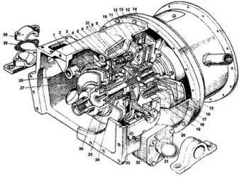
Для снижения усилия на педали управления муфтой сцепления меняется усилитель или сервомеханизм гидравлического типа

При работе автогрейдера и включенной муфте сцепления шток сервомеханизма находится в верхнем положении. Рабочая жидкость гидросистемы от насоса поступает к порционеру, в котором поток а разделяется на два (как показано стрелками).

Рис. 11. Сервомеханизм управления муфтой сцепления автогрейдера ДЗ-98:1 — поршень, 2 — клапан, 3 — шток, 4 — стакан, 5, 8 — рычаги, 6 — тяга, 7 — шаровая гайка»

9 — ролик, 10 — порционер; а — подвод масла, б — слив масла

Один из потоков поступает в надпоршневое пространство Г сервомеханизма, другой — к выходу на распределитель рулевого механизма (по-

Из полости Г по сверлениям в поршне масло поступает в полость Д, а оттуда в бак (поток б). Давление в полости Г незначительное, поэтому поршень неподвижен. При нажатии на педаль сцепления, связанную системой рычагов со штоком, последний и клапан опускаются, перекрывая конусом сверления в поршне и, следовательно, прекращая слив масла из полости Г в полость Д.

В полости Г давление масла начинает возрастать, и поршень под действием этого давления перемещается вниз, нажимая на ролик рычага, который через рычаг и тягу воздействует на вилку (см. рис. 10) механизма выключения муфты.

Момент размыкания дисков муфты сцепления соответствует давлению жидкости в полости Г, равному 16 кгс/см2. При повышении давления в полости Г свыше 38 кгс/см2 и дальнейшем нажатии на шток открывается клапан и масло перепускается на слив через отверстия в стакане клапана.

При снятии ноги с педали шток возвращается в исходное положение и диски под действием пружин (см. рис. 10) сжимаются.

При неисправности гидросистемы муфта сцепления может выключаться механически нажатием штока на поршень и ролик, однако усилие нажатия на педаль при этом возрастает до 70 кгс, что может допускаться только в аварийных случаях.

Механизм управления муфтой сцепления представляет собой систему рычагов и тяг, передающих усилие от нажатой педали управления в кабине машиниста штоку сервомеханизма. Возврат педали сцепления в исходное положение (для включения муфты) обеспечивается оттяжной пружиной.

Муфту сцепления автогрейдера ДЗ-98 регулируют одновременно с сервомеханизмом.

Отвернув гайки (см. рис. 10) и шаровую гайку (см. рис. 11) устанавливают между дисками тормозка проставку размером мм (см. рис. 10). После этого шаровую гайку завертывают до тех пор, пока поршень не упрется в клапан. Затем, отпустив шаровую гайку на восемь оборотов, обеспечивают между клапаном и поршнем зазор, равный 4—5 мм. Кроме этого с помощью гаек (см. рис. 10) между рычагами 6 и торцом муфты выключения устанавливают зазор £ = 0,54-0,8 мм.

В процессе эксплуатации сервомеханизм не требует никаких регулировок.

При техническом обслуживании муфты сцепления следят за состоянием накладок дисков, обращая особое внимание на их износ, замасливание, проверяют зазоры между отжимными рычагами и муфтой выключения, а также в тормозке.

В соответствии с картой смазки смазывают выжимные подшипники, шарнирные соединения осей и рычагов механизмов управления и т. д.

Рекламные предложения:

Читать далее: Коробки передач автогрейдеров

Категория: — Трансмиссии автогрейдеров

→ Справочник → Статьи → Форум

Что необходимо знать для регулировки и проверки сцепления

Регулировка сцепления дз 98 своими руками

Сцепление в автомобиле играет немаловажную роль. Оно дает возможность разъединить силовую установку от трансмиссии, хотя и предназначено оно для кратковременного действия. Это дает возможность изменить передаточное число коробки передач путем введения в зацепление тех или иных звездочек – переключение передач. Помимо этого, сцепление позволяет плавно начать движение, а также отсоединить коробку от мотора во время торможения.

За основу работы сцепления положена сила трения между разными материалами, в случае автомобилей – металла и фрикционных накладок. Но там, где есть трение – там есть и повышенный износ. Особенно износ увеличивается при трогании с места, когда подключение коробки передач производится постепенно.

Все это производит к тому, что основные элементы сцепления – диски изнашиваются, толщина их уменьшается, а ходы дисков и выжимного подшипника увеличиваются. В итоге, сцепление подвергается усиленному износу, что может привести к полному износу ведомого диска и потребности в его замене.

Интересно, что регулировка чего-либо в самой конструкции сцепления не производится, все регулировочные работы производятся с приводом включения. Все это достигнуто благодаря использованию у легковых авто мембранной пружины. У грузовых авто, где установлены рычаги отжима ведущего диска,  требуется еще и регулировка хода этих рычагов. То есть, регулировка у авто с таким сцеплением производится за два подхода – сначала регулируется положение рычагов, а затем привода.

Конструкция и принцип работы сцепления

Чтобы было более понятно, коротко опишем конструкцию сцепления. Данное устройство размещается в корпусе, установленном между силовой установкой и коробкой передач, причем со стороны двигателя в этот корпус выходит маховик, а со стороны коробки передач – ведущий вал. Концевик этого вала входит в маховик, чтобы соблюдалась соосность между коленвалом и ведущим валом коробки.

Основным элементом сцепления является корзина с размещенным в ней ведущим диском. Этот диск подпружинен, но имеет возможность перемещаться продольно за счет этих пружин, а также рычагов. У легковых авто пружина совмещена с рычагами – мембранная пружина.

Корзина при помощи болтового соединения жестко крепится к маховику. Между ней и маховиком помещен ведомый диск. Осью для этого диска выступает вал КПП, причем связан он с ним посредством шлицов, по которым диск может перемещаться.

Коротко о принципе работы. Поскольку корзина с ведущим диском жестко закреплена на маховике, то она полностью воспринимает крутящий момент двигателя. Но с коробкой корзина не связана, поэтому этот момент она никуда не передает. Зато с коробкой связан ведомый диск, поскольку посажен он на ведущий вал. Чтобы передать момент, нужно зажать, причем сильно, ведомый диск между ведущим и маховиком. За это отвечают пружины, которыми поджимается ведущий диск.

При потребности в разъединении мотора и КПП, нужно воздействовать на пружины, поджимающие ведущий диск. Усилие снижается, диск, отходя, прекращает прижимать ведомый диск к маховику – передача момента перестает производиться.

То есть, чтобы отключить мотор от КПП, нужно воздействовать на пружины ведущего диска. Для этого в конструкцию включен выжимной подшипник. Размещается он за корзиной на фланце ведущего вала КПП. Перемещаясь по этому фланцу, он может воздействовать на пружины корзины, но для этого ему нужно усилие, чтобы преодолеть сопротивление их. Берется это усилие от ноги человека, который нажимает на педаль сцепления. Усилие его передается посредством системы привода на подшипник и тот уже вступает в работу.

Назначение свободного хода педали сцепления

Как уже сказано, со временем происходит износ дисков, в результате чего изменяются зазоры хода дисков и подшипника. Поэтому периодически должна производится регулировка сцепления, а точнее привода, чтобы убрать появившиеся зазоры. У легкового авто все это сводится к тому, что производится всего лишь регулировка свободного хода педали сцепления.

Регулировка привода сцепления

Этот ход должен присутствовать – это всего лишь зазор между вилкой выключения сцепления, выжимным подшипником и рычагами корзины, но он обязательно нужен, чтобы не было постоянного соприкосновения подшипника с рычагами, из-за чего подшипник будет работать постоянно и быстро выйдет из строя. Также этот зазор не должен быть большим, поскольку ход педали сцепления ограничен, и если будет большая выборка на свободный ход, то остального хода педали не хватит для полного выжима ведущего диска.

Даже при нормальной работе сцепления хотя бы раз в год должен производится замер свободного хода педали. При нормальном рабочем сцеплении данный ход должен составлять 30-35 мм, вне зависимости от типа привода – механического, тросового или гидравлического.

Изменение размера этого хода в основном зависит от стиля вождения водителя. При агрессивном стиле, когда сцепление используется активно, износ дисков, в частности, фрикционных накладок, производится быстрее. В результате размер свободного хода измениться быстрее.

: Неисправность сцепления на ВОЛГЕ

Если вовсе не обращать внимания на работу сцепления, то зачастую это приводит к таким проблемам:

  • При полном выжиме педали автомобиль продолжает двигаться – сцепление «ведет». Это как раз происходит из-за износа дисков, при этом выборка появившегося в результате износа зазора не производится. Увеличенный свободный ход приводит к тому, что полностью разъединить мотор с КПП не удается и крутящий момент продолжает передаваться даже при полном выжиме педали. Сопровождается это усложненным переключением передач, хрустом при вхождении в зацепление шестерен КПП;
  • Противоположной описанному ситуацией является пробуксовка сцепления. Причиной пробуксовки является отсутствие свободного хода и перетяжка положения вилки. В результате выжимной подшипник постоянно немного поджимает пружины ведущего диска, из-за чего он не полностью прижимает ведомый диск. Признаками пробуксовки является более затрудненный набор скорости, специфический запах в салоне из-за постоянного перегрева накладок, повышенный шум работы из-за постоянно вращающегося выжимного подшипника.
  • Повышенный шум в работе может быть и из-за малого свободного хода, когда выжимной подшипник поджат к рычагам корзины, но не выжимает их. То есть, пробуксовки нет, но подшипник постоянно вращается.

Проверка и регулировка свободного хода педали сцепления

При возникновении этих признаков следует вначале проверить состояние привода, а после замерить свободный ход. Проверить нужно точки соединения педали сцепления с тросом, тягой или штифтом поршня главного цилиндра гидропривода, а затем соединение тяги, торса или штифта рабочего цилиндра с вилкой выжимного подшипника.

: регулировка сцепления .самый легкий способ ваз 2110.2111.2112

Проверка свободного хода производится обычной линейкой. Один край ее упирают в пол, а второй подставляют к педали. Затем слегка нажимают на педаль, производя выборку всех зазоров от педали к рычагам корзины. При этом педаль двигается без особого сопротивления. Когда все зазоры выбраны, движению педали будет препятствовать пружины корзины, у движения педали появится сопротивление. Именно этот ход до начала сопротивления и нужно замерить, составлять он должен 30-35 мм.

Если свободный ход больше или меньше, производится регулировка. У всех авто, с разными приводами сцепления регулировка производится в одном месте – точке соединения привода с вилкой подшипника. Для этого на штифте троса, тяги или рабочего цилиндра имеется резьба с двумя гайками. Этим штифтом привод заходит в вилку и закрепляется гайками.

Поэтому регулировка свободного хода производится изменением длины входа штифта в отверстие вилки. Достаточно послабить контргайку и второй гайкой изменить длину входа штифта путем накручивания или откручивания гайки. При большом свободном ходе гайка накручивается на штифт, а при малом – откручивается. После производится еще один замер длины свободного хода, и если он соответствует норме, регулировочная гайка зажимается контргайкой. Если зазор не соответствует, нужно далее производить регулировку.

После регулировки нужно проверить работоспособность сцепления. Если оно продолжает неисправно работать, возможен выход из строя одного из элементов сцепления и потребуется его замена.

Как отрегулировать свободный ход педали сцепления?

Регулировка сцепления дз 98 своими руками

В автомобиле часто требуется проводить регулировку различных органов управления и систем. К примеру, может потребоваться регулировка педали сцепления, от которой очень сильно зависит качество управления автомобилем с механической коробкой передач. Такую регулировку достаточно легко сделать, не заезжая в сервисные центры, и при этом не потребуется каких-то специальных знаний и инструментов.

Когда нужна регулировка сцепления?

Необходимо обратить внимание на поведение автомобиля в момент переключения передачи. Если в начале движения чувствуются рывки или несильные удары или же слышен шум при переключении передачи, то нужно провести проверку свободного хода педали сцепления транспортного средства.

Для этого двигатель запускается, а педаль сцепления постепенно отпускается из предварительно отжатого состояния. В том случае, если автомобиль поедет сразу же после начала отпускания педали, свободный ход у нее отсутствует. Если же педаль отпустили до конца, но машина при этом не тронулась или начала двигаться только в самом конце, то, значит, норма хода педали превышена.

Таким образом, если произошло нарушение регулировки свободного хода педали сцепления, нормальное передвижение транспортного средства становится невозможным. Появляются проблемы — тронуться с места не получается, слышен хруст во время переключения передачи, автомобиль буксует и имеет слабый разгон.

Как определить величину свободного хода?

Определение величины свободного хода проводят с помощью линейки или штангенциркуля, главное, чтобы они подходили по размерам:

  1. На середину подошвы педали закрепляют хорошо видимый предмет с острым концом, к примеру, спичку. Это делается для того, чтобы облегчить процесс измерения.
  2. Линейка устанавливается в плоскость движения опорной площадки педали так, чтобы изменение расположения последней без труда отслеживалось с помощью шкалы, нанесенной на линейке.
  3. На педаль производят несильное нажатие рукой, а затем аккуратно перемещают ее до возникновения резкого скачка сопротивления усилию. После этого отмечают с помощью указания спичкой пройденный путь педали в миллиметрах.

После получения результатов замера можно будет определить, требуется ли педали сцепления регулировка или можно будет обойтись без нее.

Справка! Для разных моделей автомобилей величина этого показателя будет различной. Например, для ВАЗ-2101 он будет составлять 35-40 мм, а у современных авто класса В этот параметр должен находится в пределах от 5 до 14 мм.

Таким образом, конкретную величину хода педали для определенного вида автомашины требуется сверять м руководством по эксплуатации (так называемой «мурзилке»).

Регулируем свободный ход педали сцепления

Приводы сцепления могут быть как тросовыми, так и гидравлическими. Поэтому их регулировка проводится различными способами.

Регулировка привода тросом

В том случае, если сцепление в автомобиле механическое, необходимо отрегулировать трос (тросовый привод). Чтобы это сделать, нужно добраться до регулировочного болта, находящегося в подкапотном пространстве. Сначала производят откручивание контргайки, а затем начинают вращать регулировочную гайку. Результат проверяют новым замером амплитуды (предварительно нажав на педаль сцепления 3 раза).

Сама регулировка проводится следующим образом:

  1. При помощи измерительных приборов выясняют, какое расстояние отделяет вилку выключения сцепления и торец демпфера. Оно должно быть не более 8,6 см. При этом погрешность не должна быть более 5 мм ни в сторону увеличения, ни в сторону уменьшения.
  2. Находят, на каком расстоянии расположен наконечник троса от торца демпфера. Этот показатель должен быть около 6 см, с такой же погрешностью, как и в предыдущем случае.
  3. В том случае, если расстояние не будет соответствовать нормальному, трос регулируют с помощью регулировочной гайки, которую проворачивают в ту или другую сторону до тех пор, пока нужный результат не будет достигнут.
  4. В конечном итоге производят несколько выжиманий педали сцепления, а затем осуществляют новые замеры расстояния. В случае необходимости снова проводится регулировка. После этого окончательно затягивают контргайку.

Иногда трос выходит из строя полностью, и может потребоваться его замена. В гаражных условиях это сделать не так уж и сложно, как может показаться новичку. Все что для этого нужно: приобрести запасной трос сцепления, а также иметь набор ключей и отверток.

Для начала в районе педалей снимают пластиковые части пола автомобиля. Это нужно для того, чтобы во время ремонта иметь легкий доступ до того места, где происходит соединение троса с педалью.

Затем нужно произвести следующие манипуляции:

  1. Наконечник троса сцепления разъединяют с вилкой его выключения.
  2. Затем вытаскиваю демпфер оболочки троса из крепления, которое располагается в картере коробки переключения передач.
  3. После этого производят разъединение наконечника троса и педали сцепления.
  4. Вытаскивают трос сцепления.

Чтобы установить на место новый трос, все вышеперечисленные действия производят в обратном порядке.

Регулировка гидравлического привода

Перед регулировкой гидропривода в первую очередь необходимо убедиться в отсутствии воздуха в системе. Это проверяется следующим образом: в том случае, если воздуха в системе нет, при нажатии на педаль сцепления она не должна быть мягкой, а после того как давление ноги с педали убирается, она должна вернуться в изначальную позицию.

При гидравлическом сцеплении полный ход педали регулируют из салона автомобиля упорным винтом. При этом величина свободного хода должна быть не более 15 мм. Регулировка делается с помощью вращения штока толкателя главного цилиндра. После того как выполнены все настройки, необходимо плотно закрутить контргайки.

В заключение

Для нормального управления автомобилем необходима слаженная работа всех его компонентов, одним из которых является педаль сцепления. Поэтому, если вы вдруг почувствовали какое-то неудобство в тот момент, когда происходит отпускание педали и соединение коленвала с двигателем, то скорее всего этому элементу требуется регулировка.

Ссылка на основную публикацию
Похожее