Россия, Алтайский край, Новоалтайск, Октябрьская улица
Телефон:
+7 (385) 324-67- Показать номер
Пн-чт: 08:00—18:00; пт: 08:00—17:00
whatsapp telegram vk email

Регулировка рулевого механизма УАЗ Буханка

Рулевое управление автомобиля УАЗ

Устройство

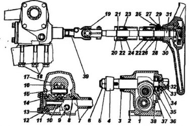
Рулевое управление автомобилей состоит из рулевого механизма, вала с рулевым колесом, сошки и рулевых тяг. Конструкция рулевого механизма показана на рис. 103.

Рабочей парой рулевого механизма являются глобоидальный червяк и двойной ролик. Передаточное число рулевого механизма (среднее)—20,3.

Рекламные предложения на основе ваших интересов:

Напрессованный на вал червяк установлен в картере рулевого механизма на двух роликовых конических подшипниках. Натяг подшипников регулируют тонкими бумажными прокладками, положенными под нижнюю крышку картера.

На валу рулевой сошки, один конец которого опирается на бронзовую втулку, а другой на роликовый цилиндрический подшипник (в боковой крышке картера), закреплен двойной ролик.

Зазор в зацеплении ролика с червяком регулируют осевым перемещением вала сошки винтом, установленным в боковой крышке картера. При перемещении вала меняется расстояние между осями ролика и червяка и изменяется зазор в зацеплении.

На шлицевом коническом конце вала сошки установлена рулевая сошка, туго затянутая гайкой.

Рулевой вал в верхней части опирается на шариковый радиально-упорный подшипник, расположенный в трубе рулевой колонки.

На конце вала крепят рулевое колесо 20 диаметром 425 мм.

Для уплотнения вала сошки и вала червяка в картер запрессованы сальники.

При обнаружении неисправностей в рулевом управлении нужно проверять не только рулевое управление, но и узлы, влияющие на его работу: ступицы колес, тормоза, передние рессоры; следует также проверять правильность установки передних колес и давление воздуха в шинах.

Рулевые тяги. На автомобиле УАЗ-451Мтяга рулевой трапеции расположена сзади передней оси, а у автомобиля УАЗ-452 — спереди.

Обе тяги снабжены наконечниками, в которых установлены пальцы 2 с шаровыми головками. Наконечники не регулируют, так как имеющиеся в них пружины 6 автоматически устраняют зазоры, появляющиеся при износе.

Рис. 1. Рулевой механизм:1— рулевая сошка; 2 — картер рулевого механизма; 3— нижняя крышка картера; 4 — регулировочные прокладки подшипников червяка; 5 — двойной ролик; 6 — червяк; 7 и 8 — подшипники червяка; 9—пробка наливного отверстия; 10 — роликовый подшипник; 11 — стопорная шайба регулировочного винта; 12 — контргайка; 13 — регулировочный винт; 14 — боковая крышка картера; 15 — пробка сливного отверстия; 16 — втулка; 17 — вал сошки; 18 — сальник; 19 — труба колонки; 20 — рулевое колесо; 21 — подшипник рулевого вала; 22 — рулевой вал; 23 — зажимный хомут; 24 — ось ролика

Продольные рулевые тяги автомобилей УАЗ-451М и УАЗ-452 одинаковы по конструкции и отличаются только длиной. Эти тяги имеют регулируемые шаровые шарниры. На рис. 2 показаны продольная тяга и детали, входящие в нее. В случае износа деталей шарнира необходимо отрегулировать затяжку шаровых пальцев следующим образом: расшплинтовать пробку на конце тяги, завернуть ее до отказа, а затем отвернуть на У12—‘Л оборота и зашплинтовать. Таким же способом отрегулировать шаровой палец и на другом конце тяги.

Рис. 2. Продольная рулевая тяга:1 — обойма защитной накладки; 2— защитная накладка; 3— палец с шаровой головкой; 4 — пробка; 5 — сухарь пальца; 6 — пружина; 7 — ограничитель пружины; 8 — пресс-масленка; 9 — продольная рулевая тяга; 10 — рычаг продольной рулевой тяги

Техническое обслуживание

При Т0-1:— проверить крепление рулевых рычагов, рулевых тяг и сошки;

— смазать через четыре пресс-масленки шарниры рулевых тяг. Необходимо добиваться выхода смазки наружу, чтобы убедиться, что она прошла в соединение. Если смазка не вышла, надо проверить исправность пресс-масленок и заменить неисправные.

Если и при исправной пресс-масленке смазка не проходит, то следует разгрузить шарнир или разобрать соединение и устранить причину непрохождения смазки.

Через ТО-1 выполнить работы, указанные для ТО-1, и дополнительно:— проверить и, если нужно, подтянуть крепление картера рулевого механизма; проверить состояние шарнирных соединений рулевых тяг;

— проверить люфт рулевого колеса.

При Т0-2:— подтянуть гайку крепления рулевой сошки и гайки крепления картера рулевого механизма к продольной балке рамы. Перед подтяжкой гаек картера следует отпустить гайки стремянки крепления рулевой колонки;— проверить состояние головок рулевых тяг, исправность их уплотнений. Если необходимо, расшплинтовать и подтянуть гайки пальцев рулевых тяг;

— проверить крепление рычагов рулевых тяг; проверить и отрегулировать рулевое управление. Через ТО-2 выполнить работы, указанные для ТО-2, и сменить смазку в картере рулевого механизма.

Для слива масла из картера отвертывают пробку сливного отверстия из нижней части картера.

Снятие и разборка рулевого механизма

Для ремонта рулевого механизма необходимо снять его с автомобиля и разобрать.

После разборки и промывания деталей нужно проверить их состояние (износ) и выявить пригодность для дальнейшей работы.

Если у рабочей пары рулевого управления — червяка и ротика помимо значительного износа рабочей поверхности нитки появились раковины, вмятины или отслоение, ее заменяют на новую; при заметном сдвиге шлицев в соединении вала с сошкой, а также в случае смятия конусной поверхности у шарового пальца и сошки их также заменяют новыми.

Рулевой механизм снимают в следующей последовательности.

Отвернуть гайку крепления сошки руля и снять съемником сошку.

Снять хомут .крепления переключателя указателя поворота на рулевой колонке, снять щиток приборов и переключатель указателей поворота вместе с пучком проводов и опустить переключатель на пол кузова.

Отъединить провод сигнала от соединительной муфты.

Снять кнопку сигнала, вынуть контактную чашку кнопки, пружину и седло пружины кнопки.

Отвернуть винты крепления контактной пластины кнопки сигнала, снять контактную пластину вместе с изолятором и проводом и вынуть пружину.

Отвернуть на 2—3 нитки гайку крепления рулевого колеса. Пользуясь съемником, сдвинуть с конуса вала рулевое колесо, а затем снять его.

Снять стремянку крепления рулевой колонки, регулировочные прокладки и резиновую втулку стремянки.

Снять коврик пола, уплотнитель пола и прижимное кольцо уплотнителя рулевой колонки.

Отвернуть болты крепления картера к кронштейну рамы и снять рулевой механизм (вниз под раму).

Разборку рулевого механизма выполняют в следующей последовательности.

Отвернуть пробку сливного отверстия картера и слить масло.

Ослабить затяжку болта зажимного хомута и снять трубу колонки и зажимный хомут.

Отвернуть контргайку регулировочного винта вала сошки и снять стопорную шайбу.

Снять боковую крышку картера вместе с валом сошки и прокладкой.

Вывернуть из боковой крышки регулировочный винт и вынуть вал ссшки.

Осторожно (не повреждая регулировочных прокладок) снять крышку с уплотнительным кольцом, пружиной и опорной шайбой пружины, прокладки, наружное кольцо нижнего подшипника и сепаратор с роликами. Вынуть из картера рулевой вал с червяком в сборе ‘и сепаратор с роликами верхнего подшипника.

Выпрессовать из картера наружное кольцо верхнего подшипника и сальник вала сошки, если требуется его замена.

При наличии большого износа выпрессовать втулку вала сошки из картера.

Если необходимо заменить ролик вала сошки, рассверлить головку оси и выпрессовать ось. После установки нового ролика на место вставить вынутую ось и заварить ее на валу дуговой электросваркой.

Снять с верхнего конца трубы колонки руля пружину, разжимное кольцо и выпрессовать подшипник.

Сборка и установка рулевого механизма

Сборку рулевого механизма выполняют в порядке, обратном разборке. При этом необходимо учитывать следующее.

После установки нового червяка на вал торец вала должен совпадать с торцом выточки в червяке; отклонение не должно превышать 0,25 мм.

Подшипники червяка регулировать бумажными прокладками (толстыми и тонкими), установленными под крышку картера рулевого механизма.

При установке вала рулевой сошки в картер цилиндрическую часть вала и ролик смазать трансмиссионным автомобильным маслом.

https://www.youtube.com/watch?v=KXja4Cj4Xlk

В собранном рулевом механизме биение вала рулевого колеса на шейке под шариковый подшипник должно быть не более 2 мм.

Устанавливают рулевую колонку на автомобиль в порядке, обратном снятию. При этом в первую очередь затягивают болты крепления картера рулевого механизма к кронштейну рамы, а затем гайки стремянки крепления колонки руля к кронштейну. Если после затяжки болтов между резиновой подушкой, надетой на трубку колонки, и кронштейном крепления колонки появится зазор, то его устраняют установкой регулировочных прокладок.

Нельзя устранять зазор притягиванием трубы стремянкой. Это вызовет изгиб трубы и рулевого вала и нарушение нормальной работы подшипников.

При смещениях колонки в сторону продолговатые отверстия в кронштейне крепления колонки позволяют закрепить ее в новом положении.

При необходимости допускают распиливание отверстий.

Регулировка рулевого механизма

При правильной регулировке зацепления рабочей пары рулевого механизма люфт рулевого колеса при езде по прямой должен отсутствовать. При повороте рулевого колеса в любую сторону на 45° и более появляется зазор в зацеплении червяка с роликом вала. При дальнейшем вращении рулевого колеса зазор в зацеплении, постепенно увеличиваясь, доходит в крайних положениях ролика до 30° поворота рулевого колеса.

В процессе эксплуатации автомобиля изнашиваются рабочая пара рулевого механизма, подшипники червяка и другие детали рулевого управления.

Вначале появляется повышенный зазор в зацеплении червяка и ролика, а позже — повышенное осевое перемещение червяка.

Появление повышенных зазоров в рулевом механизме вызывает нарушение его регулировки и ведет к потере безопасности движения автомобиля.

Поэтому следует периодически проверять зазор в зацеплении рабочей пары рулевого механизма и осевое перемещение червяка и устранять их регулировкой.

Зазор в зацеплении рекомендуется проверять после пробега автомобилем первой 1000 км, а затем при каждом ТО-2.

Состояние рулевого механизма считают нормальным и не требующим регулировки, если свободный ход на ободе рулевого колеса в положении движения по прямой не превышает 40 мм.

Если люфт рулевого колеса будет более указанного, то, прежде чем приступить х регулировке рулевого управления, необходимо убедиться в плотности затяжки болтов крепления картера рулевого механизма, исправности шарнирных соединений, плотности посадки сошки на валу.

Регулировку начинают с проверки осевого зазора в подшипниках червяка.

Для этого необходимо:— поставить колеса в положение езды по прямой;

— приложив палец к нижнему торцу ступицы рулевого колеса и трубе колонки, поворачивать рулевое колесо в обе стороны на некоторый угол. При наличии износа подшипников червяка будет ощущаться пальцем осевое перемещение ступицы рулевого колеса относительно трубы.

Если осевое перемещение отсутствует, то регулируют только зацепление рабочей пары рулевого механизма.

Регулировка зацепления рабочей пары рулевого механизма. При появлении зазора в зацеплении рабочей пары его регулируют за счет перемещения вала сошки вдоль оси (не снимая рулевого управления с автомобиля).

Порядок регулировки следующий.

Поставить передние колеса автомобиля в положение движения по прямой.

Отъединить продольную рулевую тягу от рулевой сошки.

Отвернуть контргайку регулировочного винта и снять стопорную шайбу.

Вращать ключом регулировочный винт по часовой стрелке до устранения зазора в зацеплении червяка с роликом.

Надеть стопорную шайбу. Если отверстие в шайбе не совпадает со штифтом, повернуть регулировочный винт так, чтобы отверстие шайбы совпало со штифтом.

Навернуть контргайку на винт. Проверить, покачивая рукой сошку, правильность выполненной регулировки. Перемещение конца рулевой сошки не должно превышать 0,3 мм.

Установить шаровой палец в отверстие сошки, навернуть гайку и зашплинтовать.

Регулировка подшипников червяка. После длительной эксплуатации автомобиля в рулевом механизме появляются зазоры в подшипниках червяка.

Для устранения осевого перемещения червяка нужно снять рулевой механизм с автомобиля и отрегулировать подшипники. Снятие рулевого механизма необходимо для проверки правильности выполненной регулировки и замера величины усилия проворачивания вала с червяком.

Регулировку выполняют уменьшением числа бумажных прокладок, установленных под нижней крышкой картера, в следующей последовательности.

Снять рулевой механизм с автомобиля, как было указано выше.

Слить масло из картера рулевого механизма, разобрать механизм и промыть его детали.

Установить в картер рулевой вал с червяком и подшипниками.

Установить нижнюю крышку картера, предварительно вынув тонкую регулировочную прокладку. Затянуть болты крепления крышки и закрепить на валу рулевое колесо. Проворачивая рулевое колесо, чтобы ролики подшипников заняли правильное положение, проверить червяк на отсутствие осевого перемещения.

Если люфт не устранен, снять толстую прокладку крышки картера, а тонкую установить на место.

После устранения люфта проверить, пользуясь приспособлением, правильность затяжки подшипников. Усилие, необходимое для проворачивания вала с червяком, приложенное на радиусе 212,5 мм, должно быть в пределах 0,22—0,45 кГ (без установленного вала сошки).

Осевая игра вала в подшипниках при этом должна отсутствовать.

Усилие, необходимое для проворачивания вала с червяком, находящимся в зацеплении с роликом вала сошки (при положении рулевой сошки для движения по прямой), приложенное на радиусе 212,5 мм, должно быть в пределах 0,9—1,4 кГ при проверке без сальников.

В среднем положении ролика (в пределах 45° поворота червяка в ту или другую сторону) зазор в зацеплении должен отсутствовать.

После регулировки подшипников червяка установить в картер вал сошки и боковую крышку и отрегулировать зацепление червяка с роликом.

При правильно отрегулированном зацеплении свободный ход на ободе рулевого колеса (при неподвижных колесах) должен быть в пределах 10—15 мм.

Рекламные предложения:

Читать далее: Тормоза автомобиля УАЗ

Категория: — УАЗ

→ Справочник → Статьи → Форум

Регулировка рулевого редуктора уаз 469

Регулировка рулевого механизма УАЗ Буханка

Рулевой редуктор УАЗ буханка, или, выражаясь техническими терминами, картер рулевого механизма, закреплен в модификациях автомобилей УАЗ-3302, 3909, 2206 на кронштейне левого лонжерона рамы.

Удерживают его на раме четыре болта М16 с шайбами пружинными. На заводе-изготовителе болты затянуты гайковертом с соблюдением усилия затяжки 45 кгс/см².

Устройство

Рабочая пара рулевого редуктора – глобоидальный червяк и двухгребневый ролик. Напрессованный на пустотелый вал червяк устанавливается в картере рулевого механизма на двух конических роликовых подшипниках.

Для обеспечения надежности соединения вала с червяком сделан шпоночный выступ и нарезаны шлицы на валу червяка. С червяком в постоянном зацеплении находится двухгребневый ролик.

Его кольцевые канавки, расположенные внутри, являются рабочей поверхностью для двухрядного шарикового подшипника. Он установлен на оси, которая крепится в головке вала сошки.

Данный вал вращается сразу в двух подшипниках: запрессованной в картер втулке из бронзы и цилиндрическом роликовом подшипнике. Этот элемент установлен в крышке картера сбоку рулевого редуктора.

Хвостовик головки вала заходит в паз винта регулировки. Он закручен в крышку картера сбоку. Зафиксирован винт регулировки штифтом и стопорной шайбой, которые запрессованы в крышке. Закрыт механизм гайкой с колпачком.

Своим верхним концом вал рулевого управления входит в подшипник, вращаясь на нем. Подшипник запрессован в корпусе колонки. От перемещения распорная втулка подшипника удерживается специальной пружиной.

Регулировка рулевого редуктора УАЗ буханка

Регулировочные операции осуществляются для устранения зазоров. Вследствие сил трения они периодически появляются между роликом и червяком. Для выявления осевого зазора червячных подшипников, картер обхватывается ладонью одной руки.

Другой рукой рулевое колесо раскачивается поочередно в обе стороны.

Если подшипники изношены, палец ощущает осевое биение ступицы относительно колонки. При отсутствии подшипниковых зазоров регулируется только зацепление червяка с роликом.

Порядок регулировки ролика относительно червяка:

  • Снять рулевой редуктор с автомобиля.
  • Слить масло с картера.
  • Закрепить механизм в тисках.
  • Открутить центральную гайку, с винта регулировки снять стопорную шайбу.
  • Открутить болты, крепящие крышку сбоку редуктора.
  • Вынуть вал сошки вместе с роликом и крышкой, осторожно постукивая выколоткой по торцу вала сошки, отделить прокладку.
  • Открутить болты, крепящие нижнюю крышку картера, снять ее.
  • Тонкую прокладку из бумаги с осторожностью отделить и снять.
  • Поставить нижнюю крышку на штатное место, закрутить болты, проверить биение червяка вдоль продольной оси.
  • Если биение осталось, заново снять крышку снизу, вынуть толстую прокладку, вместо нее установить тонкую, ранее снятую. Снимать более одной прокладки не рекомендуется.
  • Усилие затяжки подшипников проверяется вращением червяка. Если затяжка правильная, на рулевом колесе ощущается усилие 0,22 – 1,45 кгс. Операция проверки осуществляется динамометрическим ключом при снятой сошке.

Как снять рулевой редуктор УАЗ буханка?

Демонтаж рулевого редуктора УАЗ буханка осуществляется без снятия рулевой колонки с автомобиля.

Порядок проведения операций:

  1. Открутить стяжной винт шарнира рулевой колонки.
  2. Открутить гайку, крепящую сошку рулевого редуктора, при помощи съемника снять ее.
  3. Открутить четыре болта, крепящие картер рулевого механизма к лонжерону рамы.
  4. Снять рулевой механизм, слить масло из картера, выкрутив пробку снизу.

Ремонт рулевого редуктора УАЗ буханка

Разобрав механизм, промыть, осмотреть детали. Обнаружив на рабочих плоскостях червяка, винта, гайки-рейки, вала-сектора отслоения слоя термообработки, раковины, чрезмерный износ, трещины, следует немедленно их заменить.

Подшипники винта, червяка следует заменить новыми в том случае, если для устранения осевого люфта удаляются все регулировочные прокладки либо на рабочих поверхностях шариков, роликов, колец имеются повреждения.

При обнаружении на рабочих плоскостях ролика, вала сошки раковин, трещин, забоин, вмятин, если образовался люфт подшипников либо посадки на оси, необходимо рассверлить ее головку, извлечь ролик.

Гур уаз 469, 31519

Регулировка рулевого механизма УАЗ Буханка

1:852 2:1359

Течь

2:1371

Неполадка: потек редуктор ГУРа, с начала капал, а потом вовсе началась течь, как из ведра, купил ремкомплект манжет и решил ремонтировать.

2:1627 3:2134

Раскрутил все болты все соединения и вот он на земле

3:98 4:605

Пациент. На операционном столе, посмотри что покажет вскрытие

4:722 5:1229

Для начала, нужно было снять сошку с вала, пришлось изготовить импровизированный съемник.

5:1397 6:1904

Разборка простая: выкрутил два болта с контергайками, которые фиксируют крышки, снял стопорные кольца крышек и, при помощи молотка, ударами по валу начал выбивать крышки. Будьте внимательны, когда они выйдут, вывалится куча роликов, важно их не потерять — это подшипники вала.

6:24107:506

Вот снятые крышки, видим внутри уплотнение из трех манжет: две пластиковые, черная и белая и между ними резиновое кольцо

7:729 8:1236

Вот они демонтированы

8:1280 9:1787

Снятый вал и уплотнения крышек

9:1847

Заменил манжеты и глядя на крышки увидел, что у них отверстия не по центру и понял, что с помощью их прокручивания регулируется люфт в червячном соединении редуктора.

9:215410:506

Дальше разобрал крышку приводного вала (вал на руль). Там заменил сальник и резиновые кольца в крышке. Главное, не выкручивайте вал с поршня, иначе проблемы на час вам обеспечены. Внутри шарики, которые потом установить на место проблематично.

10:952 11:1459

Крышка рулевого вала с сальником

11:1523 12:2030

При разборе, я увидел почему началась течь, связи с тем что крышка не защещена и поподание грязи и воды сделали на вале корозию и риски, короче жопа, незнаю помогутт ли новые манжеты

12:332 13:839

Долго не думая решил изготовить защитный колпак от грязи да и если повезет от течи масла если такова будет со временем. Для этого просверлил два отверстия нарезал резьбу под винты

13:1171 14:1678

Вот сама крышка

14:1710

Все собрал, отрегулировал все зазоры, на глаз конечно, и поставил на место. Пока течи нет. На работе ГУРа вскрытие не отразилось почти никак. Только на слух вроде он стал меньше гудеть, но это так, на слух. Эксплуатация покажет.

14:212315:506

Установка комплекта ГУР АДС-Yubei для УАЗ 469

Данная процедура, пожалуй, самая долгожданная, т.к. хотелось комфортного рулевого управления. Все те редукторы, которые и были в прошлом то люфтили страшно, то хрустели и очень туго поворачивали колеса. На данном комплекте остановился благодаря отзывам в инете. Среди Борисовских и Стерлитомаковских адекватных и более-менее надежных, днем с огнем не сыщешь, да и готовые комплекты стоят свыше 32 килорубликов в нашем регионе. Что потребовалось для установки:
1) Именно сам комплект; 21500р.

15:1486 16:1993

Содержимое ящика, только вот насос забыл в кадр засунуть.

16:210117:506

Рулевой редуктор

17:541 18:1048

Шкив и крепеж, только куда его столько, непонятно. Пойдет в запас

18:1169

2) Помпа от ЗМЗ-409 Е-2 с прокладкой «АДС» ; 1400р.

18:1250 19:1757

3) Сдвоенный шкив от 514го ДВС (помоему) текстолитовый; 330р.
4) Ремень генератора 2108 инжекторный; 220р.

19:1937

Нужно уладить небольшой инцидент с комплектностью ГУР. Заказывал комплект для ДВС ЗМЗ-409, но с сошкой редуктора под рессорную подвеску. Поставщик любезно согласился на такую комплектацию и через неделю ожидания комплект лежал уже в гараже. На следующий день началась установка.

19:2450

Почитав отзывы об установке таких ГУРов, и, практически, бестолково написанную книжку из коробочки, я понял, что придется попотеть.

19:242

Для начала встал вопрос «А менять ли помпу?» Где-то читал, что и на 406 помпу прикручивают кронштейн на 2 болта, но это не очень надежно, ведь если все-таки уши кронштейна отломит, то мало того, что останешься без ГУРа, но еще и придётся покупать новый недешевый комплект. Проверил люфт родной помпы и решил менять на 409

19:815

Выбор в нашем городе был невелик. Либо «ЗМЗ» за 1900 («не бюджетно»), либо «АДС» за 1400р (приемлемо). Выбор пал на АДС. В гараже конечно лежала практически новая с патриота помпа, но с мотора Е-3 и патрубок на термостат тоненький идет, и потому пришлось бы менять корпус термостата, что тоже не очень бюджетно и не найдешь. Спиливаем ОЖ, снимаем ремень, шкив, патрубки, помпу и ставим новую и кронштейн насоса ГУР.

19:1548 20:2055

Снятие старой помпы…

20:42 21:549

… и установка новой с кронштейном (доработанным)

21:642

Сразу забегу вперед: кронштейн подвергся доработке, а именно, был пропилен паз под натяжение ремня ибо привод у нас будет нестандартный. На кронштейн ставим насос (кстати, 2 болта крепления из комплекта были с крупной резьбой, а на насосе мелкая — и куда только смотрят упаковщики) с натяжителем, на помпу шкив от 514го под 2 ремня, накидываем ремень привода помпы, затем 08 ремень на привод насоса ГУР, все натягиваем и затягиваем.

21:1423 22:1930

Насос на месте

22:1960 23:2467

Вот такой привод насоса ( прочитал на одном из форумов

23:101

Перемещаемся под левое крыло и демонтируем рулевой редуктор с рулевым валом. Ставим редуктор из комплекта, сошку, рулевую тягу и все затягиваем

23:368 24:875

Редуктор на месте

24:911 25:1418 26:1925

Теперь рулевой вал. Новый был с одной стороны под шлиц, с другой под клин. Так вышло, что теперь с двух сторон нужен клин. Со старого снимаем наконечник под клин и перепрессовываем на место наконечника под шлиц. Теперь можно ставить на место. Теперь пора ставить шланги. И тут-то крылась засада. Шланг высокого давления был с наконечниками 14мм, а требовался 14мм — 16мм.

26:2594

С утра созваниваюсь с магазином и выкладываю суть проблемы что шланг не тот и нет штуцера 16мм с шайбами. К вечеру деталь была получена. Сразу же продолжили установку. Сперва, сделал отпуск всех медных шайб для лучшего обжатия. Шланг высокого давления провел спереди насоса, ибо так меньше его закручивает и практически нет усилия на изгиб.

Сзади он мало того, что находился рядом с выпускным коллектором, но еще и перегибался до такой степени, что с трудом прикручивался к насосу. Хорошенько его затянул и принялся ставить бачок на крыло. Там все просто — сверлим и прикручиваем где понравиться, лишь бы капоту не мешал. Ну и наконец прокладываем остальные 2 шланга, подрезаем по длине и затягиваем на хомуты. В последнюю очередь ставил нижний патрубок радиатора и вывод на РБ.

Все встало отлично, нигде ничего не жмет и не трет, правда в шлангах можно запутаться. На последок заполняем систему по мануалу (только в этом и пригодился)

26:1699 27:2206

Все готово!

27:23 28:530

и тестируем. Радость зашкаливала, от ГУРа тишина, руль легкий и ни каких люфтов, но ходу никакого рысканья и увода.

28:741

ГУР от ГАЗ-3309 на УАЗ 469

Долго изучал эту тему, но в основном ставят шишко ГУРы на буханки и головастики, а вот на 469 такая конструкция встречается гораздо реже. Вот я и решил добавить свои пять копеек именно в доработках 469.В принципе, схема та же — золотниковая тяга и гидроцилиндр ну и конечно насос, а основное отличие только в том, что на 469 нужна золотниковая тяга от ГАЗ 3309-08 ее отличие от тяги газ 66 в расположение золотника. На тяги газ 66 золотник в самом конце тяги и у нас он будит упираться в рессору, а вот от 3309 нам отлично подходит. Ну а дальше дело техники или кто на что горазд. Вот фото моего варианта

28:1855 29:2362

Золотниковая тяга газ 3309 +часть рулевой тяги газ 52(купил поперечную тягу газ 52 обрезал по размеру нарезал резьбу и ввернул в часть тяги газ 3309 ) а ну и сошки уже были развернуты под конус наконечника газель .

29:378 30:885

Гидроцилиндр газ-3309 он же газ-66

30:945 31:1452

насос бмв 130бар

31:1483 32:1990

крепление гидроцилиндра к мосту отверстие под гидроцилиндр просверлили сверлом на 18 нагрели и пробили конусом диаметр пластины у нас 20мм

32:224733:506

ну и крепление насоса гура он стоит у нас на заводском месте генератора

33:640

Ну вот и все устройство ГУРа осталось все соединить и поставить. Уже не терпится опробовать должна получится мощная конструкция.

33:880 34:1387

ГУР БМВУАЗ 31519

34:1425 35:1932

Был куплен комплект ГУР ZF от БМВ в 28 кузове, для его внедрения понадобилось: — кронштейн крепления насоса ГУР УАЗ (по моему от 3160); — изготовление переходной плиты под рулевую машинку; — крестовина рулевого вала; — увеличенные шайбы и замена болтов крепления радиатора (требуется лифтовка его на 15-20мм); — сошка не нашлась от волги, поэтому сделал ее сварную из 2х (фот нет к сожалению); — двухручьевой шкив коленвала; — ремень на 1250мм… Процедура установки уже обсосанная не на один раз, поэтому скажу только про подводные камни: 1) у меня диаметры фланцев на рулевом валу отличались на 1мм (бэховская уже) поэтому пришлось аккуратно рассверливать, 2) кронштейн насоса немного пришлось делать короче, путем отрезания от него 10мм полоски… 3) шкив двухручьевой пришлось выносить на 10 мм вперед иначе ремни не встают из-за патрубков; 4) пришлось в итоге перегибать сошку вверх, иначе она получалась самой нижней точкой моста, т.е. любое серьезное препятствие могло просто выломать ее на раз…

в общем результатом доволен — парковаться в городе заметно проще.

Ссылка на основную публикацию
Похожее