Россия, Алтайский край, Новоалтайск, Октябрьская улица
Телефон:
+7 (385) 324-67- Показать номер
Пн-чт: 08:00—18:00; пт: 08:00—17:00
whatsapp telegram vk email

Не работает регулировка зеркал нива шевроле

Стеклоподъемники Шевроле Нива: что делать, если они не работают?

Не работает регулировка зеркал нива шевроле

Уже давно прошли те времена, когда работу по опусканию или поднятию боковых стекол выполняли водители с помощью прикладывания физической силы. Сейчас достаточно одной манипуляции пальцем и два передних боковых стекла опускаются автоматически. Теперь вся работа основана исключительно на электронике и устройствах, которые осуществляют непосредственно поднятие и опускание стекол.

Эти устройства называются стеклоподъемниками и выполняют важную работу. Почему важную? Потому что, во время опускания водителем стекла с помощью ручного способа, возникает опасность создания аварийной ситуации. Водитель в той или иной мере отвлекается, особенно если ручка стеклоподъемника заклинивает.

Сейчас же Шевроле Нива выпускается с автоматическими стеклоподъемниками на передних дверях и с механическим управлением на задних.

Иногда и даже довольно часто водители встречаются с проблемой, когда не работает стеклоподъемник передней и задней двери. Почему так бывает, какие основные причины неработоспособности данных устройств, да и вообще, из чего состоят эти изделия и на чем основывается их принцип действия? Все ответы можно найти в этом материале.

Назначение стеклоподъемников

Практически все автомобили Нива Шевроле в конструкции передних дверей имеют специальные электромоторчики, которые совершают действия по поднятию или опусканию стекол автоматически. Кнопки управления располагаются непосредственно на дверцах с водительской стороны и со стороны пассажира. Задние стекла опускаются и поднимаются исключительно ручным способом. Возможно, в будущем мы увидим обновленную модель Шевроле Нивы, которая будет комплектоваться с электрической системой стеклоподъемников, но пока имеем то, что имеем.

Итак, управление стеклоподъемниками передних дверей осуществляется посредством нажатия двух кнопок. При этом обязательно должно быть включено зажигание, так как мотор стеклоподъемника потребляет большой ток и может быстро посадить аккумулятор. Чтобы этого не случилось, после того, как зажигание будет выключено, то функционирование моторчика может осуществляться в течение 30 секунд, после чего следующий запуск стеклоподъемника возможен после поворота ключа в замке зажигания.

На передней двери водителя имеется две кнопки управления стеклоподъемниками:

  • Первая верхняя кнопка управляет стеклоподъемником с водительской стороны;
  • Вторая нижняя управляет поднятием стекла с пассажирской стороны.

На дверце пассажира также имеется одна кнопка, управляемая только стеклом пассажирской стороны.

Задние двери имеют специальную рукоятку, посредством которой осуществляется ручное поднятие и опускание стекол. Система хоть и старая, но имеет некоторые преимущества перед электронными устройствами:

  • Надежность. Стеклоподъемники с ручкой ломаются намного реже, нежели автоматические.
  • Постоянное функционирование: с зажиганием и без него.
  • Управляемость. Маленький ребенок не сможет самостоятельно открыть окно с ручкой, чего нельзя сказать о нажатии кнопки стеклоподъемника.

Но все же стоит заметить, что порой в негодность приходят как электрические стеклоподъемники, так и механические. Рассмотрим, что же может быть причиной того, если устройство передних и задних дверей не функционирует.

Причины неисправности изделий

Причин, к сожалению, очень много, поэтому выделим основные:

  1. Если на Ниве Шевроле не опускаются и не поднимаются стекла, то, прежде всего, это может говорить о выходе из строя предохранителя.
  2. Электрическая схема. Непродуманная схема работы электрических устройств приводит к тому, что контакты попросту не выдерживают чрезмерных нагрузок.
  3. Неисправность кнопки. Иногда кнопка попросту заедает.
  4. Неисправен мотор.
  5. Неисправность реле.
  6. Неисправность контактов. Контакты могут со временем окисляться и тем самым не пропускают ток на мотор.

Чтобы решить проблему того, почему не работают передние стеклоподъемники, необходимо проверить все узлы управления и при необходимости извлечь мотор и отремонтировать его.

Схема управления стеклоподъемниками

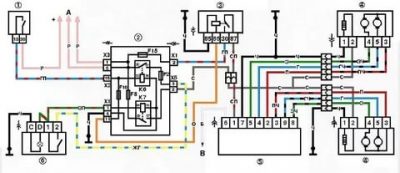
Ниже представлена схема, которая отображает работу стеклоподъемников передних дверей. Стеклоподъемник передней двери состоит из следующих комплектующих:

  1. Мотор;
  2. Барабан для троса;
  3. Реле;
  4. Предохранитель;
  5. Кнопка включения;
  6. Проводка;
  7. Моторедуктор.

Схема работы стеклоподъемника имеет вид:

Как работает схема, и за что отвечает каждый ее элемент, рассмотрим коротко.

Итак, под номером 1 показан монтажный блок устройства, собственно от него и происходит питание устройств. Монтажный блок находится под панелью приборов с водительской стороны.

2 – реле включения стеклоподъемников. Мотор устройства достаточно мощный, поэтому чтобы снизить ток в цепи управления включается в схему реле. С монтажного блока подается питание на реле, а от него уже на всю систему управления.

3 – кнопка включения стеклоподъемника правой стороны. Схема также показывает, что внутри кнопка имеет светодиодную подсветку.

4 и 5 – соответственно мотор правого и левого устройства поднятия стекол.

6 – кнопка управления изделием с водительской стороны, которая также имеет подсветку.

Под номером 7, схема отображает замок зажигания, посредством которого осуществляется подача питания на реле.

Схема работает следующим образом: при повороте ключа в замке подается автоматически питание на монтажный блок и реле соответственно. При этом загорается подсветка кнопок управления. При нажатии на любую клавишу происходит процесс поднятия или опускания стекла. Ток идет по цепи: аккумулятор – предохранитель – реле – кнопка – мотор. Только после нажатия кнопки происходит срабатывание стеклоподъемника.

Таким образом, схема дает четкое представление не только картины функционирования устройства, но и его неисправностей.

Как устранить неисправности?

Итак, если не работает стеклоподъемник передних дверей, то необходимо выполнить следующие манипуляции: 

  1. Проверить предохранитель на пригодность. Он находится под панелью в монтажном блоке под номером 5. При неисправности его нужно заменить.
  2. Проверяем пригодность реле следующими способами:
    • подсоединяется новое реле;
    • при его отсутствии, замыкаются контакты 30 и 87 между собой. Так как ремонт реле не осуществляется, то в таком случае его нужно заменить.
  3. Отказ кнопки. При заедании кнопки ее необходимо снять и поменять. Замена кнопки осуществляется довольно просто.
  4. Неисправен мотор. В таком случае потребуется его замена. Как это делать, рассмотрим ниже.
  5. Окисление контактов на моторе. Необходимо почистить контакты.
  6. «Перебита» проводка. В таком случае необходимо проверить наличие напряжения на проводах, питающих электромотор устройства. При отсутствии питания и исправности прочих узлов необходимо устранить повреждение проводки.

Имеются также и механические виды неисправностей, но при их наличии будет слышен соответствующих гул работы мотора при нажатии на кнопку.

Замена стеклоподъемника

Замена изделия на автомобиле Нива Шевроле осуществляется в случае, когда не работает мотор стеклоподъемника, а прочие причины неисправностей были уже устранены. Мотор устройства является неразборным и должен заменяться при выходе из строя. Ремонт мотора не производится и не предусматривается с завода.

Замена осуществляется в следующем порядке:

  1. На дверной ручке извлекаются заглушки, винты и саморезы.
  2. Под ручкой вывинтить саморез и извлечь накладку.
  3. Внизу извлечь два самореза и можно приступать к снятию накладной панели.
  4. При наличии динамика извлечь его путем вывинчивания крепежных саморезов.
  5. Извлечь обшивку двери.
  6. Вывинтить кронштейн стекла от механизма устройства.
  7. Вывинтить направляющую стекла и извлечь ее.
  8. При снятии стеклоподъемника потребуется опустить стекла вниз, слегка приподнять правый край и вынуть его из двери.
  9. Открутить крепежи рамок стеклоподъемника в 4-х точках.
  10. Отсоединяется разъем мотора и вынимается весь механизм сквозь нижнее окошко дверного проема.
  11. Отвинчиваются три резиновых демпфера вместе со шпильками.

Снятие на данном этапе закончено, теперь остается заменить устройство на новое. После того как замена будет произведена, нужно собрать все детали в последовательности обратной снятию.

Пару слов о неисправности задних стеклоподъемников

В большинстве случаев задние устройства имеют не столь сложные неисправности, поэтому только ремонт может исправить положение. Но прежде чем осуществлять ремонт, потребуется снять устройство.

Задние стеклоподъемники извлекаются в следующей последовательности:

  1. Извлекается декоративная обивка аналогично с передней двери.
  2. Отсоединяется тяга внутренней ручки замка.
  3. Поднимается стекла максимально вверх.
  4. Торцевой головкой необходимо вывинтить центровые гайки крепления механизма.
  5. Далее вывинчиваются верхние и нижние крепежные гайки, и извлекается устройство из дверного отверстия.

Теперь необходимо выполнить соответствующий ремонт, который может включать в себя смазку изделий и замену комплектующих. По окончании все элементы необходимо собрать в последовательности обратной снятию.

Исходя из всего изложенного, стоит также заметить, что многие автолюбители доукомплектовывают внедорожник Шевроле Нива электрическими стеклоподъемниками. Как это сделать, вы узнаете из другого материала, но стоит заметить, что зачастую польза от этого практически нулевая. Важно следить за состоянием комплектующих автомобиля, чтобы он не подвел в самый неподходящий момент.

Предохранители шевроле нива с описанием схем блока. Предохранитель прикуривателя niva

Не работает регулировка зеркал нива шевроле

Chevrolet Niva — компактный кроссовер российской сборки. Выпускался в 2002, 2003, 2004, 2005, 2006, 2007, 2008 году. В 2009 году автомобиль получил рестайлинг. Обновленный производился в 2010, 2011, 2012, 2013, 2014, 2015, 2016, 2017 и 2018 годах. Мы рассмотрим блок с предохранителями шевроле нива и реле с полным описанием представленных схем. Покажем где находится предохранитель прикуривателя.

Основной блок с предохранителями и реле

Данный блок находится слева от рулевой колонки и закрывается снизу крышкой. Что бы к нему добраться, надо окрутить 2 винта, после отжав верхний край крышки, постепенно освободить её от всех креплений.

Появившейся блок будет держатся на специальном кронштейне. Сама схема предохранителей и количество элементов на нем, может различаться в зависимости от комплектации и года выпуска.

фото блока с предохранителями в шевроле нива

Схема — вариант 2

Расшифровка предохранителей

F1 (5 А) — лампы освещения номерного знака, лампы приборной панели, контрольная лампа включения света на приборной панели, подкапотная лампа, лампа дополнительного стоп-сигнала, лампы левых габаритных огней.

Если не работают какие-либо из перечисленных ламп, проверьте этот предохранитель и сами лампы, их разъёмы и проводку.

F2 (7,5 А) — ближний свет в левой фаре.
Аналогично реле К4.

F3 (10 А) — дальний свет в левой фаре, контрольная лампа включения дальнего света фар на приборной панели.
Аналогично реле К5.

F4 (10 А) — резервный предохранитель.

F5 (30 А) — электрические стеклоподъемники передних дверей и их реле.
Если при управлении стеклоподъёмником стекло опускается, но не поднимается (или наоборот), проверьте кнопку на двери. При опускании и поднимании разная полярность и направление вращения двигателя. Также дело может быть в механизме стеклоподъёмника. Чтобы добраться до него, нужно снять обшивку двери. Проверьте, чтобы механизм нигде не закусывало и шестерёнки были целые, без сломанных зубьев. При наличии проблем можно заменить весь привод электростеклоподъёмника на новый.

F6 (15 А) — блок управления блокировкой дверных замков.
Если у вас перестали открываться двери, одна или несколько, проверьте этот предохранитель. Дело может быть в центральном замке, блоке управления, а также самих механизмах, тягах и замках дверей. Если нет опыта, лучше обратиться в автосервис.

F7 (20 А) — звуковой сигнал и его реле, прикуриватель. Если не работает звуковой сигнал, проверьте этот предохранитель, подрулевые контакты и проводку, контакты могли окислиться, а проводка перетереться. Также проверьте сам гудок, можно его заменить на другой, например на двухтональный от Волги. Если не работает прикуриватель, проверьте проводку и его контакты. Белый провод отвечает за подсветку, красный и чёрный идут на контакты прикуривателя.

Не вставляйте нестандартные разъёмы в прикуриватель, они могут вызвать короткое замыкание. Если разъём в прикуривателе шевелится в стороны, лучше воспользоваться разветвителем и вставлять этот разъём туда.

F8 (20 А) — элемент и реле обогрева заднего стекла (контакты).
Аналогично реле К7.

F9 (20 А) — обмотка реле обогрева заднего стекла, дополнительное реле, двигатель стеклоочистителя заднего стекла, переключатель стеклоочистителей и стеклоомывателей.

F10 (20 А) — резервный предохранитель.

F11 (5 А) — лампы правых габаритных огней.

F12 (7,5 А) — ближний свет в правой фаре, моторедукторы корректоров света фар.
Аналогично реле К4.

F13 (10 А) — дальний свет в правой фаре.
Аналогично реле К5.

F14 (10 А) — резервный предохранитель.
F15 (20 А) — резервный предохранитель.

F16 (10 А) — прерыватель указателей поворота и аварийной сигнализации (в режиме «аварийки»).
Аналогично реле К3.

F17 (7,5 А) — освещение салона, лампа индивидуальной подсветки, лампы стоп-сигналов, контрольная лампа «чек» неисправности системы управления двигателем.
Если не работают стоп-сигналы, проверьте этот предохранитель, сами лампы, их разъёмы, обычно дело в плохих или окислившихся контактах. Также посмотрите работоспособность выключателя стоп-сигналов, расположенного около педали тормоза.

F18 (25 А) — электродвигатель печки и его переключатель. Если печка дует холодным воздухом, проблема может быть в заслонке горячего воздуха, тросик к которой идёт от регулятора под обшивкой недалеко от педали газа. Уровень охлаждающей жидкости должен быть в допустимых пределах.

Если печка вообще не работает и не дует, дело может быть в двигателе отопителя. Проверьте также выключатель печки и его контакты.

F19 (10 А) — прерыватель указателей поворота и аварийной сигнализации (в режиме поворотов), контрольная лампа включения габаритов в выключателе света, лампы поворотников, контрольные лампы поворотников на приборной панели, контрольная лампа дифференциала.
Если не работают поворотники или «аварийка», читайте информацию про реле К3.

F20 (7,5 А) — резервный.

Расшифровка реле

  1. Не используется
  2. Реле электродвигателя очистителя ветрового стекла
  3. Реле-прерыватель указателей поворотов и аварийной сигнализации
  4. Реле ближнего света фар
  5. Реле дальнего света фар
  6. Дополнительное реле(Обмотка реле обогрева стекла двери багажника, вентилятор отопителя, очиститель и омыватель ветрового стекла, очиститель и омыватель стекла двери багажного отделения)
  7. Реле обогрева стекла двери багажника
  8. Резерв

Дополнительные выносные реле

Находятся немногим ниже основного блока.

Схема

Расшифровка

  1. Реле стеклоподъёмников;
  2. Реле противотуманных фонарей;
  3. Реле звукового сигнала либо обогрева сидений;,
  4. Реле привода наружных зеркал (опционально).

Для автомобилей выпущенных с 2009 года

Схема

Таблица с описанием предохранителей

F1 (5) Фонари освещения номерного знака, лампы габаритного света в левой блок-фаре и левом заднем фонаре, подкапотная лампа, контрольная лампа включения габаритного света
F2 (7,5) Лампа ближнего света (левая блок-фара)
F3 (10) Лампа дальнего света (левая блок-фара), контрольная лампа включения дальнего света фар
F4 (10) Левая противотуманная фара
F5 (30) Реле электростеклоподъемников, электростеклоподъемники передних дверей
F6 (15) Предохранитель прикуривателя
F7 (20) Реле звукового сигнала, звуковой сигнал, плафон освещения багажника
F8 (25) Элемент обогрева стекла двери багажного отделения, реле обогрева стекла двери багажного отделения, элементы обогрева наружных зеркал заднего вида
F9 (20) Выключатель обогрева стекла двери багажного отделения, реле очистителя ветрового стекла, электродвигатель очистителя ветрового стекла, насос омывателя ветрового стекла, правый подрулевой переключатель, лампа освещения вещевого ящика, лампы света заднего хода
F10 (20) Блок дистанционного управления электропакетом (блокировка дверей)
F11 (5) Лампы габаритного света в правой блок-фаре и правом заднем фонаре, регулятор яркости подсветки приборов
F12 (7,5) Лампа ближнего света (правая блок-фара), мотор-редукторы регулятора пучков света блок-фар
F13 (10) Лампа дальнего света (правая блок-фара)
F14 (10) Правая противотуманная фара
F15 (20) Блок управления наружными зеркалами, электроприводы наружных зеркал заднего вида, блок управления подогревом сидений
F16 (10) Реле-прерыватель указателей поворотов и аварийной сигнализации (в режиме аварийной сигнализации)
F17 (7,5) Плафоны освещения салона, контрольная лампа состояния противоугонной системы, сигналы торможения, дополнительный сигнал торможения
F18 (25) Вентилятор отопителя, предохранитель печки
F19 (10) Реле-прерыватель указателей поворотов и аварийной сигнализации (в режиме указания поворотов), комбинация приборов (кроме контрольной лампы неисправности системы управления двигателем), реле стартера
F20 (7,5) Лампы противотуманного света в задних фонарях, блок управления противоугонной системы, зуммер

Описание реле на блоке

  1. Не используется;
  2. Реле электродвигателя очистителя ветрового стекла;
  3. Реле-прерыватель указателей поворотов и аварийной сигнализации;
  4. Реле ближнего света фар;
  5. Реле дальнего света фар;
  6. Дополнительное реле(Обмотка реле обогрева стекла двери багажника, вентилятор отопителя, очиститель и омыватель ветрового стекла, очиститель и омыватель стекла двери багажного отделения)
  7. Реле обогрева стекла двери багажника
  8. Резерв

Дополнительные выносные реле

Схема

Обозначение

  1. Реле противоту­манных фар;
  2. Реле стеклоподъемни­ков;
  3. Реле обогрева сидений;
  4. Реле звукового сигнала;
  5. Реле стартера.

Дополнительный блок реле и предохранителей

Он находится за вещевым ящиком в ногах у переднего пассажира. Для доступа, к сожалению, придется снять вещевой ящик. Тут расположены предохранители электровентиляторов системы охлаждения и реле управления двигателем (система впрыска).

Схема

Назначение

  1. Дополнительное реле (вклю­чает правый электровентилятор через дополнительный резистор на низкую ско­рость вращения);
  2. Предохранитель (50А), защищающий силовые цепи до­полнительного реле и реле правого элек­тровентилятора;
  3. Предохранитель бензонасоса (топливного насоса) (15А), защищающий силовые цепи реле электробензонасоса;
  4. Предохранитель (15А), защищающий цепь постоян­ного питания контроллера;
  5. Реле правого электровентилятора;
  6. Реле левого электровентилятора;
  7. Реле электробензонасоса;
  8. Главное реле;
  9. Предохранитель (50А), защищаю­щий цепи левого электровентилятора;
  10. Предохранитель (15А), защищаю­щий силовые цепи, включаемые главным реле;
  11. Контроллер

Предохранитель прикуривателя

Если не работает прикуриватель, то первое что стоит проверить это само гнездо на наличие посторонних предметов и целостности плавкой вставки, которая размыкает цепь, в том случае, если не сработает обратный механизм спирали прикуривателя.

Далее проверяем предохранитель на самом блоке. На схемах он отмечен под номером — 6 (F6).

Если и это не помогло, тогда остаётся вопрос с самой электро проводкой.

В данном видео можете наглядно посмотреть пример того, как добраться к блоку с предохранителями и заменить их.

Блок управления наружными зеркалами шевроле нива ремонт своими руками

Не работает регулировка зеркал нива шевроле

Одно зеркало готово, точно также поступаем со вторым.

Наружные зеркала с электроприводом устанавливаются на автомобили «Шевроле-Нива» в вариантном исполнении.  1 – монтажный блок;…

Поэтому свой блок я разобрал, прозвонил каждый контакт и схему переделал под свой блок, заодно и светодиоды поменял. Чтобы включить звуковой сигнал, нажмите на любое место центральной накладки рулевого колеса. Нам нужен круглый, потому что он идеально подходит по посадочным местам в наше ДААЗ-овское зеркало.

Если стрелка перешла в красную зону, следует остановиться, дать двигателю остыть и устранить причину перегрева. Примерно через 20 с патрон со щелчком возвращается в исходное положение, готовый к применению. Панель приборов 1 — переключатель наружного освещения.

За год эксплуатации из четырех винтов я открутил только два: Два винта пришлось высверливать и ставить с обратной стороны гайки.

Прикручиваем окончательно механизм на четыре винта, прикручиваем три самореза, крепящие пластмассовый корпус зеркала, одеваем разъемы: Перед тем, как защелкнуть зеркальный элемент, еще раз все проверьте: Перед тем, как ставить на место зеркало, проверяем работу поворотных механизмов, подсоединив провода к аккумулятору.

Только после этого можно ставить зеркало. Теперь, когда ручной регулировки нет, надо заглушить отверстие в уголке двери.

Можно купить от Шнивы уголки и вытащить заглушки, но мне в магазине продавец подобрал от чего-то другого заглушки. Немного расточил отверстие в уголке — и заглушки вошли как родные: Одно зеркало готово, точно также поступаем со вторым.

Подключение зеркал Подключал все по этой схеме: Схема включения электроуправляемых зеркал 1 — выключатель зажигания; 2 — монтажный блок; 3 — реле включения обогревателей передних сидений; 4 — электроуправляемые зеркала; 5 — блок управления электроуправляемыми зеркалами; 6 — выключатель обогрева заднего стекла; А — к источникам питания; В — к выключателю наружного освещения; К6 -дополнительное реле; К7 — реле включения обогрева заднего стекла.

Сразу оговорюсь, схема может отличаться от той, которой пользовался я. Все дело в том, что разные блоки управления: Поэтому свой блок я разобрал, прозвонил каждый контакт и схему переделал под свой блок, заодно и светодиоды поменял.

Сложного ничего нет, подсветку блока взял от подсветки прикуривателя, плюсовой провод на 9 контакт можно взять с обогрева стекла. Проводку всю протягивал под торпедой в отдельных жгутах. Блок управления разместил в туннеле пола, там есть специальное место под этот джостик: Вот собственно и все.

Александр Бердников aka Limonoff. Для этого нам понадобятся потроха от Шнивовских зеркал.

Кстати, думаю, что вполне реально присобачить шнивские зеркала и целиком, забурив дверку и заглушив нижние дыры. Может так оно технически и более грамотно, учитывая пластиковый кронштейн см.

Детали и расходники:

Но у меня пока рука не поднялась, посему корпуса от шнивских зеркал лежат в запасе: А там, возможно, ДААЗ и сподобится запихать в М-зеркало электропотроха — а у нас всё готово проводка в смысле: Шнивские зеркала бывают с «круглым» и «квадратным» мотор-редуктором. Нам нужен круглый, потому что он идеально подходит по посадочным местам в наше ДААЗ-овское зеркало. При нажатии на кнопку выключателя включаются задние противотуманные фонари, если нажата кнопка выключателя света фар см.

При повторном нажатии на кнопку задние противотуманные фонари выключаются.

При выключении зажигания фонари выключаются автоматически; выключателя 4 фароочистителя и фароомывателя при их наличии на автомобиле.

Кнопка выключателя не фиксирована, при ее нажатии, если включен свет фар, включаются фароочистители и фароомыватели.

Chevrolet Niva ECU Tuning

При отпускании кнопки эти устройства отключаются; резервного гнезда для выключателя, закрытого заглушкой 5. В блоке установлены следующие контрольные лампы: При включении зажигания система на 3 с переходит в режим самотестирования и лампа загорается постоянным светом. При оттягивании ручки замка на себя открывается крышка вещевого ящика.

На рукоятке рычага нанесена схема переключения передач. На рукоятке рычага нанесена схема переключения режимов работы раздаточной коробки. При нажатии на клавишу выключателя обогрев сидений включается, при этом загорается контрольная лампа в клавише.

Чтобы затормозить автомобиль стояночным тормозом, поднимите рычаг до упора вверх. При этом загорится красным светом контрольная лампа в комбинации приборов. Чтобы растормозить автомобиль, потяните рычаг немного вверх, нажмите на кнопку на торце рукоятки рычага и опустите его до упора вниз. Контрольная лампа должна погаснуть.

При откидывании крышки пепельницы открывается одновременный доступ к пепельнице и прикуривателю. Для пользования прикуривателем нажмите на кнопку патрона до его фиксированного положения. Примерно через 20 с патрон со щелчком возвращается в исходное положение, готовый к применению. Для очистки пепельницы нажмите на пластину гашения сигарет и выньте пепельницу из гнезда.

При включенном наружном освещении внутренняя часть пепельницы и прикуриватель подсвечиваются специальными фонарями. Ключ в замке может занимать одно из трех положений: Левая и правая клавиши в блоке включают соответственно обогрев сиденья водителя и переднего пассажира. При нажатии на клавишу выключателя обогрев сидений включается, при этом загорается контрольная лампа в клавише.

Написать отзыв

При повторном нажатии на клавишу выключателя или при выключении зажигания обогрев сиденья выключается. Чтобы затормозить автомобиль стояночным тормозом, поднимите рычаг до упора вверх. При этом загорится красным светом контрольная лампа в комбинации приборов. Чтобы растормозить автомобиль, потяните рычаг немного вверх, нажмите на кнопку на торце рукоятки рычага и опустите его до упора вниз.

Контрольная лампа должна погаснуть. При откидывании крышки пепельницы открывается одновременный доступ к пепельнице и прикуривателю. Для пользования прикуривателем нажмите на кнопку патрона до его фиксированного положения. Примерно через 20 с патрон со щелчком возвращается в исходное положение, готовый к применению. Для очистки пепельницы нажмите на пластину гашения сигарет и выньте пепельницу из гнезда. При включенном наружном освещении внутренняя часть пепельницы и прикуриватель подсвечиваются специальными фонарями.

Ключ в замке может занимать одно из трех положений: Все потребители выключены, ключ вынимается. При вынутом ключе срабатывает запирающий механизм противоугонного устройства. Для гарантированного блокирования вала рулевого управления поверните рулевое колесо вправо или влево до щелчка.

Ключ не вынимается, рулевое управление разблокировано.

Нива шевроле не работает регулировка зеркал

Не работает регулировка зеркал нива шевроле

› Другое

09.04.2020

С 2009 года в ходе управления зеркалами Шевроле Нива, приходится наклоняться вперед.

Решил установить джойстик рядом с кнопками стеклоподъемников. По размеру родной джойстик великоват. Примерял от Калины, Логан и от многих других. Расположить аккуратно удалось только от Opel Vectra B 1995-2002 года.

Оригинальный номер: General Motors 90363311 Opel 6240473 Можно применить джойстик с кнопкой и светодиодом от Opel Vectra A 1988-1995 года. У него провода чуть короче. Но не советую, так как для использования дополнительной кнопки и индикатора потребуется изменять штатные жгуты проводов и разъёмы на дверке. Каталожный номер: General Motors 90313072

Opel 1240491

Сравнил их, и выбор пал на более простой вариант.

Гнездо для джойстика от Опеля вырезал вручную, насверлив отверстий по углам.

Выбрана схема подключения с минимальными доработками электрических жгутов.

Думаю для тех, кто хоть немножко разбирается в утюгах, переделка не составит большого труда! Надо предварительно снять карман, ручку, обивку двери. Я согласовал эту работу с установкой теплоизоляции и акустики. Теперь самое трудное, соединение проводов!

Выньте предохранители F5(30A) и F15(20A).

Мне удалось спалить зелёный F5, пока проверял монтаж!
Вскрыл жгут, сдвинул чёрные кембрики с обжимок и запаял два новых провода питания.

Точка соединения белых проводов с чёрной полосой, это +12 вольт от F5(30A). +12 подается через дополнительное реле монтажного блока 2123-3722-010-22, срабатывающее при включении зажигания. Точка соединения чёрных и коричневых проводов, это масса.

Если заранее подготовить колодки и джойстик, то далее копаясь в двери, можно обойтись без паяльника.

Фрагмент электросхемы Opel Vectra A.

Отрезал родной разъем от джойстика Opel (9 контактов AMP 928523) и припаял три новых.

1 разъем. 3 контакта папа для управления правым зеркалом. 2 разъем. 3 контакта мама для управления левым зеркалом. 3 разъем. 2 контакта питания.

Далее разъединяем колодки (3 контакта) левого зеркала и в разрыв подключаем колодки от нового джойстика.

Завершенные соединения заматываем изолентой и аккуратно укладываем жгут на место. Захлопнув дверь, проверить зазоры между ограничителем двери и жгутом. Надо чтобы они, не соприкасались. Ставим обратно зелёный предохранитель F5 и проверяем поднятие, опускание стёкол, управление левым зеркалом, при включенном зажигании.

Для управления правым зеркалом достаточно поставить три перемычки в колодке для старого джойстика.

Я просто скрутил и пропаял попарно: красные, голубые и зелёные провода.

В колодке остались 3 провода. Коричневый — Масса, Белый — +12 подсведка, Серый — +12 от F15(20A) электрообогрев сидений. Можно легко поставить и запитать дополнительные розетки 12V. Собственно и всё.

Джойстик работает отлично, ни каких глюков не замечено. Что больше всего радует. После движения задним ходом, легко вернуть начальную настройку зеркала.

Установка трехуровневого регулятора напряжения в Шевроле Ниву (ВАЗ 2123)

Еще с самого приобретения ШНГ и после установки на нее бортового компьютера Штат Спикер, я наблюдал на нем показания

Читать еще:  Как поставить зеркала на ВАЗ 2107

Почему не работает обогрев заднего стекла и обогрев зеркал на Нива Шевроле

Обогрев заднего стекла на Нива Шевроле — это нанесённые на поверхность заднего стекла электропроводные параллельные нити, соединённых с вертикальными (по бокам) проводами.

Как определить поломку обогрева заднего стекла

Типичные неполадки прогрева стекла визуально заметны с запуском двигателя. Оно может оттаивать частично или полностью запотевать.

В первом случае, токопроводная нить может иметь обрыв с последствиями:

  1. Стекло потеет при не работающей сигнальной лампе и реле отогрева. В первую очередь требуется проверить величину напряжения, предохранитель.
  2. Стекло не обогревается, хотя контрольная лампа работает. Не исключается отсутствие напряжения.
  3. Конденсат проявляется местами, что объясняется наличием обрыва нити.Восстанавливается специальными лаками, ремонтными реагентами.
  4. Не оттаивает, несмотря на рабочее состояние системы.

Происходит подобное при сильном обледенении и возможном недостатке напряжения нагрева. Следует очистить лёд с поверхности стекла.

Выявление неполадки

После проверки возможных причин, дефект может заключаться в выключателе или его кнопке .

Поиск обрыва в цепи питания обогрева задних зеркал.

Худший вариант — неполадка кроется в проводке, которая устраняется путём разборки приборной панели.

Предохранитель обогрева заднего стекла и зеркал идёт под 8 номером в монтажном блоке. Ёмкость 25 Ампер. Проблема может быть в нём. На фото из-за плохого контакта, предположительно, посадочное место расплавилось. Мог возникнуть пожар.

Часто отсутствие признаков прогрева скрывается в предохранителе или реле управления обогревом.

Нередки случаи обнаружения дефектов связанных с подключением жгута нитей к приборной системе авто.

Проверка тестером блока предохранителей

Первая неисправность выявляется тестером. Реле же проверяется заменой его, пусть б/у, но рабочим прибором.

Доступным вариантом остаётся восстановление возможных обрывов нитей. Но нередко водители прибегают к замене заднего стекла целиком, что весьма накладно.

Восстановление нитей обогрева заднего стекла на Шевроле Нива

Прозвонка нити обогрева

Существует ряд способов самостоятельного восстановления обогрева. Выбор, какого-либо из них привязан к величине (ширине) разрыва и характеристике нити.

Опыт их реставрации основывается на проверенных способах.

    Использование электропроводной пасты или клеевого состава, при ширине разрыва миллиметр . Ремонтный пакет содержит пасту, шприц, предметы очистки стекла. Применение электропроводного клея «Элеконт» или «Контактол», которые наносятся на участок обрыва нити.

Метод гальванического осаждения меди.

Проверка реле

Этапы операций выполняются после отключения АКБ от массы. Исправность реле проверяется: извлечением выключателя и разъёмов из панели, целостность цепи.

Рекомендуем заменить стандартное реле на реле с автоматическим выключением через 15 минут. Такие есть в свободной продаже.

Одновременно, проверяется встроенный в цепь таймер выключателя. Это устройство предназначено включать и отключать время обогрева на определённое время при запуске двигателя и подаче напряжения.

Почему не работает обогрев зеркал на Шевроле Нива

Плохо видно, не правда ли?

Ориентированы повышать безопасность участников движения. Следует незамедлительно заменить , если не поддаётся ремонту. Работают вкупе с обогревом заднего стекла и отключаются через небольшой промежуток автоматически после выключения двигателя.

Оплавление контактов в монтажном блоке. Особенность конструкции, где на одном предохранителе висит и обогрев заднего стекла и обогрев боковых зеркал.

Читать еще:  ВАЗ 2107 карбюратор глохнет на холостом ходу

При поломке консоли разбирается последовательным извлечением нагревательной пластины (элемента) из штатного места. Пластиковый корпус разогревается феном и отгибается, чтобы вытащить зеркало из обоймы. В корпусе находится элемент, приклеенный к зеркалу. При сборке следует придерживаться обратной последовательности.

При отсутствии в комплектации штатного обогрева, таковой приобретается и монтаж, желательно, доверяется сервисной организации.

Как снять правильно наружное зеркало заднего вида на Нива Шевроле

Пока конструкторами в Ниве Шевроле не будет разработана система кругового вида, единственным средством, чтобы можно было ориентироваться в пространстве, остаются зеркала заднего вида. Но, несмотря на всю свою прочность, в них имеются такие опции как обогрев, привод для регулировки и складывания, поэтому может случиться такое, что какой-то из этих механизмов выходит из строя, поэтому может потребоваться ремонт зеркала бокового вида. Так же вовремя движения по бездорожью, можно на своем пути встретить препятствие в виде крепкой ветки, об которую может, сломятся кронштейн отвечающие за складывания зеркал.

Устройства

В его конструкцию входят:

  • Корпус, состоящий из пластика
  • Само зеркало, которое крепится за счет пластиковых защёлок, на сервопривод
  • Сервопривод регулировки, у которого имеется мягкая резиновая муфта, с двумя клеммами
  • Силуминовый кронштейн, при помощи которого происходит крепление к двери

Цена всего изделия колеблется от двух тысяч, до трех все зависит от фирмы производителя, а так же от того в каком году был выпущен автомобиль.

Как произвести снятие

Если требуется замена зеркала бокового вида, том нам потребуется около часа времени, отвертка и круглогубцы. На первый взгляд может показаться, что снять их просто, но из-за наличия в них контактных колодок, регулировочного привода, и подогрева, нужно снимать имеющуюся обшивку на двери. Когда инструмент готов можно приступать к демонтажу:

  1. Все имеющиеся винтики, которые удерживают дверную карту, откручиваем
  2. Откручиваем винт, который с первого взгляда можно не увидеть, и находится под ручкой при помощи, которой открывается дверь, чтобы получить к нему доступ, следует ручку потянуть на себя.
  3. После того как вся обшивка снята, берем отвертку и с внутренней стороны двери, поддеваем накладку в виде треугольника, которая держится только за счёт пластиковых защелок.
  4. Через отверстие, которое расположено в районе петель, отсоединяем клеммы, которые питают и отвечают за управление зеркалами.
  5. Под имеющейся треугольной накладкой откручиваем несколько винтов, благодаря которым происходит крепления кронштейна зеркала.
  6. Когда все болты выкручены, можно переходить к снятию зеркала, его следует снимать вместе с пластиковой прокладкой, которая находится между ним и дверью.

    Если вы устанавливаете новые зеркала, то прокладка идет уже вместе с комплектом.

Так же если необходимо можно произвести замену кронштейна, или имеющиеся в нем элементы привода. Если треснул или разбился зеркальный элемент его можно поменять без демонтажа всего механизма, достаточно при помощи отвертки через отверстие в пластиковом корпусе отсоединить все имеющиеся фиксаторы, благодаря которым зеркало держится на сервоприводе.

Читать еще:  3 д коврики в машину: автоковрик 3д

Делать все это следует аккуратно, чтобы не сломать зеркальное полотно. Как видите, весь процесс по замене не занимает много времени, и произвести весь ремонт при наличии нужного инструмента можно самостоятельно и в кратчайшие сроки.

Ремонт и замена стеклоподъемников Нива Шевроле, а также способы подключения без зажигания

Не работает регулировка зеркал нива шевроле

В автомобиле Нива Шевроле электрические стеклоподъемники установлены на передних дверях. Кнопки управления расположены сверху на дверцах. Водитель может управлять стеклоподъемниками обеих дверей, а пассажир, только правой.

 Устройство электростеклоподъемника (ЭСП) и схема подключения

Стандартная схема состоит из блока управления, приводного и спускового механизмов. Приводной механизм, или моторедуктор, вращает тросовый барабан, непосредственно поднимая или опуская стекло. Моторедуктор представляет  собой цельный блок электродвигателя с червячной передачей, которая обеспечивает вращение только в одном направлении, от червяка колесу. Это предотвращает случайное закрытие окна. Встроенный термобиметаллический предохранитель защищает от перегрузок.

Рассмотрим за что отвечают комплектующие в схеме электроподъемного механизма:

1. Под панелью приборов со стороны водителя расположен монтажный блок. От него питаются устройства.

2. Реле включения стеклоподъемников снижает ток в цепи управления.

3. Кнопки со светодиодной подсветкой, на правой и левой двери, включают механизм подъема стекла.

4. Моторедукторы пассажиркой и водительской двери, создают усилие, которое поднимает и опускает стекло.

5. Замок зажигания подает питание на реле.

Как работает схема?

Поворот ключа зажигания подает питание на блок и реле включения подъемников. Включается светодиодная подсветка кнопок управления. Механизм движения стекла запускается только при нажатии на любую клавишу.

Движение тока в цепи: аккумулятор — предохранитель — реле — кнопка — моторчик.

Неисправности стеклоподъемника передней двери

В процессе эксплуатации автомобиля случаются поломки механизма подъема стекол. Чаще причины неисправностей связаны с электрической схемой подъемников.
Рассмотрим основные причины неисправностей:

1.Оба стеклоподъемника не работают:1.1. Перегорел предохранитель.1.2. Ненадежное соединение проводов с «массой»1.3.Отсоединился разъем или произошел обрыв в электросети.

1.4. Неисправен главный переключатель стеклоподъемников.

2. Не работает правый:2.1. Повреждение в моторедукторе, или в реле обратного тока.2.2. Обрыв электрической сети.

2.3. Сломался переключатель стеклоподъемника.

3. Стекло опустилось, но не поднимается. Причина — зависание кнопки в нижнем положении.

4. Замедление опускания или поднятия стекла. Причина этого — загрязнение отверстий для дренажа, внизу двери.

5. Возможен износ или обрыв троса в барабане.

6. Встречаются и механические повреждения. Их определяют по характерным шумам и стукам.Устранение неисправностей начинают с проверки предохранителя, с него питание идет на оба стеклоподъемника. Если причина поломки не найдена, придется разбирать дверь.

Предохранители и блок реле автомобиля

Система электроснабжения и потребления автомобиля обеспечивает правильное функционирование узлов и агрегатов и комфортное вождение. Источником тока автомобиля является аккумуляторная батарея. Потребители параллельно соединены между собой и объединены в отдельные блоки с предохранителями.

На Ниве Шевроле блок предохранителей смонтирован в узел и располагается в салоне. Плавкие предохранители защищают почти все цепи питания электрооборудования. Не имеют такой защиты цепи генератора, пуска двигателя и заряда аккумулятора.

Блок предохранителей Нивы расположен со стороны водителя под приборной панелью. Доступ к монтажному блоку закрыт крышкой.

Чтобы ее снять, отвинчиваем два самореза.

Выводим крышку из зацепления с панелью приборов. Приподнимаем ее вверх, выводим штифты из резиновых втулок и снимаем.

На фото можно увидеть где находится блок реле и предохранителей.

В автомобилях Нива Шевроле защищает цепь питания подъемника стекол передней двери предохранитель F5. Реле стеклоподъемников расположен в блоке с выносными реле. Этот блок находится ниже монтажного.

Устраняем неисправности ЭСП

Чтобы механизм стеклоподъемника передней двери не ломался, достаточно раз в год промазывать все его детали. В случае поломок, извлекают ЭСП и проводят ремонт:

1. Предохранитель проверяются стандартным способом. По схеме или визуально находим нужный предохранитель. Осматриваем его на наличие обрыва проволоки, обгорелых следов. Можно проверить тестером (мультиметром) по сопротивлению, или напряжению.

2. Проверяем на исправность реле. Для этого либо подсоединяется новое, либо замыкают контакты 30 и 87 между собой. Реле ремонту не подлежит, его заменяют.

3. Кнопки стеклоподъемника проще снять и заменить. Причина их неисправности — окисление контактов. Можно быстро восстановить работу кнопок, обработав их проникающей жидкостью WD-40.

4. Неисправный моторчик подлежит замене. Его ремонт возможен, только при окислении контактов. Их необходимо зачистить. При отсутствии напряжения в проводах мотоблока, нужно найти разрыв и устранить повреждение.

Все подвижные части снятого механизма ЭСП осматриваются на наличие механических повреждений, пыли, грязи. Иногда достаточно очистить детали от ржавчины и смазать, чтобы подъемник исправно заработал.

Замена передних СП

Снимают механизм ЭСП с передней двери для проведения ремонта деталей, или полной его замены. Также снимают электростеклоподъемник, при других ремонтных работах, когда механизм мешает их проведению. Необходим стандартный набор инструментов.

Последовательность проведения работ:

  1. Снимаем пластиковую обшивку двери. Тонкой отверткой аккуратно вытягиваем пластиковые заглушки. Откручиваем крестообразные винтики на рамке возле ручки открывания, и три внизу двери на нижнем кармашке и снимаем детали. Выворачиваем два больших винта под заглушкой. Снимаем основную обшивку.
  2. Отсоединяем провода от кнопок, нажимая на фиксаторы. Извлекаем включатели из пластикового корпуса.
  3. Снимаем динамик.
  4. Демонтируем стекло передней двери. Для этого откручиваем болты крепления пластины стекла к планке, болт крепления направляющей двери. Отводим направляющую, вынимаем уплотнитель стекла, извлекаем стекло.
  5. Открепляем моторедуктор привода ЭСП от колодки с проводами питания.
  6. Вывинчиваем гайки крепления механизма к основанию двери, центральные и нижние гайки.
  7. Достаем механизм из дверного отверстия.Осматриваем механизм на наличие повреждений, проводим замену деталей. Далее устанавливаем в обратном порядке отремонтированный электростеклоподъемник, или заменяем новым.

Подключение ЭСП без зажигания

По умолчанию стеклоподъемники передней двери на Ниве Шевроле работают только при включенном зажигании. Есть несколько способов подключить ЭСП в обход центрального замка.

Нам понадобится простой инструмент: крестообразная отвертка, тонкая отвертка, кусачки, изолирующая лента. Для замены реле приобретаем простую перемычку, или изготовляем ее самостоятельно.
Процесс:
1. Перемыкаем силовые ножки реле, которые подают питание на стеклоподъемник. Для этого снимаем защитную пластиковую крышку. Под блоком предохранителей находится от трех до пяти реле.

2. Чтобы определить какое отвечает за стеклоподъемник, включаем зажигание, зажимаем кнопку и вынимаем по очереди каждое реле. На искомом реле стекло перестанет подниматься.

3. Перемыкаем два контакта: 30 и 87. Если приобретена готовая перемычка, рекомендуется, в целях безопасности, ее заизолировать.

4. Устанавливаем реле на прежнее место.

Второй метод — это доработка реле ЭСП. Также замыкаются два контакта, но не снаружи реле, а внутри его. Такую доработку делают в автосалоне.

Третий метод — подключение стеклоподъемников к прикуривателю:

  1. С пассажирской стороны снимаем нижний клапан торпеды, извлекаем провода прикуривателя.
  2. Подсоединяем провод к плюсу прикуривателя.
  3. Провод стыкуем с кнопками ЭСП.
  4. Подсоединяем собранную конструкцию к черно-белому проводу. Плюс у стеклоподъемников общий, поэтому выбираем любой провод.
  5. Убираем предохранитель ЭСП F5. Предохранитель прикуривателя заменяем на 30 А

Важно! Помните, что изменения в подключении стеклоподъемников в разы увеличивают потребление энергии, что быстро разряжает аккумуляторную батарею.

Задние МСП Niva Chevrolet

Задние двери автомобиля Нива Шевроле оборудованы механическими стеклоподъемниками. Они не так удобны, как электрические, но более надежны.

Главный элемент механизма стеклоподъемника — приводное устройство. Привод состоит из простого набора элементов: пары прямозубых шестерен и ручки. Ручка регулирует степень открытия окна.

При поломке стеклоподъемника не будет открываться окно, когда прокручивается ручка. Причин может быть несколько:

1. Сточились шлицы ручки. Это происходит из-за мягкого пластика самой ручки, в месте соединения с валом редуктора. Ручку заменяют, выбирая вариант с металлической вставкой.

2. Сточились зубья шестерен редуктора. Редуктор — это блок из двух шестерен в корпусе, с местом для троса. Корпус соединен заклепками. Чтобы заменить сточенную шестерню, нужно высверлить эти крепежи, после ремонта заменить болтами. Проще поменять редуктор в сборе.

3. Оборвался трос. При такой поломке ручка вращается слишком легко. Трос продается только в сборе. Можно найти подходящий вариант, но проще поменять весь стеклоподъемник.

4. Ослабилось крепление троса к основанию стекла. Это самая простая поломка. Трос проскальзывает в крепление и не двигает стекло. Нужно снять обшивку двери и, затягивая болты крепления, отрегулировать положение стекла и троса друг к другу.

Рассмотрим как поменять задние стеклоподъемники:

  1. Снимаем обивку с двери.
  2. Открепляем тяги внутренней ручки замка.
  3. Приподнимаем стекло до упора и фиксируем.
  4. Выворачиваем центровые гайки крепления стекла и стеклоподъемника.
  5. Вывинчиваем крепежные гайки снизу и сверху и вынимаем стеклоподъемник в сборе через технологическое отверстие.

Мы рассмотрели основные причины поломок стеклоподъемников на передней и задней двери и способы их ремонта. Воспользуйтесь нашими советами для самостоятельного ремонта и сэкономьте семейный бюджет.

Интересное видео об автоматических электростеклоподъемниках

Читайте тажке

Зеркало шевроле нива. Ремонт бокового зеркала шевроле нива

Не работает регулировка зеркал нива шевроле

Зеркало заднего вида Еще один немаловажный элемент автомобиля Нива Шевроле — это зеркало заднего вида, располагающееся в салоне на лобовом стекле. Он никак не рассчитан на внезапную встречу с препятствием, поэтому после контакта с крепкой веткой или ещё чем-то более серьёзным, скорее всего, сломается силуминовый кронштейн.

Боковое зеркало Шевроле Нива, а точнее его кронштейн изготовлен из очень хрупкого сплава, который во…

Он никак не рассчитан на внезапную встречу с препятствием, поэтому после контакта с крепкой веткой или ещё чем-то более серьёзным, скорее всего, сломается силуминовый кронштейн.

Стоит также заметить, что Нива Шевроле с завода комплектуется стандартными боковыми устройствами со встроенными нагревательными элементами, которые не позволяют изделию запотевать или накапливать влагу.

На внутренней стороне двери необходимо повынимать пластиковые заглушки подлокотника.

Для этого можно воспользоваться отверткой. За заглушками находятся винты, которые с помощью этой же отвертки и вывинчиваются. Клеммное соединение с питающими проводами переключателя стеклоподъемника необходимо разъединить.

Извлекается пластиковая декоративная накладка, предварительно поддев ее со всех сторон отверткой. Используя плоскогубцы необходимо снять фиксирующую скобу регулятора зеркала. Перед собой видим три винта, которые необходимо отвинтить. С обратной стороны поддерживаем изделие, чтобы оно не упало. Слегка потянув за зеркало, его можно извлечь.

Как снять салонное зеркало в Ниве шевроле

На данном этапе процесс снятия окончен. Теперь может потребоваться либо ремонт, либо же замена на новое. Ремонт или замена Ремонт возможен только в том случае, если в момент повреждения само основание зеркала не было повреждено. Если же на нем появилась трещина или оно разбилось, то единственный выход — это установка нового изделия.

Мы же рассмотрим, как можно восстановить изделие, если повредилась его крепежная часть. Итак, прежде потребуется снять устройство, что уже было выполнено. Теперь необходимо определиться с характером повреждения и сделать выводы: Ведь порой проще купить новое, чем возиться со старым. Процесс ремонта характеризуется, прежде всего, работой сварочного аппарата, так как зачастую хрупкое стальное крепление зеркала попросту откалывается.

Осуществлять крепление основания зеркала с помощью иных способов не допускается, так как под действием силы ветра во время движения они будут деформироваться. В заводском исполнении наблюдается наличие вибраций изделия во время движения, что порой только отвлекает водителя. Заменив ось крепления на новую, которую может выточить опытный токарь, можно избавиться от наличия люфта и вибраций изделия во время движения.

После ремонта остается только установить изделие на место и наслаждаться своей работой. Не каждый может позволить себе замену боковых зеркал, так как в среднем их стоимость составляет от до в зависимости от производителя и качества используемых материалов. Так и получаем, что порой приходится ремонтировать, нежели приобретать новое. Замена осуществляется в том случае, если конструкция настолько повреждена, что уже не подлежит ремонту.

Если зеркальный элемент был поврежден, то найти его отдельно продающимся у вас вряд ли выйдет. Поэтому единственный выход — это купить новые зеркала и установить их.

Замена осуществляется в последовательности обратной снятию, поэтому проблем с заменой не возникнет. Зеркало заднего вида Еще один немаловажный элемент автомобиля Нива Шевроле — это зеркало заднего вида, располагающееся в салоне на лобовом стекле. Оно также предназначено для того, чтобы водитель имел возможность следить за ситуацией позади своего авто.

Стоит заметить, что данное изделие не является обязательным на автомобиле, по сравнению с боковыми устройствами, но его наличие намного упрощает жизнь водителю. Набираемся терпения и начинаем. Откручиваем все винты, которые крепят дверную карту обшивку двери. Откручиваем винты крепления подлокотника.

10.19 Замена наружного зеркала заднего вида

Снимаем динамик и ручку. Не забываем про хитрый винт, который прячется под ручкой открывания двери. Чтобы его увидеть, необходимо потянуть ручку на себя, он находится в самой вершине пластиковой вставки на дверной карте.

Когда обшивка снята, аккуратно поддеваем отвёрткой с внутренней стороны двери треугольную декоративную накладку. Она фиксируется без винтов и держится только на пластиковых фиксаторах. Теперь можно добраться до крепёжных винтов. Снимаем внутреннюю декоративную накладку.

Ремонт зеркала Шевроле Нива

Прежде чем открутить винты, необходимо отсоединить клеммные колодки питания и управления зеркалом. Они находятся в полости двери, а добраться до них можно через крайнюю к петлям высечку. Разъединяем колодки двух жгутов проводов наружного зеркала. Под декоративной накладкой на корпусе двери находим три винта, которые крепят кронштейн зеркала заднего вида.

Откручиваем три винта крепления. Аккуратно снимаем зеркало, не теряем пластиковую прокладку между кронштейном и дверью.

Ссылка на основную публикацию
Похожее