Россия, Алтайский край, Новоалтайск, Октябрьская улица
Телефон:
+7 (385) 324-67- Показать номер
Пн-чт: 08:00—18:00; пт: 08:00—17:00
whatsapp telegram vk email

Как проверить датчик коленвала на калине?

Датчики распредвала и коленвала на Lada Kalina (8 клапанов): описание и нюансы замены

Как проверить датчик коленвала на калине?

02 март 2017 LadaOnline 21 083 3

ДПКВ (датчик положения коленчатого вала), он же датчик ВМТ (датчик верхней мертвой точки) — единственный датчик системы управления двигателем, при поломке которого двигатель точно не заведется. Этот датчик не имеет механических подвижных частей, поэтому из строя выходит достаточно редко. Чаще всего в его отказе виновата разрушенная коррозией проводка.

Замена датчика коленвала

Где находится датчик коленвала. На всех автомобилях LADA ДПКВ крепится к картеру двигателя (к нижней его части) при помощи одного болта. На схеме он под номером 2.

Чтобы поменять датчик коленвала следует отсоединить от него колодку с проводами и вывернуть болт крепления (ключ «на 10»). На двигателях Renault-Nissan (например, H4M) предварительно придется снять (отвести в сторону) защитный кожух.

Установка ДПКВ осуществляется в обратной последовательности. Набором щупов проверяем зазор между торцом датчика и зубьями шкива коленвала. Зазор должен быть 1±0,41 мм, он задан конструкцией датчика и не регулируется.

Свечи

Если с электроникой дело в порядке есть еще масса вариантов, почему двигатель не заводится. Частая причина — банально залило свечи.

Чаще всего свечи заливает зимой. Компрессия на холоде не соответствует параметрам, поэтому двигатель не сразу запускается. Часто свечи заливает из-за слабого аккумулятора, который не дает нормальную искру, проводки или же самих свечей.

Самый простой способ просушить свечи это просто зажать газ до упора в пол, и несколько секунд (10-15) покрутить двигатель стартером. Если ничего серьезного, то, как правило, заведется (зимой помогает редко), если же нет, придется сушить свечи.

Для этого их надо вытащить, очистить от нагара, например зубной щеткой, главное, чтобы зазор остался прежним (0.8-1мм), а потом просушить. Можно воспользоваться феном или даже духовкой, если торопитесь.

Предусмотрительные водители для таких случаев держат в машине запасной комплект свечей. Чтобы поутру не ехать на работу в маршрутке и не возиться с сушкой, можно просто вкрутить запасные свечи, а уже вечером, после работы, спокойно просушить основные.

Чтобы снизить риск того, что свечи будут залиты, нужно постоянно следить за аккумулятором, чтобы был всегда заряжен и раз в два — три дня, во время движения, секунд на 10 нагружать двигатель до 4500-5000 оборотов, чтобы он самоочистился от нагара и всяких отложений в камере.

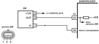
Как проверить ДПКВ мультиметром

Установить мультиметр в режим омметра и подключить щупы к контактам ДПКВ. Сопротивление должно быть в пределах 550-750 Ом.

Установить мультиметр в режим вольтметра (с пределом измерения до 200 мВ). Подключить щупы к контактам датчика и несколько раз поднести к сердечнику датчика стальной предмет. При исправном датчике прибор должен зафиксировать скачки напряжения. Более точно проверить ДПКВ можно не снимая его с двигателя. Вращаем шкив коленвала и следим за показаниями вольтметра. У исправного ДПКВ напряжение на выводах достигает 0,3 В.

Если ДПКВ оказался исправным, а ошибка (например, p0335) в системе управления двигателем не исчезла, значит следует очистить датчик от грязи и проверить целостность провода и качества соединений в цепи.

Напомним, система управления двигателем включает в себя ряд других датчиков, о которых мы рассказывали ранее.

О неисправности большинства датчиков системы управления двигателем можно понять лишь по горящему значку CHECK и неровной работе мотора. Это позволяет добраться до места стоянки или СТО. При выходе из строя ДПКВ двигатель сразу отказывается заводиться, так как у ЭБУ отсутствуют сведения, необходимые для управления подачей топлива и зажиганием. Снизить риск подобных неприятных ситуаций вполне возможно.

«Проверка ДПКВ»

В видео ниже вы узнаете, как проверить работоспособность ДПКВ (автор ролика — IZO)))LENTA).

ДПКВ (датчик положения коленчатого вала), он же датчик ВМТ (датчик верхней мертвой точки) – единственный датчик системы управления двигателем, при поломке которого двигатель точно не заведется. Этот датчик не имеет механических подвижных частей, поэтому из строя выходит достаточно редко. Чаще всего в его отказе виновата разрушенная коррозией проводка.

Основные причины неисправности датчика положения коленвала

Сам по себе датчик положения коленчатого вала достаточно надежен, так как представляет собой обычную катушку индуктивности с обмоткой и сердечником. Механические повреждения такой конструкции в процессе работы практически исключены, но они все же случаются. Работа датчика может быть нарушена из-за загрязнения металлическими опилками и межвиткового замыкания в катушке. Неисправность ДПКВ может быть вызвана также внешними причинами – механическим повреждением корпуса, окислением контактов и т.п.

Иногда причиной ошибки является не непосредственная неисправность датчика, а факторы, напрямую влияющие на его работу. При намагниченности и повреждении зубьев задающего диска, его «биения» (отклонения от оси вращения), налипании большого количества грязи на корпус датчика или неправильном зазоре между ним и диском сигнал может измениться. В случае повреждения проводки или контактов импульсы и вовсе могут отсутствовать.

Подведем итог

С учетом вышесказанного можно сделать вывод о том, что датчик коленвала является одним из самых важных элементов в общей схеме электронного управления силовым агрегатом. Выход из строя ДПКВ приведет к полной остановке двигателя, сбои в его работе сильно осложняют эксплуатацию ТС или делают езду на автомобиле практически невозможной.

Что касается проверки и замены, в самом начале следует убедиться, что в зазоре между датчиком и диском синхронизации нет посторонних предметов, а также сам зазор находится в допустимых рамках. Параллельно следует учитывать и то, что устройство может быть исправным и работоспособным, а причиной сбоев является грязь на сердечнике ДПКВ.

Назначение и особенности работы ДПРВ (датчик положения распредвала) на бензиновом и дизельном двигателе. Проверка и замена датчика своими руками.

Почему стартер нормально крутит, но двигатель не схватывает, не заводится. Основные причины неисправности, проверка систем топливоподачи, зажигания. Советы.

Назначение, устройство и принцип работы датчика положения коленчатого вала (датчика синхронизации). Как проверить и установить датчик коленвала.

Почему заливает свечи зажигания на инжекторных и карбюраторных двигателях: основные причины мокрых свечей. Как просушить свечи и запустить мотор, советы.

Устройство датчика положения (датчик на основе эффекта Холла). Конструктивные особенности, назначение и принцип работы. Как самому проверить датчик на авто.

Устройство и схема работы инжектора. Плюсы и минусы инжектора по сравнению с карбюратором. Часты неисправности инжекторных систем питания. Полезные советы.

Способы устранения причин неисправности датчика положения коленчатого вала

Так как чаще всего на работу датчика и получение сигнала от него влияют внешние причины, необходимо свести к минимуму риск их воздействия. По возможности поверхность датчика необходимо периодически очищать от грязи, а также внимательно следить за состоянием проводки и контактов. Если при этом требуется снять ДПКВ, не забудьте после установки проверить зазор между его поверхностью и задающим диском. Он должен быть не менее 0,6, и не более 1,4 мм.

Спасибо за подписку!

Датчик положения коленвала в Калине не подлежит ремонту, поэтому если проблема вызвана внутренним повреждениями – его следует заменить на новый. Цена его невелика, а замена займет совсем немного времени. В идеале запасной датчик лучше всегда возить с собой.

Как правило, с заменой датчика положения коленчатого вала сталкиваться приходится не часто, так как он не требует особого внимания. Дополнительно сократить риск можно, если следить за чистотой в подкапотном пространстве, состоянием проводки и контактов. Отправляясь в длительную поездку, желательно взять с собой запасной ДПКВ.

Иммобилайзер

Первая причина, по которой ваша лада калина не заводится и которую легко заметить самому, это иммобилайзер. Если он заморгал и запикал — суши весла, садись читать мануал. Эта проблема довольно частая и исправить ее не просто, хлопот много, танцев с бубном и тому подобного.

Впрочем, в мануале обычно есть расшифровка морзанки, которую отсвечивает лампочка — считаем секунды между вспышками, количество вспышек, сигналов зумера — и смотрим в буклет, что там по этому поводу написано.

В зимнее время часто бывает, что машина запускается с пятого — шестого раза. Чаще всего это решается переобучением ключа, расписывать эту проблему не буду, в мануале все есть, проблем возникнуть не должно.

Про датчики автомобилей Лада и систему управления двигателем

За работу всех систем современного автомобиля отвечают различные датчики. Они снимают показания и передают их электронному блоку управления двигателем (ЭБУ). В случае неисправности датчика в памяти сохраняется ошибка, а на щитке приборов в некоторых случаях появляется ошибка Check Engine.

Где находятся датчики

Все современные автомобили Лада (Гранта, Калина, Приора, Веста, Ларгус, Нива или Lada XRAY) оснащаются отечественными двигателями ВАЗ. Расположение датчиков на этих моторах однотипное:

Элементы электронной системы управления двигателя ВАЗ 11186/11189: 1* – контроллер; 2* – датчик положения коленчатого вала; 3* – управляющий датчик концентрации кислорода; 4* – колодка диагностики; 5* – диагностический датчик концентрации кислорода; 6 – блок управления дроссельного узла; 7* – датчик скорости автомобиля; 8* – клапан продувки адсорбера; 9* – модуль педали «газа»; 10* – выключатель сигналов торможения; 11* – датчик положения педали сцепления; 12 – аккумуляторная батарея; 13 – датчик массового расхода воздуха; 14 – датчик температуры охлаждающей жидкости; 15 – катушка зажигания; 16 – датчик детонации; 17 – свечи зажигания; 18* – форсунки. * Элемент на фото не виден.

Расположение элементов ЭСУД в салоне автомобиля (для наглядности без торпедо): 1 – датчик положения педали сцепления; 2 – выключатель сигналов торможения; 3 – модуль педали «газа»; 4 – контроллер.

Датчик температуры охлаждающей жидкости (ДТОЖ)

Предназначен для измерения температуры охлаждающей жидкости в системе охлаждения двигателя. На основании показателей ЭБУ корректирует частоту вращения коленвала, состав топливно-воздушной смеси и угол опережения зажигания. Датчик практически не ломается, но бывает, врёт. Довольно часто перетираются провода у основании разъёма так, что даже припаять не к чему. Датчик температуры охлаждающей жидкости установлен в крышке термостата.

См. Замена и проверка ДТОЖ.

Датчик детонации (ДД)

Предназначен для определения момента возникновения высокочастотных колебаний блока цилиндров, которые возникают при детонационном сгорании топлива. По сигналу датчика электронный блок управления двигателем выбирает оптимальный угол опережения зажигания, что позволяет добиться наиболее полного и эффективного сжигания топливо-воздушной смеси в цилиндрах двигателя, а также автоматически регулировать момент зажигания для топлив с различным октановым числом. Датчик детонации находится на передней стенке блока цилиндров между 2?м и 3?м цилиндрами.

См. «Замена и проверка датчика детонации».

Датчик положения коленчатого вала (ДПКВ)

Датчик выдает блоку управления информацию о частоте вращения и угловом положении коленчатого вала. По сигналам датчика ЭБУ рассчитывает фазу и длительность импульсов управления форсунками и катушкой зажигания. При его неисправности (отсутствии сигнала) двигатель не заведется. Он находится в отверстии прилива крышки масляного насоса.

Некачественное топливо

Свечи так же может заливать из-за плохого бензина. Это еще одна причина, почему не запускается двигатель. Очень часто образуется зимой конденсат и засоряет фильтр грубой очистки, чтобы избежать этого, в зимнее время периодически добавляйте в бак чистого спирта.

Троит, чихает, дымит как змей Горыныч, такое часто случается в наше время, но, как правило, остатки совести у людей имеются и они стараются не бодяжить бензин до негорючего состояния.

Машина даже может на таком бензине ехать, беда только в том, что для двигателя это абсолютно не полезно. Чтобы такого не было заправляйтесь в крупных сетевых заправках.

Они, как правило, следят за своей репутацией и не допускают такого, но если уж получилось, что вы залили паленый бензин да еще такой, что машина не хочет заводиться, можно слить бензин и залить другой, путевый, или же, если его осталось немного, можно залить побольше хорошего 95 бензина и его смесь с паленкой будет более менее нормальной.

Конечно, бывают тяжелые случаи, когда засоряются фильтра и форсунки и их приходится долго и муторно промывать (ну или что проще менять), но это бывает в основном при покупке бенза у каких-нибудь гаражных «нефтяников».

Защититься от них достаточно легко — просто заправляйтесь в проверенных местах и ни в коем случае не покупайте бензин у всяких гаражных бензоторговцев. В принципе они сейчас не такое уж и частое явление, но все равно встречаются, и люди у них бензин покупают, потому как дешевле, но лучше так не делать, скупой платит дважды — непреложная истина.

А если уж пришлось купить такую бодягу, хотя бы профильтруйте, не надо засорять фильтра с форсунками.

Неисправности датчика коленвала — устройство и принцип работы

Как проверить датчик коленвала на калине?

Признаки неисправности датчика коленвала предупреждают водителя о том, что необходимо провести срочный ремонт, оказывает непосредственное влияние на работу двигателя. Этот агрегат точечно определяет момент, когда в цилиндр ДВС нужно подать горячее. Если не устранить неисправности датчика, то двигатель перестанет работать.

Что такое датчик коленвала

Датчик оборотов коленвала — это прибор, который установлен на автомобилях, оснащенных электронной системой управления двигателем. Он дает возможность двигателю контролировать местоположение коленвала. Такого рода контроль требуется для того, чтобы обеспечить стабильное функционирование системы топливного впрыска.

Симптомы неисправности датчика коленвала способны повлечь остановку мотора, поэтому необходимо вовремя заметить основные признаки неисправности ДПКВ. Нарушение в работе ДПКВ провоцирует возникновение неполадок в системе питания, которая начинает блокировать своевременную подачу горючего. Это приводит к тому, что система зажигания не поджигает топливно-воздушную смесь.

Расположение датчика коленвала

Место расположения ДПКВ — это кронштейн, который находится в центральной части шкива на приводе генератора. Он устанавливается рядом с конструкцией зубчатого шкива привода с промежутком в 1-1.5 мм.

Чтобы заменить датчик или выполнить его регулировку, к нему необходимо подсоединить провод длиной 50-70 см. Чтобы выставить или откорректировать положение, нужно отрегулировать шайбу, которая закреплена над посадочным гнездом ДПКВ.

Перед тем как поменять данный прибор, рекомендуется провести его диагностику. Многих автолюбителей волнует вопрос о том, что еще необходимо сделать, прежде чем его снимать — снять следует замеры по соотношению болтов крепления к корпусу и положению ДПКВ.

Как работает датчик коленвала

Многих интересует вопрос о том, зачем нужен датчик коленвала. Этот прибор напрямую влияет на продуктивность двигателя автомобиля.

Нарушение провоцирует сбои в работе ДВС или остановку мотора, влияющей на работу двигателя.

В функции ДПКВ входит:

  •  синхронизация работы топливных форсунок;
  •  синхронизация системы зажигания.

Принцип работы ДПКВ сводится к тому, что он подает сигнал на ЭБУ. Данное сообщение говорит о позиции, в которой находится коленвал. Такой сигнал содержит в себе информацию о частоте и направлении вращения коленчатого вала.

Устройство датчика коленвала

Система данного элемента коленчатого вала включает в себя:

  • Обмотка датчика
  • Корпус
  • Уплотнитель
  • Привод
  • Кронштейн креплениея
  • Магнитопровод
  • Диск синхронизации

Ремонт предполагает необходимость прозвонить ДПКВ, используя для этого омметр. Для этих целей необходимо произвести замеры сопротивления на обмотке агрегата.

Признаки неисправности датчика коленвала

Признаки неисправности датчика положения коленвала:

  • нарушение плавного процесса сгорания топливно-воздушной смеси (детонация) в двигателе при динамической нагрузке;
  • на холостом ходу обороты становятся неустойчивыми;
  • низкий уровень мощности двигателя транспортного средства;
  • снижение уровня динамики автомобиля;
  • двигатель не реагирует на зажигание, т.е. он не заводится;
  • машина дергается по ходу движения;
  • неконтролируемое повышение или понижение оборотов.

Сбои в функционировании ДПКВ могут быть периодическими и не всегда давать о себе знать. В таком случае необходимо воспользоваться услугой компьютерной диагностики двигателя, которая может точно установить причину неполадки.

Причины поломки:

  1. Замыкание между витками в обмотке ДПКВ. В результате импульсы сбиваются к ЭБУ. Здесь необходимо заменить прибор.
  2. Поломка зубьев задающего венца.
  3. Нерабочие контакты, которые находятся в системе обмотки и подвода проводов. В данных обстоятельствах не требуется менять ДПКВ, а следует сделать очистку соединения и обмотки.
  4. Основанием выхода ДПКВ из строя может стать и наличие механического повреждения, которое было получено в период проведения работ под капотом.
  5. Еще одним обстоятельством, повлекшим поломку коленчатого вала, может стать попадание инородных объектов в область между ДПКВ и зубчатым шкивом.

Эти ошибки и неполадки в работе транспортного средства могут быть вызваны другими поломками. Датчик положения коленвала, признаки неисправности которого могут быть обусловлены различными обстоятельствами, требует тщательной проверки.

Как проверить датчик коленвала самостоятельно

Есть 3 способа проверки неисправности датчика коленчатого вала:

  • измерение при помощи омметра;
  • проверка значения индуктивности;
  • использование осциллографа.

Проверка датчика положения коленвала при помощи омметра:

  1. Для данной проверки необходимо приобрести мультиметр.
  2. Его нужно поставить в положение измерения сопротивления.
  3. Затем измерить уровень сопротивления катушки индуктивности: щупами прибора дотронуться до выводов катушки.
  4. Допустимое значение — 500-700 Ом.
  5. Если результаты измерения находятся в заданном диапазоне значений, то коленчатый вал в норме.

Проверка датчика коленвала с использованием замера индуктивности:

  1. Нужно обзавестись мегаомметром, трансформатором сетевого типа. Также необходимо приобрести измеритель индуктивности и вольтметр.
  2. Используя мультиметр, произвести замеры индуктивности.
  3. Нормальные показатели — это 200-400 мГн.
  4. Используя мегаомметр, измерить показатели сопротивления изоляции между проводами катушки.
  5. Полученные данные не должны быть ниже 0,5 Мом.
  6. Размагничивание катушки осуществляется с использованием сетевого трансформатора.
  7. Отклонение от нормы свидетельствует о том, что требуется замена датчика коленвала.

Осциллограф дает полное представление о состоянии ДПКВ. Для диагностики необходимо выполнить следующие действия:

  1. Щупы подсоединить к проводам, которые ведут к катушке.
  2. Открыть программное обеспечение для работы с осциллографом.
  3. Провести предметом из металла перед ДПКВ.
  4. Все данные будут отражены на экране.

Если ДПКВ фиксирует перемещение металлического объекта, то датчик находится в исправном состоянии. Данный способ диагностики рекомендуется проводить при работающем двигателе, так результаты будут точнее. Для этого потребуется подключить щупы параллельно к выводам датчика.

Как проверить датчик коленвала

Как проверить датчик коленвала на калине?

Статьи на похожую тематику

Коленчатый валэто металлическая деталь сложной формы, имеющая шейки для крепления шатунов. Является неотъемлемой частью кривошипно-шатунного механизма (КШМ). Основная функция детали заключается в преобразовании усилий полученных от шатунов в крутящий момент.Датчик положения коленвала (ДПКВ)это датчик считывающий электромагнитные импульсы со шкива коленвала и отдающий их бортовому компьютеру. От дпкв зависит синхронизация работы системы зажигания и топливных форсунок.

В самом конце статьи вас ждет подборка видео проверок!

На сегодняшний день в автомобильной промышленности существует 3 типа ДПКВ: оптические, индукционные и на основе эффекта Холла. В данной статье расскажем вам как проверить датчик коленвала, на примере самого популярного индукционного типа.

  • Индукционный — состоит из намагниченного сердечника поверх которого намотана медная проволока. Конец катушки располагается максимально близко к коленвалу, для замера скорости его вращения и изменений напряжения;
  • Оптический — в основе лежит светодиод излучающий света и приемник который фиксирует момент исчезновения и появления света. Когда луч света прерывается, во время попадания на контрольный зуб, приемник это фиксирует и передает данные в ЭБУ;
  • Датчик Холла — на коленчатом валу находится магнит, при прохождении мимо датчика в последнем возникает постоянный ток, данные фиксируются и отправляются в ЭБУ.

Вне зависимости от типа, любой датчик ДПКВ предназначен для передачи в ЭБУ 2 параметров.

  • момент прохождения поршней через верхнюю мертвую точку и нижнюю мертвую точку;
  • замер положения коленвала.

Полученные данные отправляются в ЭБУ, после чего происходит корректировка следующих показателей.

  • Угол поворота распредвала;
  • угол опережения зажигания;
  • объем подачи топливной смеси;
  • Работа клапана адсорбера.

В зависимости от технической сложности двигателя задачи для ЭБУ могут кардинально разниться, однако ни один из существующих в данный момент блоков управления не способен работать без датчика коленвала!

Если датчик коленчатого вала неисправен, в работе ДВС могут быть сбои в виде: запоздания искрообразования, опережения угла зажигания, обедненной топливовоздушной смеси, все это ведет к нестабильной работе двигателя или вовсе его отказу запускаться.

Проверка осциллографом

осциллограф

Данный метод является наиболее точным, однако далеко не у каждого автовладельца имеется опыт работы с осциллографом и сам прибор имеется под рукой далеко не у каждого. Если в вашем распоряжении нет опыта и самого прибора, можете сразу перейти к следующей инструкции.

В чем преимущество использования осциллографа? Он позволяет увидеть и зафиксировать сам процесс формирования сигналов и увидеть процесс их формирования!

Алгоритм проверки:

  • 1. контактные щупы необходимо подсоединить к контактам датчика, сама полярность значения не имеет;
  • 2. запустить программу для диагностики;
  • 3. используя любой металлический предмет, необходимо пару раз провести им в непосредственной близости от датчика;
  • 4. если ваш датчик ДПКВ исправен, то каждое движение предмета будет фиксироваться на осциллограмме, если неисправен, то осциллограмма останется без изменений.

Формирование сигналов может быть разным! С 100% уверенностью о исправности датчика может сказать только опытный мастер.

Проверка значения индуктивности

мультиметр цифровой

Для теста индуктивности катушки ДПКВ потребуется следующее оборудование:

  • 1. мультиметр имеющий функцию измерения индуктивности;
  • 2. если ваш мультимет не поддерживает эту функцию, то понадобится измеритель индуктивности;
  • 3. мегаомметр;
  • 4. сетевой трансформатор.

Для получения максимально корректных данных, проверку следует выполнять в помещении имеющем температуру воздуха 21-23 градуса цельсия!

Шаг №1

Вам следует ориентироваться на результаты индуктивности в пределах 200 — 400 мГн.

Мультииметр поддерживает функцию, нужно соединить 2 щупа мультиметра с 2 выводами катушки, полярность не имеет значения.

Мультииметр не поддерживает необходимую функцию, для проверки используем измеритель индуктивности.

Шаг №2

Потребуется мегаомметр установленный на выдаваемое напряжение 500 В. Проверяем сопротивление изоляции между проводами катушки минимум 2 раза! Значение сопротивления изоляции не должно быть ниже 0,5 МОм.

Шаг №3

На шаге №2 может проявится намагничивание катушки «межвитковое короткое замыкание», в следствии чего данные будут некорректны. Необходимо воспользоваться сетевым трансформатором, после повторить шаг №2.

Проверка омметром

омметр

Данный метод является наиболее распространенным, из всех перечисленных. Несмотря на простоту, у него есть один существенный недостаток, он имеет серьезные погрешности и не способен дать 100% гарантий выявления неисправности.

Метод подразумевает измерение сопротивления катушки индуктивности, для это вам понадобится обычный мультиметр, имеющий функцию измерения сопротивления «оммометр». Необходимо соединить 2 щупа мультиметра с выводами катушки, полярность не имеет значения.

Исправный датчик должен иметь сопротивление в пределах 530 — 730 Ом. В самом начале необходимо заглянуть в документацию вашего датчика или поискать в интернете, какое сопротивление считается нормальным.

Подборка видео

Датчик фаз калина 8 кл признаки неисправности

Как проверить датчик коленвала на калине?

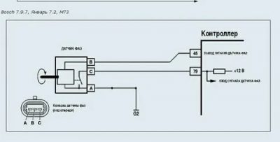
Датчик фаз так же называют ещё «датчик положения распределительного вала (ДПРВ)». Данный датчик не устанавливается в карбюраторном моторе, да и в первых моделях инжекторов ВАЗа. Датчик присутствует во всех 16-ти клапанных моторах автоваза; На 8-ми клапанных с нормой токсичности евро-3 и с фазированным, последовательно распределённым впрыском топлива; Стоит отметить, что в период с 2004г по 2005г на такие двигатели как 2111, 2112,21114, 21124 с блоками управления двигателем Bosch M7.9.7 и Январь 7.2 началась массовое внедрение Датчиков фаз.

Зачем нужен датчик фаз?

Датчик фаз предназначен для определения цикла работы двигателя и формирования импульсного сигнала. Датчик фаз интегральным датчиком, т.е. включает чувствительный элемент и вторичный преобразователь сигнала в импульс. Чувствительный элемент датчика работает по принципу Холла, реагируя на изменения магнитного поля. Вторичный элемент датчика содержит в себе мостовую схему, операционный усилитель, выходной каскад. Выходной каскад выполнен по типу открытого коллектора.

Работа датчика фаз представляет собой выбор такта для первого цилиндра: распредвал определяет какой клапан открыт, какая фаза газораспределения. В карбюраторных моторах данного датчика нет. Дело в том, что карбюраторный мотор подаёт искру свечи в момент сжатия и в конце пуска отработавших газов, а для такого принципа работы достаточно показаний датчика положения коленчатого вала (ДПКВ ). Данный тип работы двигателя носит название «система зажигания».

На инжэкторных двигателях, когда датчик фаз(ДФ) умирает, загорается чек, и двигатель переходит с фазированного впрыска на систему зажигания, то есть опираясь всего лишь на показания ДПКВ.

В чём преимущество фазированного впрыска?

Ситема фазированного впрыска устроена следующим образом: датчик фаз передают импульс на ЭСУД. который управляет подачей топлива и форсунка впрыскивает бензин в цилиндр перед самым открытием впускного клапана. Когда клапан открылся, воздух всасывается в впускной клапан и топливо активно перемешивается с воздухом.

Где находится датчик фаз?

Датчик фаз стоит на двигателе со стороны воздушного фильтра, рядом с головкой блока цилиндров. Обратите внимание на рисунок:

Признаки неисправности датчика фаз

Если увас появились следующие признаки, то скорее всего неисправен датчик фаз (дф).

  1. Во время запуска двигателя, стартер крутится 3-4 секунды, затем двигатель запускается и загорается чек эйндж. В этом случае, во время запуска, эбу ждёт показания с датчика фаз, недожидается и переходит в режим работы двигателя опираясь на систему зажигания (по ДПКВ).
  2. Повышенный расход бензина. (Так же читайте: Причины большого расхода топлива на ВАЗ ).
  3. Сбои режима самодиагностики.
  4. Снижение динамики двигателя. (так же причина может быть в ДМРВ и в низкой компрессии двигателя).

Особенности конструкции и принцип работы

Датчик ФАЗ ВАЗ 2114 представляет собою интегральное устройство, основная функция которого — получение информации о текущем цикле работы силового агрегата и ее передача в блок ЭБУ посредством импульсных сигналов.

Конструктивно ДФ состоит из двух частей — чувствительного элемента и преобразователя импульсного сигнала, который в свою очередь состоит из операционного усилителя, мостовой схемы и выходного каскада открытого коллекторного типа.

Чувствительный элемент ДФ работает по принципу Холла, он представляет собою реагирующую на колебания магнитного поля микросхему, которая получает способность передавать электрический сигнал только тогда, когда рядом с ней находится магнитопроводящий материал, им выступает стальная головка клапана.

Расположение датчика положения распредвала ВАЗ 2114 следующее: он размещен на торцевой части блока цилиндров, неподалеку от воздушного фильтра.

На просторах интернета много дискуссий о том, датчик фаз от какого производителя лучше брать. Мы рекомендуем отдавать предпочтение устройствам от немецкой компании Bosch. Именно она обладает лицензией на изготовление датчиков работающих по принципу Холла, так что, по сути, вы получаете, надежное и долговечное устройство, произведенное непосредственным владельцем технологии, по которой оно сделано.

Признаки неисправности и проверка

Признаки неисправности датчика распредвала, по которым можно определить, что устройство вышло из строя, следующие:

  • Увеличившийся расход топлива;
  • Неполадки в режиме самодиагностики автомобиля;
  • Уменьшение динамики разгона;
  • Появление на приборной панели знака «Check Engine» либо ошибок 0343 или 0340.

Значек «Check Engine», как правило, загорается тогда, когда ДФ полностью вышел из строя. Происходит следующее: вы включаете зажигание, после чего начинает работать стартер, в это время в блок ЭБУ с датчика должен поступать сигнал, но поскольку ДФ сломан — его нет, и электронное управление переводит двигатель в режим парного впрыска(опираясь исключительно на данные полученные от ДКПВ), отключая фазированный впрыск топливной смеси.

Если вы обнаружили какие-либо признаки неисправности, необходимо выполнить проверку ДФ. Сделать это можно самостоятельно, вам понадобится лишь тестер (мультиметр), приобрести который можно в любом автомобильном магазине за 400-600 рублей. Устройство недорогое, но полезное — при проведении диагностики автомобиля оно вам потребуется неоднократно.

На четырнадцатые с 16-ти клапанным движком устанавливаются ДФ модели 21120-3706040, на 8-ми клапанные — 21110-3706040. Проверка каждого из них имеет некоторые особенности.

Проверка датчика фаз ВАЗ 2114 с 8-ти клапанным движком:

  1. На щупе мультиметра (режим V1), который будет подсоединятся к контакту «Е» на датчике, устанавливаем напряжение в 13,5 В. на втором щупе (подсоединяем к контакту «В») — 0,9 В;
  2. Замыкаем щупы на соответствующих контактах. К торцевой части ДФ подносим металлическую пластину (подойдет отвертка). Если устройство работает нормально, мультиметр покажет, что на контакте «В» напряжение упало до 0.4 В (должно возвращаться к 0.9, когда пластина убирается). Отличия в показаниях — датчик на замену.

Проверка ДФ 16-ти клапанного движка:

Схема (для 16 кл.)

  1. Переводим тестер в режим V2. На щупе контакта «Е» устанавливаем напряжение 13.5 В, на контакте «В» — 0.4 В;
  2. В отверстие на торце корпуса ДФ вставляем отвертку. При рабочем датчике напряжение на контакте «В» вырастет до 0.9 Ват и опустится обратно, если отвертку убрать.

Если ВАЗ 2114 оборудован бортовым компьютером, при неисправности устройства на нем будет высвечиваться одна из ошибок с кодом 0340 либо 0343. Разберем каждую из них подобнее.

  • Ошибка датчика ФАЗ 0340 — свидетельствует об отсутствии сигнала ДФ. Причиной данной ошибки может быть что угодно — от окислившихся контактов до механических повреждений устройства. Решается заменой детали на новую.
  • Ошибка 0343 — высокий уровень сигнала датчика фаз. Ее причиной, как правило, является повреждение самой проводки или клемм в колодке контактов, либо их ненедежное/окислившееся соединение.

Ошибки датчика фаз ВАЗ 2115 полностью аналогичны ошибкам возникающим на четырнадцатой.

Стоит отметить, что помимо неисправности самого ДФ, причиной возникновения ошибок может является соскочивший ремень ГРМ либо расшатанная шестерня коленного вала.

Снятие и замена

Датчик фазы на ВАЗ 2114- сложная электронная конструкция, самостоятельный ремонт которой толкового результата не даст. В случае обнаружения каких-либо неполадок нужно сразу же поменять устройство на новое. Благо, стоит оно не дорого: цена варьируется в пределах от 300 до 500 рублей, в зависимости от региона.

Для замены ДФ вам потребуется ключ-трещетка с головкой на 10. Алгоритм действий следующий:

  1. Отключаем питание аккумулятора;
  2. Трещеткой вывинчиваем болт, который фиксирует ДФ на блоке цилиндров движка и разъединяем колодку подведенных к нему проводов;
  3. Вынимаем датчик и устанавливаемый новый, не забудьте очистить контакты колодки от окисления.

Если устройство установлено правильно, то все ранее высвечиваемые на бортовом компьютере ошибки пропадают.

Как вы видите, работы тут от силы на 10 минут. Удачной вам езды без поломок!

Назначение, диагностика и замена датчика фазы (положения распредвала)

Данный датчик Калины (1,6 — 8 РєР».) расположен РЅР° головке блока цилиндров СЃ левой стороны, как раз РЅР° торце. РќР° распредвале находится специальный штифт. И РєРѕРіРґР° РѕРЅ РїСЂРѕС…РѕРґРёС‚ напротив торца датчика фазы, РѕРЅ посылает сигнал РЅР° контроллер. Именно РІ этот момент поршень первого цилиндра находится РІ такте сжатия.

Предназначение

Датчик положения распределительного вала (фазы) — предназначен для определения угла распредвала Рё передачи информации РІ ЭБУ автомобиля. После этого контроллер РЅР° РѕСЃРЅРѕРІРµ поступивших данных управляет зажиганием Рё подачей топлива РЅР° каждый цилиндр РїРѕ отдельности.

Последствия выхода из строя

РџСЂРё выходе РёР· строя загорается лампочка РЅР° панели РїСЂРёР±РѕСЂРѕРІ, которая СѓР¶Рµ РЅРѕСЃРёС‚ всем привычное название «Р§РµРє». Затем ЭБУ автоматически переводит режим работы газораспределительного механизма РІ резервный режим, Рё топливо подается СѓР¶Рµ одновременно РЅР° РІСЃРµ цилиндры. Соответственно, расход мгновенно возрастает.

Замена датчика фазы на Ладе Калине своими руками

Первым делом немного РѕР± инструменте, который понадобится для выполнения данного РІРёРґР° ремонта. Рљ счастью, здесь РјРѕР¶РЅРѕ обойтись РѕРґРЅРёРј только ключом РЅР° 10. РќРѕ лучше всего использовать именно головку СЃ воротком, Р° еще удобнее — трещотку. Просто обычным ключом делать это будет довольно неудобно.

Наглядно сначала стоит показать, где все это находится:

Итак, сначала нужно будет отсоединить штекер питания, предварительно отжав пластиковый фиксатор, немного приподняв его вверх:

После чего трещоткой откручиваем болт крепления датчика фаз Калины:

И теперь можно свободно его вынимать, потянув в сторону лобового стекла:

А вот так выглядит данная деталь, снятая с автомобиля:

После этого выполняем замену датчика распредвала и ставим новый на прежнее место. Сложностей в процессе работы нет абсолютно никаких.

Цена его в розничной продаже составляет от 250 до 300 рублей, в зависимости от того, где вы будете его покупать. Конечно, выходит из строя эта деталь на Калине довольно редко, но все же данная инструкция никому не помешает.

У меня Калина седан 2006г выпуска. При включении зажигания не горит чек,топливный насос не качает,после чего на панели приборов загорается лампа иммобилайзера,машина не заводится! Я вынимают предохранитель насоса и вставляю его обратно в реле зажигания слышен треск,после чего машина заводится! Подскажите что это может быть?

Проверь ЭБУ. И если не перенес его из под печки обязательно это сделай. Было у меня такое чек не горит, стартер даже не пробует крутить. Оказалось залит ЭБУ. Сушить не вариант-пришлось брать новый. Надеюсь, что могу ошибиться и у тебя что-то более простое.

Признаки неисправности датчика коленвала: ваз 2114, 2110, калина, опель и др

Как проверить датчик коленвала на калине?

Датчики, системы контроля, схемы отслеживания, исполняющие и передающие электронные цепи… Двадцать лет назад эти термины уж никак не могли ассоциироваться с конструкцией автомашины, сегодня же без них невозможно даже представить современную машину. Нравится нам это, или нет, а примиряться с ними придется, потому что часть датчиков при выходе из строя могут попросту помигать на прощание лампочкой, а без некоторых датчиков машина не сдвинется с пункты. К последним как раз относится датчик положения коленвала, простейший прибор, без какого вся электроника превращается в кучу хлама.

На фото — датчик коленвала ВАЗ 2110

Приметы неисправности датчика коленвала

Основная сложность в определении неисправности системы управления инжекторного двигателя в том, что симптомы выхода из построения многих датчиков и систем могут быть практически идентичны. То же самое наблюдается и с датчиком позы коленвала.

Поскольку он влияет практически на все основные системы жизнеобеспечения двигателя, то и приметы могут проявляться очень размыто. Ломаться в датчике в принципе нечему, потому на его работоспособность может влиять только чистота поверхности, да и то не слишком. Ну и проводка в самых запущенных случаях может не владеть хорошего контакта.

Но это мы проверим. А пока, при этих симптомах вполне вероятна нестабильная работа датчика положения коленвала:

Какие основные приметы неисправности датчика коленвала

  1. Нестабильные неженатые обороты, обороты плавают сами по себе и не поддаются регулировке. Желая здесь может быть виноват и сам электронный блок управления, не сообщая уже о топливном насосе, рампе и состоянии форсунок. Да и зажигание проверить не помешает.
  2. Утрата динамики, провалы при переходе в режим высоких оборотов, провалы при разгоне и даже мягком ускорении.
  3. Отвратительный запуск двигателя, причем машина может не пожелать запускаться ни на холодную, ни на горячую. Не говоря уже о тех случаях, когда двигатель, представлялось бы, без видимых на то причин попросту отказывает запускаться. Это значит, что датчик помер окончательно и система управления двигателем не понимает, что коленвал прокручивается. Для ЭБУ вал попросту стоит на месте.

Никаких сложностей, датчик можно запросто проверить на диагностическом компьютере или же на бортовом компьютере покажется код ошибки, говорящий о том, что виноват именно датчик. На ВАЗ 2114, к примеру, на заключительных 2109, 2115 и других автомобилей с этим мотором, код ошибки — 0335 или 0336.

Но и это не значит, что датчик помер. Мог банально оборваться провод. Насколько есть смысл заниматься диагностикой датчика своими дланями, каждый решит сам, поскольку цена нового датчика на 2110 и все автомашины ВАЗ с инжекторными моторами составляет 155 рублей на 2015 год.

Не такие вящие деньги, чтобы не позволить себе иметь такую роскошь в гараже про резерв.

: Датчик положения коленвала. Проверка

Ради спортивного заинтересованности можно проверить датчик самостоятельно, хотя его работа по науке проверяется при поддержки осциллографа. Для проверки понадобится тестер. Можно для начала проверить сопротивление — для большинства датчиков оно надлежит быть в пределах 700 Ом. Также можно проверить датчик на элементарную индуктивность. Для этого необходимо подключить выводы тестера к проводам датчика, мультиметр выставить в порядок 200 мВ. В этом случае датчик должен реагировать на появление любого металлического объекта изменением напряжения.

Замена датчика коленвала на калине 8 клапанов

Как проверить датчик коленвала на калине?

ДПКВ (датчик положения коленчатого вала), он же датчик ВМТ (датчик верхней мертвой точки) – единственный датчик системы управления двигателем, при поломке которого двигатель точно не заведется. Этот датчик не имеет механических подвижных частей, поэтому из строя выходит достаточно редко. Чаще всего в его отказе виновата разрушенная коррозией проводка.

Назначение, диагностика и замена датчика фазы (положения распредвала)

Данный датчик Калины (1,6 — 8 кл.) расположен на головке блока цилиндров с левой стороны, как раз на торце. На распредвале находится специальный штифт. И когда он проходит напротив торца датчика фазы, он посылает сигнал на контроллер. Именно в этот момент поршень первого цилиндра находится в такте сжатия.

Как проверить датчик коленвала тестером и мультиметром на ВАЗ 2110, 2112, 2114, Опель и других авто

Как проверить датчик коленвала на калине?

Сегодня мы поговорим про датчик положения коленвала двигателя, где он находится, признаки его неисправностей, способы его проверки на различных авто с использованием приборов.

Как все работает

Современный автомобиль оснащен значительным количеством всевозможных датчиков, основная задача которых – контроль за работой механизмов или систем.

Данные от этих датчиков передаются на электронный блок управления, который уже на основе полученной информации производит настройку работ определенных систем.

Одним из наиболее важных среди этих контрольных элементов является датчик положения коленчатого вала (ДПКВ, датчик ВМТ).

Данный датчик контролирует скорость вращения коленчатого вала двигателя.

На основе его показаний блок управления настраивает работу топливной системы и системы зажигания.

Если проще, то по показаниям ДПКВ блок управления ориентируется, сколько топлива подать в цилиндры и когда это сделать, а также в какой момент подать искру.

Поэтому, пожалуй, это единственный датчик, из-за неисправности которого может не запустится силовая установка ведь сбой в его работе приведет к нарушению работы топливной системы.

Даже если силовая установка и запустится, то работа ее будет неустойчивой, с перебоями и т. д. Поэтому этот датчик коленвала очень важен и нужно следить за его работоспособностью.

Расположение ДПКВ — особенности конструкции

Обычно данный датчик располагается возле шкива привода ремня генератора. На этом шкиве обычно сделан по окружности зубчатый венец, так называемый диск синхронизации. Именно на вращение этого диска и реагирует датчик.

Стоит отметить, что для точного получения данных о вращении коленчатого вала, ДКПВ располагается на определенном удалении от диска.

У правильно установленного устройства расстояние между его сердечником и вершиной любого зуба должно составлять 0,6-1,5 мм.

Место расположения ДКПВ не самое удобное, но добраться до него вполне возможно.

На автомобилях используется несколько разных по конструкции и принципу работы ДПКВ:

  • индукционный (один из самых распространенных);
  • датчик, использующий эффект Холла;
  • Оптический.

Об особенностях конструкции и работы каждого из них пока говорить не будем, перейдем сразу к неисправностям.

Признаки неисправности

Нарушение работоспособности данного устройства сразу же проявиться. Симптомами неисправного ДКПВ являются:

  • Невозможность запуска силовой установки;
  • Падение динамики авто во время движения;
  • Плавающие обороты на разных режимах движения;
  • Перебои в работе, неустойчивость оборотов холостого хода;
  • При нагрузках возможно появление детонации.

Стоит отметить, что поскольку данный датчик очень важен для функционирования силовой установки, то при его неисправности электронный блок просигнализирует об этом загоранием «Check Engine».

Конечно, причиной появления данной надписи или значка на приборной панели может быть и нарушение работы в другой какой-то системе, однако в сочетании с указанными симптомами, можно зразу предполагать, что виной всех бед с авто является именно ДКПВ.

Способы проверки

Перед тем как идти в автомагазин за новым датчиком, все же рекомендуется вначале проверить тот, что установлен на авто.

Так будет значительно быстрее определить, почему авто плохо работает ведь возможно, что виноват во всем совсем не датчик, тем более что некоторые способы проверки не такие уж и сложные.

Самыми распространенными являются:

  • проверка на сопротивление катушки датчика;
  • комплексная проверка (сопротивления катушки и изоляции, индуктивности обмотки);
  • проверка осциллографом.

Первые две проверки – достаточно простые, выполнить их можно вполне самому, имея необходимые приборы.

Третий способ – самый точный, но провести проверку его возможно только на специализированных станциях.

Проверка на ВАЗ 2110

Омметром (мультиметром).

ПОПУЛЯРНОЕ У ЧИТАТЕЛЕЙ:  Как самостоятельно установить ГБО

Чтобы было более наглядно, рассмотрим каждый способ проверки датчика коленвала на примере нескольких авто.

Первым будет ВАЗ-2110, на котором используется индукционный тип устройства.

Итак, двигатель на «Десятке» забарахлил и есть все предположения, что это произошло из-за датчика коленчатого вала. Под руками есть мультиметр, который может работать в режиме омметра.

Этого вполне достаточно, чтобы произвести проверку на сопротивление обмотки.

Первое, что нужно сделать – осмотреть устройство, пока оно установлено на авто, а точнее — проверить наличие зазора между ним и диском синхронизации.

Вполне возможно зазора там нет из-за того, что на датчик или диск налипла грязь, которая и привела к нарушению работоспособности.

Если с зазором все в порядке, до демонтируем устройство с авто.

На ВАЗ 2110 оно находится на крышке масляного насоса.

Перед этим лучше нанести метки положения ДПКВ.

Следующий этап – оценка внешнего состояния. Корпус датчика должен быть целым, без следов повреждения, сердечник – чистым, а контактные выводы – без следов окисления, а провода не иметь повреждений.

Если на ДПКВ видны внешние загрязнения, то можно его перед проверкой промыть (для этого использовать только чистый бензин или спирт), а также надфилем зачистить контакты.

После очистки, промывки и сушки можно приступать к замерам. Для этого переводим мультиметр в режим омметра и щупами присоединяемся к контактам датчика.

При замере исправный ДПКВ должен показать сопротивление в диапазоне 550-570 Ом.

Для других авто этот показатель может быть другим, поэтому лучше перед замером поинтересоваться о номинальном напряжении датчика в технической документации авто.

Если значение сопротивления ниже или выше указанного диапазона – датчик неисправен и подлежит замене.

Это самый простой способ проверки ДПКВ, однако он и самый неточный. Он может лишь дать частичное представление о состоянии устройство, хотя и этого иногда вполне достаточно.

Осциллографом.

Самым же точным для проверки является способ, в котором используется осциллограф. Поэтому рассмотрим, как производится проверка датчика на ВАЗ-2110 при помощи данного прибора.

При такой проверке ДКПВ снимать не нужно, и все замеры производятся прямо на авто.

Перед проведением проверки, нужно правильно произвести подключение осциллографа к машине. Обычно у данного прибора имеется один зажим и два щупа.

Зажим нужно присоединить к массе двигателя, то есть к любой металлической составляющей мотора.

Один щуп устанавливается параллельно к клемме вывода сигнала датчика. Второй щуп же подключается к выводу 5 на разъеме подключения сканера.

После подключения следует перевести прибор в режим «Inductive Crankshaft».

После этого уже запускать двигатель. Если же он не запускается, то нужно будет вращать коленчатый вал стартером, чтобы осциллограф снял показания.

После этого уже по полученной осциллограмме можно оценить работоспособность датчика. Любые нарушения в его работе повлияют на изображение осциллограммы, и это будет хорошо видно.

Комплексная проверка на Opel Vectra B

Теперь возьмем другой автомобиль и на нем рассмотрим последний из способов проверки – комплексной.

Такая проверка значительно лучше, чем обычным мультиметром, но по точности недотягивает до осциллографа.

В качестве проблемного авто теперь выступит Opel Vectra B. Симптомы оставляем те же.

Начальные работы тоже не отличаются от ВАЗ-2110: датчик снимается, осматривается, тщательно отмывается и только после этого можно приступать к проверке состояния.

Но для комплексной проверки понадобится больше оснащения:

  • Мультиметр;
  • Мегаомметр;
  • Прибор для измерения индуктивности.

Все измерения лучше производить в отапливаемом помещении, чтобы показания были корректными.

Вначале измеряется сопротивление катушки, как это расписано выше. Показания по сопротивлению должны быть в указанном в техдокументации диапазоне.

Следующая проверка – измерение индуктивности обмотки, для чего используется прибор для ее измерения. У рабочего ДПКВ индуктивность должна быть в диапазоне 200-400 мГн.

Приборы на фото ниже.

Также проверяется сопротивление изоляции мегаомметром. При подаче напряжения в 500 В, показатель сопротивления у датчика должно быть не более 20 Мом.

На основе этих замеров и устанавливается, является ли ДПКВ рабочим, или же требует замены.

Фото приборов ниже.

Особенности проверки на других авто

Что касается других авто, к примеру, ВАЗ-2109 с инжекторным двигателем, ВАЗ-2112 и ВАЗ-2114, то у них проверка проводится идентично автомобилю ВАЗ-2110.

Примечательно, что для ВАЗов при проверке на сопротивление катушки датчика коленвала, можно провести дополнительную проверку.

Но для этого мультиметр нужно перевести в режим вольтметра с пределом измерения в 200 мВ.

После подключить щупы к выводам ДПКВ и провести любым металлическим предметом, к примеру, отверткой на небольшом удалении от сердечника.

Если датчик исправен, то он отреагирует на металл, мультиметр покажет всплески напряжения на дисплее. Отсутствие этих всплесков будет указывать на неисправность элемента.

Что касается такого авто, как Reno Logan, то отличие от ВАЗа у этой машины сводится к несколько другим показаниям сопротивления катушки датчика при измерении омметром.

У исправного ДПКВ Logan нормальное сопротивление составляет 200-270 Ом.

У Daewoo Lanos показатель сопротивления катушки должен находиться в пределах 500-600 Ом.

А вот на двигателе ЗМЗ-406, устанавливаемый на автомобили «Волга» и «Газель», нормальным является сопротивление катушки в диапазоне 850-900 Ом.

Итог

Каким бы автомобилем вы не обладали, но, если на нем установлен инжекторный двигатель – значит возникновение проблем в работе мотора из-за ДПКВ вполне возможно.

Бывалые автолюбители в своем авто всегда держат запасной датчик, чтобы не быть застигнутым врасплох.

Ведь значительно проще установить новый элемент и поехать дальше, а потом уже проверить снятый на работоспособность, чем в самый неожиданный момент столкнуться с, тем, что автомобиль отказывается нормально работать из-за такого мелкого, но очень важного элемента, как датчика положения коленвала двигателя.

Датчик коленвала на Лада Калина

Как проверить датчик коленвала на калине?

Датчик положения коленчатого вала (ДПКВ) – важная деталь для любого автомобиля, направленная на контроль произведения синхронной работы в системе зажигания и впрыскивания топлива специальными форсунками.

В случае сбоя в работе данного датчика, панель управления автомобиля не сможет подавать сигнал, и работа двигателя будет нарушена. На Ладе Калина датчик положения коленчатого вала находится справа от двигателя, на кронштейне, недалеко от шкива привода генератора.

Виды датчиков

Разобравшись, за что отвечает датчик положения коленчатого вала, следует выяснить, какие виды таких датчиков бывают, и какие используются зачастую в Ладе? Датчики коленвала подразделяют по типу действия и особенностям в их конструкции.

Тип датчикаСтруктура и функция
Индуктивный Датчики положения коленчатого вала, состоящие из магнита, сердцевины (металлический стержень) и завитков вокруг стержня, концы которых выходят на пины.

Магнит намагничивает сам стержень, передавая импульсы зубьям венца шкива коленчатого вала.

Частотный Датчики, которые имеют аналогично датчикам индуктивного типа магнит и сердцевину, а также датчик Холла. Блок управления двигателем генерирует сигнал на датчик положения коленчатого вала. Последний принимает сигнал заданной частоты и передает через сердцевину и датчик Холла, а далее – на зубья венца шкива.

При прохождении очередного зубца коленчатого вала улавливается сигнал и оценивается работа сгенерированного импульса.

Именно второй вид датчика, в составе которого есть датчик Холла, есть в Ладе Калине с двигателем с 8 клапанами, с форсированной системой впрыскивания топлива. Такой датчик является вторичным преобразователем сигнала из блока управления в электромагнитный импульс.

ДПКВ подает магнитный импульс с заданной частотой на первый цилиндр, определяя, какой клапан открыт на данный момент, и какая фаза распределения газа происходит.

В карбюраторах датчик устроен по принципу «системы зажигания», когда ДПКВ только передает данные о проделанной работе на панель управления при подаче искры свечи. Когда датчик фаз отключается по неизвестным причинам, загорается чек на панели управления и двигатель автоматически переходит из фазы частотного впрыскивания (по принципу Холла) в фазу «системного зажигания».

Признаки поломки датчика положения коленчатого вала

Зачастую поломка ДПКВ заключается в их изношенности (при длительных поездках). Некорректная работа ДПКВ проявляется следующими признаками:

  • слабая мощность работы двигателя;
  • не работает двигатель, остановка работы двигателя при запуске – «глохнет»;
  • холостой ход дает слабые обороты;
  • самопроизвольное изменение частоты оборотов мотора.

Появление значка «Check-Engine» на панели управления (следует проверить двигатель), и ошибка бортового компьютера №0340 на 90% гарантируют причину неправильной работы двигателя по причине поломки датчика коленвала.

Для уточнения предполагаемой причины поломки, можно вычислить сопротивление датчика коленвала, а именно ее катушки (в норме – 550-700 Ом), с помощью мультиметра. В разделе сопротивления мультиметра, устанавливаем указатель на 2000 Ом, т.к. показатель нормы 550-700 находится в промежутке между 200-2 000 Ом. Если есть сомнения, что величина сопротивления может быть больше, можно установить указатель на максимальное значение (20М) и по одному разделу уменьшать показатели, пока мультиметр не покажет малейшие изменения в сопротивлении датчика, не включая ноль.

Замена датчика коленвала своими руками

Для того чтобы сменить датчик положения коленчатого вала, следует, прежде всего, снять пластиковое покрытие двигателя.

Замена ДПКВ:

  1. Справа, с обратной стороны двигателя, находится головка блока цилиндров. Именно в этом месте установлен ДПКВ. Следует нажать на фиксаторы колодки, отключая параллельно колодку провода от датчика давления масла (ДДМ).
  2. С помощью головки или ключа на «10», демонтируется ДПКВ.
  3. Подготавливается новый датчик положения коленчатого вала, проверяется на пригодность, с помощью металлических изделий (его магнитная способность), если нет в наличии мультиметра, и устанавливается в гнездо старого датчика.
  4. Зажимаются все фиксаторы, надевается пластиковая крышка двигателя обратно и тестируется работоспособность нового датчика запуском двигателя.

Если на бортовом компьютере ошибка пропала, и обороты двигателя не нарушены и не изменены, то причина поломки заключалась именно в неправильной работе датчика коленчатого вала.

Если проблема не была решена, тогда следует обратиться на станцию технического обслуживания за специализированной помощью по поиску иной причины поломки. Как правило, цена данной детали составляет 300-400 руб., в зависимости от вида датчика коленвала, а сама установка занимает 5-10 минут и не требует особых усилий.

Ссылка на основную публикацию
Похожее